Стоп-сигнал под надежным контролем

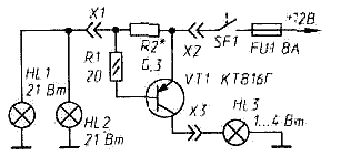
На рисунке приведена принципиальная схема устройства, информирующего водителя о включении ламп стоп-сигнала при торможении автомобиля.

/images/stories/pictures/5-19.pngКонтрольная лампа, которую устанавливают на щитке, включится, очевидно, лишь в том случае, если Ur2 - напряжение на резисторе R2 - превысит Uотс =0,5...0,6 В - напряжение отсечки кремниевого транзистора VT1. При R2=0,3 Ом и общем токе в лампах стоп-сигнала I=3,5 А (на самом деле несколько меньше из-за падения напряжения на резисторе R2) Ur2=I·R2@1 В, и в цепи база-эмиттер транзистора VT1 возникнет ток Iбэ=(Ur2-Uост)/R1 =0,02...0,025 А. А поскольку коэффициент усиления по току транзистора КТ816Г h21э=25, то возникающий в нем коллекторный ток Iк=Iбэ·h21э=0,5...0,625 А обеспечит питание индикаторной лампы HL3, тоже, конечно, 12-вольтной.

Заметим, что контрольная лампа HL3 не включится, если выйдет из строя лишь одна из ламп стоп-сигнала - HL1 или HL2. Падение напряжения на резисторе R2 в этом случае будет меньше напряжения отсечки транзистора VT1.

Обсудить эту статью на форуме (0 ответов).
Вся информация, предоставленная на данном ресурсе разрешена к ознакомлению детям школьного возраста. Все практическое использование может быть связана с повышенной электрической опасностью и разрешено детям только под присмотром взрослых.