Автомобильная сигнализация

Предлагаемое устройство автомобильной сигнализации (У АС) выполняет практически все необходимые функции, не содержит дефицитных деталей и может конкурировать с промышленными системами.

УАС питается от бортсети автомобиля (+12 В), а при пропадании ее продолжает нормально функционировать, так как имеет внутренний источник.

005-1

005-1

Каждое правильное подключение электронного ключа в гнездо Х1 сопровождается коротким запуском сирены и вспыхиванием габаритных огней автомобиля, а также попеременным переходом УАС из режима "Охрана" в режим "Выключено".

Режим "Выключено". В этом режиме устройство потребляет совершенно ничтожный ток, а все электрооборудование автомобиля работает в обычном режиме. Датчики УАС заблокированы, а светодиод погашен.

Режим "Охрана". Потребляемый ток не превышает 5 мА. Все датчики задействованы, светодиод мигает с частотой 1,4 Гц, система зажигания и пуска двигателя автомобиля заблокирована.

УАС переходит в режим "Тревога", если срабатывает один из датчиков. В этом случае мгновенно включается сирена, начинают мигать габаритные огни (f=1,6 Гц), а попытка завести двигатель кончается неудачей. Потребляемый ток не превышает в этом режиме 2 А. В режиме "Тревога" УАС будет находиться еще 20 с при условии, что все датчики вернулись в исходное состояние. Если нет, то двадцатисекундный цикл будет повторяться до возврата датчиков в исходное положение. Перевести УАС в режим "Выключено" из любого состояния можно только электронным ключом.

Схема УАС содержит:
- DA1, R1...R4, С1, РА1 -датчик положения, выполненный на основе микроамперметра. Он обеспечивает постановку на охрану при любом первоначальном положении кузова;
- DD1, R6...R13 - приемную часть электронного ключа;
- R10'...R13'-выносной электронный ключ. Логическая "1" на выводе 10 DD1 появляется только при выполнении условий:
R10'+R6=R10;
R11'+R7=R11;
R12'+R8=R12;

R13'+R9=R13.
Это и является "изюминкой" всей схемы. Для простоты удобно взять величину всех резисторов R10...R13 и R10'...R13' равной 10 кОм.
- VD1...VD4 - элементы защиты схемы при подаче на Х1 напряжения 220 В. В этом случае они просто сгорят, не повредив остальные элементы схемы;
- SB - контактные замыкатели. Их устанавливают на дверях, капоте, багажнике. Датчик замыкается при попытке взлома;
- DD2.1, С3, R5-одновибратор, обеспечивающий подавление помех от электронного ключа для нормальной работы счетного триггера DD3.1;
- DD2.3, R16, R19, R20, С6, VT1. VD8 -элементы выдержки времени (20с) в режиме "Тревога";
- DD2.4, R17, С4, VD10 - элементы одновибратора - формирователя импульса запуска сирены при каждом переходе УАС в новый режим;
- DD4.4, R18, R21, С5 - генератор импульсов (f=1,6 Гц), управляющий све-тoдиoдoмVD11;
- DD4.1...DD4.3, С7...С10, R22...R28, VT3...VT6 - электронную сирену;
- DD4.1, VT2, К1. К1.1 -элементы управления "габаритами" автомобиля (Р=1,6Гц);
-K2,K2.1,VT7,VD14, R29 - элементы блокировки системы зажигания и пуска двигателя;
- GB1, VD15, VD16, R30 - элементы бесперебойного питания и зарядки. От величины сопротивления резистора R30 зависит ток заряда GB1;
-VD13, С11...С13, DA2 - фильтр питания и стабилизатор +9 В.

Первоначальный сброс схемы происходит благодаря быстрому заряду С2 через R14. При этом DD3.1 по выводу 4 и DD3.2 по выводу 10 через DD2.3 сбрасываются в нулевые состояния. УАС устанавливается в режим "Охрана", и все датчики активизированы. Логический "О" с вывода 13 DD3.2 запрещает работу сирены и "габаритов". Логическая "1" на выводе 2 DD3.1 разрешает работу генератора на DD4.4 (F=1,4 Гц), который периодически включает VD11, а также обеспечивает на базе VT7 открывающее напряжение. Для обеспечения экономичности реле К2 срабатывает только при попытке запуска двигателя.

Как только срабатывает один из датчиков SB, УАС мгновенно переходит в режим "Тревога". Это происходит благодаря появлению логической "1" на выводе 8 DD3.2 через DD2.2. Триггер DD3.2 переключается в единичное состояние и запускает сирену DD4.1...DD4.3. Контакты К1.1 начинают замыкаться с частотой 1,6 Гц, обеспечивая вспыхивание габаритных огней. Светодиод VD11 продолжает мигать, а двигатель остается заблокирован. Одновременно начинает заряжаться С6 через R20. Как только он зарядится (20 с), логическая "1" через VD8, DD2.3 попадает на базу VT1 и на вывод 10 DD3.2. Если датчики не вернулись в исходное состояние, то VT1 разряжает С6, и 20-секундный цикл вновь повторяется. Если датчики все же вернулись в исходное состояние, вместе с разрядом С6 сбрасывается триггер DD3.2. УАС вновь переходит в режим "Охрана".

Мгновенно выключить УАС можно только электронным ключом. Каждое правильное подключение ключа к Х1 вызывает появление логической "1" на выводе 10 DD1.1 и логического "О" на выводе 11 DD2.1. Это приводит к переключению счетного триггера DD3.1 в противоположное состояние. Логическая "1" с вывода 1 DD3.1 через VD7, DD2.3 попадает на вывод 10 DD3.2, сбрасывает его и удерживает в нулевом состоянии, т.е. УАС оказывается в режиме "Выключено". Логический "О" с вывода 2 DD3.1 гасит VD11 и разблокирует систему зажигания двигателя.

Повторное подключение электронного ключа переводит УАС обратно в режим "Охрана". Каждый переход УАС в новый режим сопровождается коротким запуском сирены (0,7) с и вспыхиванием габаритов. Это обеспечивается быстрым зарядом или разрядом С4 через R17 и работой элементов DD2.4, VD10.

Детали и конструкция. Излучатель ВА1 - любая динамическая головка на 10 Вт (8 Ом) или 20 Вт (4 Ом). VT2...VT7 - любые из серий КТ972, КТ973, КТ853, КТ829. Транзисторы VT3...VT6 устанавливают на один общий радиатор через слюдяные прокладки. Сюда крепят и диод VD16. VT1 -любой из серийКТ315,КТ3102, КТ503. VD1...VD4-любые низковольтные диоды с обратным напряжением 10...20 В. VD5...VD10 - любые из серий КД521, КД522, КД503, КД510. VD12...VD14-любые из серий Д226, Д7 и других на ток не менее 0,1 А. VD15...VD16 можно заменить на КД2997, КД2999 и другие на ток не менее 10 А. R30 - МЛТ-1, остальные резисторы - МЛТ-0,125 или МЛТ-0,25. GB1 - любой малогабаритный аккумулятор, желательно без жидкого электролита. Его устанавливают вне корпуса АС. Х1 -любой пятиштырьковый разъем. Его устанавливают в зеркале заднего вида водителя или в любом другом месте, но снаружи автомобиля. VD11 - светодиод красного свечения АЛ307 или аналогичный. Он устанавливается под передним лобовым стеклом^ так чтобы его было хорошо видно с улицы. К1, К2, К2' - любые реле на ток коммутации не менее 5 А. Причем контакты К1.1 должны быть нормально разомкнутыми и подключаются параллельно выключателю "габаритов" автомобиля, а К2.1, К2.Г - нормально замкнутые и подключаются в разрыв провода от замка зажигания к катушке зажигания и от замка зажигания к реле стартера соответственно. Реле К2 и К2' можно заменить на одно с двумя парами контактов.

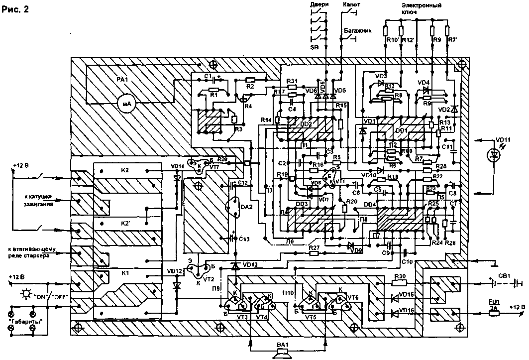
Печатная плата приведена на рис.2 и показана со стороны деталей. Все проводники изображены как бы на просвет через плату, которая является односторонней и содержит 10 перемычек. Все проводники, по которым течет большой ток, выполнены максимально широкими и пропаяны припоем. Пропаивается и земляная шина.

005-2

005-2

Настройка. Как правило, устройство запускается сразу. Иногда требуется подбор резисторов электронного ключа. Для этого, подав напряжение питания на схему, подбором R13 добиваются появления логической "1" на выходе элемента DD1.4. Аналогично - для R12, добиваясь появления логической "1" на выходе DD1.3 и т.д. Резистором R4 устанавливают необходимую чувствительность датчика положения кузова, но это проделывают тогда, когда УАС уже установлена на автомобиле.

Обсудить эту статью на форуме (0 ответов).
Вся информация, предоставленная на данном ресурсе разрешена к ознакомлению детям школьного возраста. Все практическое использование может быть связана с повышенной электрической опасностью и разрешено детям только под присмотром взрослых.