Многие радиолюбители и автомобилисты уже знают, что сейчас органами внутренних дел разрешено монтировать на автомобиль и эксплуатировать электронные сторожевые устройства с радиоканалом.
В отличие от широко распространенных звукосигнальных автосторожей, сторож с радиоканалом подает сигнал тревоги не на всю округу, а только хозяину (хотя при необходимости способен дублировать радиосигнал громким звуковым и световым сигналами).
Приняв по радиоканалу сигнал тревоги, хозяин предпринимает действия, соответствующие конкрет-ным обстоятельствам, в частности, звонит в милицию и сообщает о попытке вскрытия машины или демонтажа ее узлов. Если, несмотря на принятые меры, угон все же произошел, то остается реальная возможность отыскания автомобиля по "горячим следам" работниками милиции, оснащенными необходимой аппаратурой.
Радиоканальный автосторож состоит из двух блоков - передающего и приемного.
В передающий блок входят собственно автосторож с необходимым набором датчиков, шифратор и передатчик с излучающей антенной. Этот блок монтируют на автомобиле. Источником питания может служить как бортовая аккумуляторная батарея, так и собственная встроенная батарея.
Приемный блок состоит из приемной антенны, приемника, дешифратора и звукового генератора тревожного сигнала. Этот блок выполняют либо в виде миниатюрной карманной конструкции с автономным питанием, либо как настольный высокочувствительный приемник с питанием от сети.
В общем случае при срабатывании автосторожа передатчик начинает излучать радиосигнал, модулированный импульсным кодом, формируемым шифратором. Приемник с дешифратором выде-ляют из массы эфирных сигналов "свой" кодовый сигнал и включают генератор тревожных сигналов.
Реально вариантов организации радиоканала может быть множество из-за многообразия практи-ческих задач. Но во всех случаях параметры радиоканала должны удовлетворять техническим требованиям, установленным Государственной инспекцией электросвязи. Вот основные из них:
Рабочая частота, кГц................................................ 26 945
Допустимое относительное отклонение частоты передатчика и гетеродина
приемника, не более .............................................. 50*10^-6
Класс излучения'. ............................................ AID; FID; POD
Мощность передатчика по несущей, Вт, не более.............................. 2
Девиация частоты передатчика, кГц, не более ................................ 3
Ширина частотной полосы излучения, кГц, не более, на уровне -30 дБ ........... 12
Точность первоначальной установки частоты передатчика и гетеродина
приемника, не хуже .............................................. 20*10^-6
Уровень побочных излучений, дБ, не более ................................ -40
Согласно "Регламенту радиосвязи" Международного союза электросвязи (т.1, "Радио и связь". М., 1985) классы излучения принято обозначать тремя символами. Первый - буква - указывает на тип модуляции основной несущей. Второй - цифра - на характер сигналов, модулирующих основную несущую. Третий - буква - вид передаваемой информации.
Применительно к нашему случаю буквой А обозначают двуполосную модуляцию, буквой F - частотную, Р - последовательность немодулированных импульсов. Цифра 1 соответствует варианту с одним каналом, содержащим квантованную или цифровую информацию без использования модулирующей поднесущей (исключая временное разделение каналов), а цифра 0 - отсутствию модулирующего сигнала. И, наконец, буква D присвоена случаю передачи цифровой информации, сигналов телеметрии, телеуправления.
Легко видеть, что представленные здесь требования касаются в основном передатчика. Это и понятно - ведь именно от его качества будет во многом зависеть возможность совместной одновре-менной работы нескольких охранных систем. Характеристики приемника могут быть любыми, лишь бы он обеспечивал надежную связь в конкретных условиях работы и сам бы не являлся источником помехи.
Перечисленные требования, видимо, не окончательные, и по мере освоения этой техники будут уточняться.
Наиболее сложными узлами радиоканала являются шифратор и дешифратор. Поэтому редакция решила, соблюдая традицию, начать знакомство с радиоканальным автосторожем статьей об этих узлах. В дальнейшем предполагается публикация описаний остальных узлов радиосторожа.
Введение радиоканала в систему электронной охранной сигнализации рез-ко расширяет ее возможности, потребует от конструктора решения непростой за-дачи - обеспечить надежное выделение одного радиосигнала среди множества других, в том числе сигналов аналогично-го назначения.
Для этого достаточно, казалось бы, найти "тихий" участок в том или ином радиодиапазоне и излучать в нем одну лишь несущую. Тогда исчезновение не-сущей будет служить сигналом тревоги. Или же наоборот-тревожным сигналом будет появление несущей. Такую радио-систему довольно просто реализовать. Однако она оказывается малопригодной к эксплуатации. Во-первых, потому, что "тихих" участков в современном радио-спектре практически не осталось; во-вторых, ничем не защищенная от блоки-рования даже самыми примитивными средствами, от помех, провоцирующих ложные вызовы, она быстро разочарует своего создателя; в-третьих, подобное использование эфира наверное войдет в конфликт с законодательством по радио-связи*.
Другой путь - модуляция несущей то-нальным сигналом. Но и здесь трудности создания фильтров с необходимой изби-рательностью и точных по своей частот-ной позиции не позволяют разместить в полосе пропускания радиоприемника сколько-нибудь значительное число кана-лов: обычно - не более 10-15, значит, столько же охраняемых объектов. Невы-сока, конечно, и помехозащищенность таких систем.
Несущая может быть промодулирована (проманипулирована) и импульсным сиг-налом. Подобные системы шифрации находят применение, но и в большинстве своем в очень простых формах: разнооб-разия сигналов достигают вариацией ширины импульса (ШИМ), их числа и т.п. Возможности таких систем также сравни-тельно невелики, особенно в жестко огра-ниченных по времени передачах.
Один из возможных принципов постро-ения шифросигнала, обладающего боль-шой комбинаторной "емкостью", состоит в том, что время, отведенное для переда-чи, разбивают на равные интервалы - знакоместа, каждому из которых соответ-ствует или 0, или 1. Если за 1 принять наличие высокочастотного излучения в антенне передатчика, а за 0 - его отсут-ствие , то такой шифросигнал будет иметь вид очень короткого радиотелеграфного сообщения.
В двоичной последовательности, со-стоящей из п знакомест, может быть размещено 2" различных шифросообще-ний. Правда, кроме собственно инфор-мационной части, такое сообщение обыч-но содержит и вспомогательные биты (стартовый, например), упрощающие его дешифрацию.
На рис.1
Шифратор содержит низкочастотный генератор, стабилизированный кварцем (DD5.3, DD5.4, ZQ1), триггер (DD4.3. DD4.4), меняющий свое состояние при срабатывании сторожевого узла (при хотя бы кратковременном появлении высоко-го уровня на входе "Сигнал"), узел пере-ключения системы в режим ожидания (SB1, DD4.1, DD4.2) и счетчик DD1, управ-ляющий работой коммутаторов DD2 и DD3.
Ту или иную шифрокомбинацию наби-рают соединением информационных входов коммутаторов D02, DD3 с плюсовым проводом питания или с общим прово-дом. Начальное (нулевое) знакоместо шифрокомбинации всегда занимают еди-ницей - стартовым битом (на вывод 14 коммутатора DD2 подают высокий уро-вень). Знакоместа 1,2,..., 14 (по номерам выводов жгута) следуют во времени имен-но в таком порядке.
Шифратор управляет работой радио-передатчика сигналами с выхода элемен-тов DD5.2 и DD6.4. При появлении низко-го уровня на выходе элемента DD5.2 включается питание передатчика. Схема одного из вариантов узла включения пи-тания показана на рис.2.
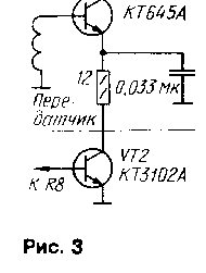
Сигналы с выхо-да элемента DD6.4 управляют работой высокочастотного тракта передатчика. Манипулирующий сигнал может быть по-дан в эмиттерную цепь транзистора про-межуточной или выходной ступени через буферный транзистор VT2 (рис.3).
Передача шифрокомбинации возмож-на лишь в положении "Код" переключате-ля SA1. Положение "Непрерывное излу-чение" предназначено для контроля режима и настройки передатчика. 
В режиме охраны на входе "Сигнал" действует низкий уровень; триггер DD4.3, DD4.4 нажатием на кнопку SB1 устанав-ливают в состояние 0, при котором такто-вый генератор заторможен, а счетчик DD1 переходит в нулевое состояние, при котором на его выходах присутствует на-пряжение низкого уровня. В результате этого на выходе коммутатора DD2 - низ-кий уровень (как на входе ХО), а выход коммутатора DD3 находится в состоянии высокого сопротивления. Питание пере-датчика и манипулятор выключены.
После срабатывания сторожевого узла уровень на входе "Сигнал" меняется с нулевого на единичный, триггер DD4.3, DD4.4 переключается в состояние 1, вклю-чается питание передатчика и начинает работать тактовый генератор. Счетчик DD1 и коммутаторы вырабатывают шифро-комбинацию импульсов, соответствую-щую положению перемычек контактного поля Х1. Эта шифрокомбинация через открывшийся элемент DD6.4 поступает на манипулятор передатчика.
В шифраторе с "часовым" кварцевым резонатором в тактовом генераторе дли-тельность одного знакоместа будет при-мерно равна 1,95 мс. Длительность всей шифрокомбинации -30 мс, паузы между ними - около 470 мс. Длительность паузы определена временем существования сигнала высокого уровня на выходе диод-но-резисторной сборки VD1 - VD4.R9. Исключив, например, диод VD4, можно уменьшить длительность примерно до 220 мс. Общее число возможных шифро-комбинации - 2^14 = 16384.
Для работы на более высокой скорости нужно лишь заменить "часовой" кварце-вый резонатор более высокочастотным. Однако это поведет, очевидно, к соответ-ствующему расширению полосы, зани-маемой радиоканалом, вплоть до выхода из разрешенных границ, и недостаточ-ности ширины полосы пропускания ФСС радиоприемника.
Ток, потребляемый шифратором в ре-жиме ожидания при напряжении питания 9 В, не превышает 1...2 мкА. Амплитуда сигнала охранного узла не должна быть менее 4 В. Шифратор сохраняет работо-способность при снижении напряже-ния питания до 5 В.
Выделение "своего" шифросигнала на фоне разного рода помех в канале связи возложено на дешифратор. Его принципиальная схема изображена на рис.4.
Дешифратор состоит из тактового генератора, собранного на элементах DD5.3, DD5.4 и стабилизированного квар-цевым резонатором ZQ1 (на ту же часто-ту, что и кварцевый резонатор шифрато-ра), триггера DD4.1, DD4.3, переключаемого фронтом эфирного сигнала, компаратора DA1, усиливаю-щего и формирующего этот сигнал, узла переключения дешифратора в режим ожидания (SB1, R7, СЗ, DD6.1) и счетчика DD1, управляющего работой коммутаторов DD2 и DD3 подобно тому, как в шифраторе.
Кроме этого, в дешифратор входит узел сравнения принятой из эфира шиф-рокомбинации с установленной в дешиф-раторе. Узел сравнения собран на эле-ментах DD5.2, DD6.2, DD7.1, DD 7.2, DD7.3.
Дешифратор переводят в дежурный режим нажатием на кнопку SB 1, при этом на выходе элемента DD6.1 возникает импульс высокого уровня, устанавливаю-щий триггер DD4.1, DD4.3 в состояние О и обнуляющий счетчик DD1. Элемент DD5.1 закрывается и не пропускает им-пульсов работающего тактового генера-тора на вход С счетчика DD1, из-за чего на его выходах остается низкий уровень.
Как только на выходе инвертора DD4.4 появляются импульсы шифрокомбинации, принятой из эфира, переключается триг-гер DD4.3, DD4.1, открывается элемент DD5.1 и счетчик DD1 начинает подсчет импульсов тактового генератора. Комму-таторы DD2, DD3 вырабатывают образцо-вую шифрокомбинацию импульсов, соот-ветствующую положению перемычек контактного поля Х1.
Собственно сравнение эфирной и об-разцовой шифрокомбинации происходит на элементе DD7.3. Оно идет поразрядно, начиная со стартового бита, с последую-щим стробированием результата элемен-том DD6.2. Строб-импульс, снимаемый с выхода элемента DD7.2, занимает вторую четверть каждого знакоместа, что позво-ляет пренебречь некоторым опережени-ем принятой шифрокомбинации по отно-шению к установленной в дешифраторе и неодинаковостью значений частоты так-товых генераторов шифратора и дешиф-ратора.
Первое же несовпадение шифроком-бинации переключает дешифратор в ис-ходное состояние. Если же шифрокомби-нации оказываются идентичными, на выходе 2^10 счетчика DD1 появляется вы-сокий уровень.
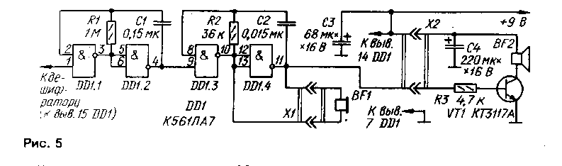
Этот сигнал включает узел тревожной сигнализации, схема которого показана на рис.5. Сигнальный узел состоит из двух генераторов: один, собранный на элементах DD 1.1, DD 1.2, раб
Ток, потребляемый дешифратором и сигнальным узлом в режиме ожидания при напряжении питания 9 В, равен 1,2 мА. В режиме тревожной сигнализа-ции дешифратор потребляет 5 мА, если звукоизлучатель - пьезоэлемент, и 60 мА, если звукоизлучатель - динамичес-кая головка 0,5 ГДШ-9. Дешифратор со-храняет свою работоспособность при снижении напряжения питания до 5 В.
Сигнал на входе дешифратора (на вы-ходе детектора радиоприемника) должен иметь положительную полярность и ам-плитуду не менее 150 мВ.