Термостабилизатор температуры 150...1000

Схема предназначена для автоматического поддержания нужной температуры с высокой точностью и может найти применение в различных промышленных и бытовых устройствах для управления нагревом термокамеры или паяльника. Термостабилизатор содержит минимальное число элементов, что обеспечивает высокую надежность, а малые габариты позволяют легко разместить его внутри любого корпуса. Устройство состоит из двух узлов: схемы управления и блока питания. ОСНОВНЫЕ ТЕХНИЧЕСКИЕ ХАРАКТЕРИСТИКИ ТЕРМОСТАБИЛИЗАТОРА

1. Диапазон рабочих температур +150...1000 ╟С
2. Точность поддержания установленной температуры в рабочем диапазоне не хуже 2 ╟С.
3. Рабочее напряжение нагревателя может быть от 100 до 400 В.
4. Мощность нагревателя допустима до 4 кВт (или 8 кВт при использовании радиатора для симистора большей площади).
5. Датчиком температуры является термопара из спая Хромель- Алюмель.
6. Схема управления термостабилизатора имеет электрическую развязку по постоянному току от сети питания нагревателя.
7. Включение цепи нагревателя производится электронным бесконтактным способом.
8. Питание схемы управления осуществляется от двухполярного источника питания с напряжением 12В (ток потребления схемы управления не превышает 15 мА). К одному блоку питания допустимо подключать до 10 схем термостабилизаторов.

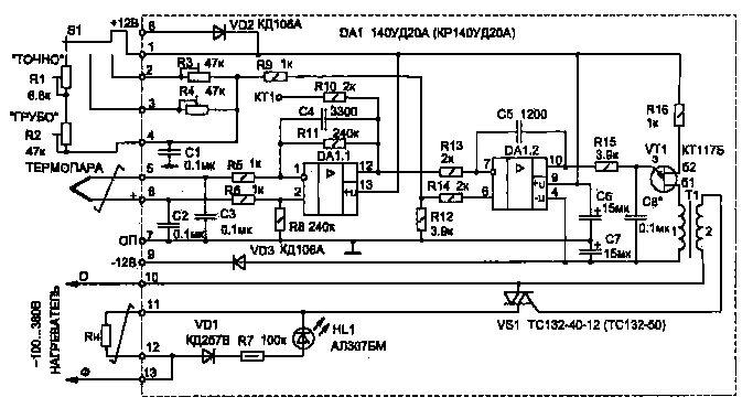
Рис. 1. Электрическая схема термостабилизатора

Рис. 1. Электрическая схема термостабилизатора

  Схема управления (рис. 1) выполнена на одной сдвоенной микросхеме DA1 (140УД20А) и симметричном тиристоре (симисторе) VS1. На элементе DA1.1 собран дифференциальный усилитель сигнала с термопары, а на DA1.2 ≈ интегратор, который управляет работой генератора импульсов на однопереходном транзисторе VT1. Импульсы через разделительный трансформатор Т1 поступают на управление коммутатором VS1.


Рис. 2. Форма импульсов на управляющем выводе симистора

  Использование в схеме интегратора вместо обычно применяемого компаратора позволяет обеспечить мягкую характеристику изменения мощности в нагревателе при выходе на режим термостабилизации. Это осуществляется за счет изменения времени заряда конденсатора С8, от которого зависит частота генератора, а значит, и начальный угол открывания симистора. Пока напряжение с выхода DA1/12 не превысит пороговое значение, установленное резисторами R1 и R2 (на DA1/6), на выходе микросхемы DA1/10 будет напряжение +12 В, что обеспечит работу генератора (VT1) на максимальной частоте. При этом форма импульсов на управляющем электроде симистора должна иметь вид, приведенный на рис. 2. Если форма импульсов другая, следует поменять местами выводы на одной из обмоток трансформатора Т1.

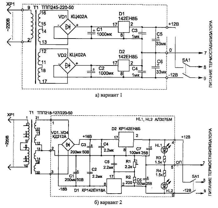
  Электрическая схема блока питания термостабилизатора может быть собрана по одному из приведенных на рис. 3 вариантов. Обе схемы имеют внутреннюю электронную защиту от перегрузки и в особых пояснениях не нуждаются, так как являются типовыми. При использовании одного источника питания для нескольких термостабилизаторов включение каждой схемы управления производится отдельным тумблером.


Рис. 3. Двухполярный источник питания для термостабилизатора

Рис. 3. Двухполярный источник питания для термостабилизатора

  Топологии печатных плат и расположение деталей приведены на рис. 4...6. Симистор устанавливается на радиатор, состоящий из двух медных пластин, одна из которых показана на рис. 1.23. Для удобства подключения внешних цепей схемы на плате (рис. 5) закреплены винты МЗ и М4 с гайками.

 Рис. 4. Топология печатной платы схемы управления


Рис. 5. Расположение деталей

 Рис. 6. Печатная плата источника питания, вариант 2

  В схеме применена прецизионная микросхема, и замена ее на другой тип недопустима, так как это ухудшит точность поддержания температуры из-за увеличения дрейфа нуля, который будет соизмерим с величиной сигнала от термопары.

  Импульсный трансформатор Т1 наматывается проводом ПЭЛШО-0,18 на ферритовом кольце М4000НМ1 типоразмера К16х10х4 мм или кольце М2000НМ1 ≈ К20х12х6 мм и содержит в обмотке 1 ≈ 80 витков, 2≈60 витков. Перед намоткой острые грани сердечника нужно закруглить надфилем. Иначе они прорежут провод. После намотки и пропитки катушки лаком нужно обязательно убедиться в отсутствии утечки между обмотками, а также обмотками и ферритом каркаса.

  Остальные детали схемы не критичны и могут быть любого типа, например: переменные резисторы R1 и R2 типа СПЗ-4а; R3 и R4 ≈ подстроенные многооборотные СП5-2; постоянные резисторы типа С2-23; электролитические конденсаторы С6 и С7 ≈ К53-1А на 16 В; остальные ≈ типа К10-17. Диоды VD2, VD3 предназначены для защиты схемы от неправильного подключения источника питания и могут быть любыми, на ток до 100 мА.

  ПодклюРис. 7. Конструкция радиатора для симисторачая схему управления, необходимо соблюдать положение фазы, указанное на рисунке (при правильном соединении на радиаторе симистора должна находиться фаза сетевого напряжения). Это особенно важно, если от одного источника питания включено несколько термостабилизаторов.

  При подаче питания на схему управления должен включиться нагрев нагрузки RH. Индикатором включения нагревателя является свечение светодиода HL1 или включенной параллельно с нагрузкой лампы.



  Для настройки температуры стабилизации устанавливаем в среднее положение регуляторы R1, R2 и, дождавшись повышения температуры в зоне нагрева до нужной величины, регулятором ГРУБО добиваемся отключения нагревателя. Когда процесс термостабилизации установится, скорректировать температуру можно регулятором ТОЧНО.

  Схема позволяет иметь несколько фиксированных значений температуры при переключении S1. В этом случае нужная температура настраивается соответствующими подстроечными резисторами R3 и R4 на плате управления.

Обсудить эту статью на форуме (0 ответов).
Вся информация, предоставленная на данном ресурсе разрешена к ознакомлению детям школьного возраста. Все практическое использование может быть связана с повышенной электрической опасностью и разрешено детям только под присмотром взрослых.