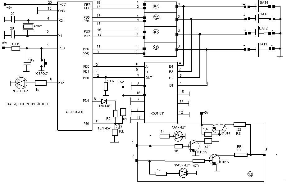
Автоматическая зарядка 1.25v аккамуляторов на AT90S1200

ZAR1200

ZAR1200

 

Вот разработал девайс для автоматической зарядки 4-х акумов т.к. китайцы меня не устраивали.
Логика работы: После установки акумов,включения питания и если нужно нажимаем"сброс",программа опредепяет на каком акуме напряжение больше 1v,на каком меньше и
соответственно ставит их на разряд-заряд. После зарядки загорится"готово"и если нажать"сброс"
цикл начнется сначала т.е. акумы можно тренировать.
Настройка:
1 Подаем +5v без контроллера и акумов
2 Подбором R1 устанавливаем в точке U +1v
3 Подаем на вывод PD4 (8) +5v и подбором R2 устанавливаем в точке U +1.45v
Всё.
Резисторы RZ и RR задают ток заряда-разряда соответственно. Мощность 1w.
Источник питания любой +5v 1A
Контроллер програмировал программой Pony Prog фузы не трогал.
Исходник и код : http://depositfiles.com/files/xt635lun5

 

Файлы необходимые к схеме

Обсудить эту статью на форуме (0 ответов).
Вся информация, предоставленная на данном ресурсе разрешена к ознакомлению детям школьного возраста. Все практическое использование может быть связана с повышенной электрической опасностью и разрешено детям только под присмотром взрослых.