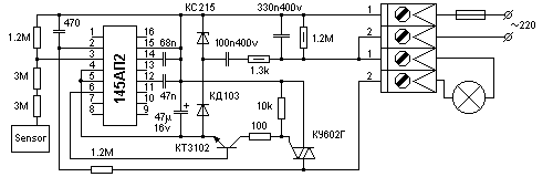
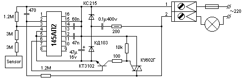
Сенсорный регулятор собран на отечественной БИС 145АП2, и в отличии от сенсорного регулятора на AT2313 , управляется одним сенсором не обеспечивая плавного включения/выключения. Схема содержит минимум деталей (рис.1,2), и при правильной сборке начинает работать сразу, не требуя дополнительных настроек. При кратковременном прикосновении к сенсору происходит включение(выключение) лампы. При удержании сенсора происходит плавная регулировка яркости, состояние запоминается до следующей регулировки.

Рис.1 Принципиальная схема и внешний вид сенсорного регулятора на 145АП2 (первый вариант)

Рис.2 Принципиальная схема и внешний вид сенсорного регулятора на 145АП2 (второй вариант)