Бипер
Ratings
(2)
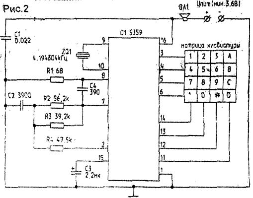
Рис. 1
Doc
02 июня 2010
Просмотров: 5427
Обсудить эту статью
Войдите, чтобы комментировать
Обсудить эту статью на форуме (0 ответов).
Вы здесь:
Главная
Cхемы
Электроника в быту
Бипер
Поиск
Sign In
Главная
Cхемы
Программы
Библиотека
Форум
Справочный лист
Советы
Обзоры
Это интересно
Cсылки
Вся информация, предоставленная на данном ресурсе разрешена к ознакомлению детям школьного возраста. Все практическое использование может быть связана с повышенной электрической опасностью и разрешено детям только под присмотром взрослых.