Три металлоискателя на микросхемах

Идея металлоискателей проста. При сравнении частот двух генераторов - образцового, имеющего частоту f0, и LC-генератора

Металлоискатель с рабочей частотой 100 кГц

с большой катушкой индуктивности, частота fс которого зависит от попадающих в ее поле металлических предметов, будет изменяться разностная частота F=fс-f0 Если F привести в диапазон звуковых частот, то ее изменения легко обнаруживаются на слух.

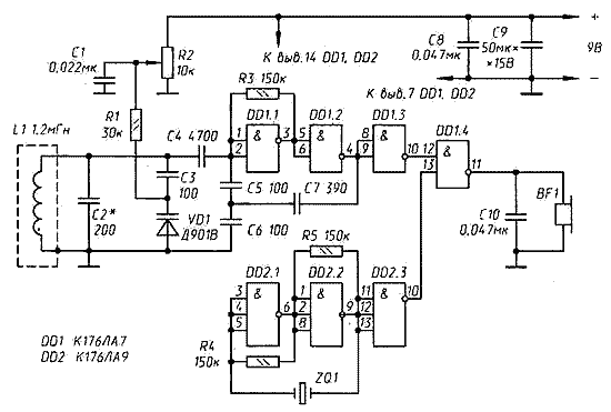
На рис. 124 изображена принципиальная схема металлоискателя, работающего на относительно низкой частоте - 100 кГц. На элементе DD1.1 собран образцовый генератор, а на элементе DD1.2 - перестраиваемый. Колебательный контур образцового генератора состоит из катушки L1 и конденсаторов C1, C2, СЗ и С6, перестраиваемого - из поисковой катушки L2 и конденсаторов С4, С5 и С7.

На элементе DD1.3 выполнен смеситель колебаний. С нагрузки этого узла - переменного резистора R5 - сигнал разностной частоты поступает на вход элемента DD1.4, работающего в режиме линейного усилителя, а усиленное им напряжение - на головные телефоны BF1.

Каркасом поисковой катушки L2 служит кольцо диаметром 250 мм, согнутое из винипластовой трубки, имеющей внешний диаметр 15 и внутренний 10 мм. Катушку наматывают проводом ПЭЛШО 0,27. Она имеет 100 витков. Для удобства намотки винипластовая трубка может иметь продольный разрез. После укладки витков катушки трубку обматывают лентой из алюминиевой фольги, которая нужна здесь как электростатический экран. В этом экране обязательно должен быть сделан разрыв, иначе он станет шунтирущим L2 короткозамкнутым витком. Для защиты поисковой катушки от механических повреждений ее обматывают двумятремя слоями ленты ПВХ. На рис. 125 показан внешний вид изготовленной таким образом катушки. Имеющееся на ней гнездо предназначено для штанги-удлинителя, который может существенно облегчить некоторые работы, например, сканирование поверхности земли.

Катушку L1 наматывают на кольцевом сердечнике 600НН К8х6х2. Она содержит 180 витков провода ПЭЛШО 0,14.

Поисковая катушка металпоискателя
 Металлоискатель с рабочей частотой 300 кГц

Элементы прибора размещают на плате, которую помещают в металлическую коробку-экран. Удлинитель, если он есть, также должен быть металлическим. Его можно изготовить, например, из дюралюминиевой лыжной палки.

Налаживание металлоискателя сводится к настройке его генераторов на частоту примерно 100 кГц. Перестраиваемый генератор настраивают подбором конденсатора С4, образцовый - конденсатора C2 (при C1, находящемся в среднем положении). При отсутствии металла в поле поисковой катушки разностная частота F должна быть в пределах 500...1000 Гц.

Прибором можно обнаружить пятикопеечную монету на глубине до 6 см, а крышку канализационного люка - до 0,6 м.

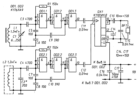
Несколько большей чувствительностью обладает металлоискатель, принципиальная схема которого показана на рис. 126. Образцовый генератор настраивают на частоту около 300 кГц конденсатором C1, перестраиваемый - подбором конденсатора C2.

Катушку образцового генератора наматывают на кольцевом сердечнике 600НН К8х6х2 проводом ПЭЛШО 0,2. Она содержит 50 витков.

Поисковая катушка L2 имеет ту же конструкцию, что и в низкочастотном металлоискателе. Но ее диаметр - 200 мм, число витков - 50.

Высокочастотный мвталлоискатель

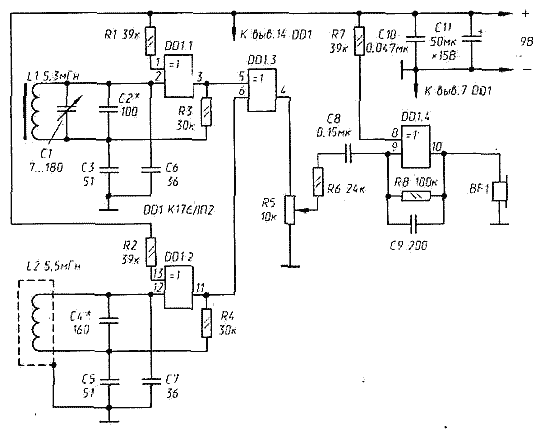
Принципиальная схема еще одного металлоискателя показана на рис. 127. Его чувствительность еще выше, так как здесь контролируется расхождение значительно более высоких частот - образцового генератора, работающего на частоте 0,5...1 МГц, и 5...10 гармоники поискового генератора. Расстройка последнего, например, лишь на 10 Гц ведет к изменению частоты разностных колебаний на 50... 100 Гц.

Образцовый генератор металлоискателя выполнен на элементах DD2.1, DD2.2, ZQ1 и др., где ZQ1 - кварцевый резонатор на частоту f0=0,5..1 МГц, обеспечивающий высокую ее стабильность.

Контур перестраиваемого генератора (L1, C2, СЗ, VD1) должен быть настроен на одну из частот fc=к·f0, где кО{1/10, 1/9, 1/8, 1/7, 1/6, 1/5}. Ее подбирают конденсатором C2 (движок резистора R2 - элемент тонкой настройки генератора - должен быть в среднем положении).

Смеситель прибора выполнен на элементе DD1.4. Элементы DD1.3 и DD2.3 - буферные.

Поисковая катушка L1 имеет те же параметры, что и в металлоискателе с рабочей частотой 300 кГц.

Источником питания любого из этих металлоискателей может служить батарея типа «Корунд», аккумулятор «Ника» и т.п. Для контроля разностной частоты автор использовал наушники ТОН-2.

Обсудить эту статью на форуме (0 ответов).
Вся информация, предоставленная на данном ресурсе разрешена к ознакомлению детям школьного возраста. Все практическое использование может быть связана с повышенной электрической опасностью и разрешено детям только под присмотром взрослых.