Металлоискатель на транзисторах

Конструкция металлоискателя на трех транзисторах (рисунок) Он способен обнаруживать консервные банки или листы железа площадью не менее 150 см в квадрате на глубине до 30 см.
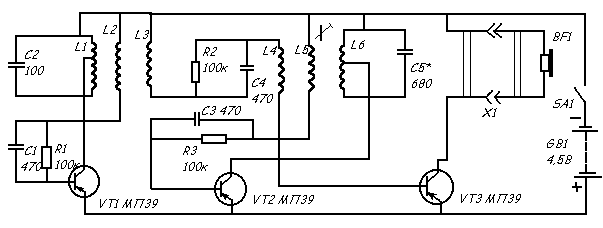
Разберем работу металлоискателя по его принципиальной схеме. На транзисторе VT1 собран генератор, вырабатывающий колебания частотой 80...100 кГц. Генерация образуется из-за обратной связи между коллекторной катушкой L1 и катушкой L2, подключенной к базе транзистора. Частота колебаний зависит от индуктивности катушки L1 и емкости конденсатора С2.
По такойже схеме собран и второй генератор на транзисторе VT2 с примерно равной первому частотой. Катушки связи (L3 и L4) обоих генераторов соеденены последовательно и подключены к выходному каскаду, союранному на транзисторе VT3. В его коллектурную цепь включены (через разъем Х1) головные телефоны BF-1.
Частота первого генератора постоянна (если вблизи поисковой катушки L1 нет металлического предмета), частота второго изменяется подстройкой индуктивности катушки L6. Через головные телефоны будут протекать переменные токи с частотой обоих генераторов и частотой биения. Если частоту второго генератора плавно подстраивать под частоту первого, в голоаных телефонах послышится вначале звук низкой частоты, которая будет плавно уменьшаться, а затем возникнут "нулевые биения"- звук в телефонах исчезнет. Стоит теперь поднести катушку первого генератора к металлическому предмету- и в телефонах снова послышится звук. Высота его будет тем больше, чем ближе к предмету находится катушка, а также чем больше по габаритам сам предмет.
В этой конструкции можно использовать транзисторы серий МП39-МП42 с любым буквенным индексом и статическим коэфициентом передачи тока 30...40. Конденсаторы желательно взять слюдяные (КСО-1 или КСО-2), резисторы- МЛТ-0,25. Головные телефоны- ТОН-1 или ТОН-2. Источник питания- батарея 3336 или три малогабаритных аккумулятора Д-0,25, соединенных последовательно. В первом варианте устройство будет работать 100...150ч, во втором-40...50ч (а затем аккумуляторы придется заряжать). Разъем Х1- двухгнездая колодка, выключатель питания- любой конструкции.
Катушки L4-L6 второго генератора наматывают проводом ПЭВ-1 0,2 на каркасе из изоляционного материала, который затем помещают в карбониальный сердечник СБ-28а(СБ-4а). на каркас вначале наматывают катушку L6-260 витков с отводом от 60-го витка, считая от верхнего по схеме вывода. Далее наматывают катушку L6-40 витков и в последнюю очередь-L4 (2 витка). Чтобы удобнее было вращать подстроечный сердечник, на него навинчивают ручку настройки.

Для катушек первого генератора вначале изготавляют каркас (рис.). Он состоит из фанерного диска 3 диаметром 445 и толщиной 5...6 мм и щечек 1 и 4, вырезанных из тонкой фанеры. Щечки приклеивают или прибивают к диску, а к верхней щечке прикрепляют деревянную ручку такой длинны, чтобы устройством было удобно пользоваться, например при поиске "мин" у самой земли.

Между щечками размещают катушки 2. Вначале наматывают катушку L1-55 витков провода ПЭВ-1 0,6 с отводом от 15-го витка, считая от верхнего по схеме вывода. Поверх нее наматывают катушку L2-10 витков ПЭВ-1 0,25. Катушку L3 наматывают последней-она содержит 2 витка провода ПЭВ-1 0,25. Верхние по схеме выводы катушек (это могут быть, напртимер, их начала- при намотке, конечно, всех катушек в одну сторону) соедените вместе с сделайте общий вывод гибким монтажным проводом в изоляции длинной 100...120 мм. Проводники такойже длинны подпаяйте и к другим выводам катушек. Все проводники подпаяйте затем к контактам планки, установленной на верхней щечке вблизи ручки. Здесь же разместите и конденсатор С2. После этого покройте катушку несколькими слоями лака и намотайте поверх них между щечками изоляционную ленту.
Остальные детали разместите в корпусе, на верхней стенке которого укрепите выключатель питания и катушку второго генератора, а боковые- розетку под вилку головных телефонов. Корпус прикрепите к ручке в удобном для работы месте и подключите выводы катушек первого генератора к соответствующим деталям. Здесь лучше воспользоваться самодельным кабелем. Для его изготовления возьмите три разноцветных монтажных провода и пропустите их внутри металлической оплетки экранированного провода. Сверху на кабель наденьте поливинихлоридную или резиновую трубку и прикрепите кабеля к рукоятке. Металлическую оплетку соедините с общим проводом катушек, а разноцветные проводники- с оставшимися выводами.
Налаживание металлоискателя сводится к определению частоты первого генератора и подстройке второго. Проще всего это сделать с помощью любого радиовещательного приемника с антенным гнездом. Сначала выключите второй генератор, отпаяв, например, вывод эмиттера транзистора VT2 от плюса источника питания. При включенных головных телефонах соедините их нижний по схеме вывод (иначе говоря, коллектор транзистора) через конденсатор емкостью 15...20пФ с антенным гнездом приемника. Включив питание миноискателя, вращайте ручку настройки радиоприемника. В нескольких точках шкалы длинноволнового диапазона вы услышите характерный шум в громкоговорителе или увидете сужение сектора индикатора настройки (он имеется обычно в ламповых радиоприемниках). Разность частот между двумя соседними точками будет соответствовать частоте генератора.
Аналогично проверяют частоту второго генератора, выключив первый. При среднем положении подстроечного сердечника нужно установить подбором конденсатора С5 частоту второго генератора равной частоте первого.
Затем включают оба генератора, вращением подстроечного сердечника добиваются "нулевых биений", а после этого немного поворачивают сердечник назад, чтобы в головных телефонах был слышен звук низкого тока. Такая настройка соответствует максимальной чувствительности устройства. Поднесите поисковую катушку к металлическому придмету- и высота звука изменится.
Во время поиска миноискатель нужно нести на близком расстоянии от поверхности земли и покачивая его из сторона в сторону. Тогда по наибольшему изменению тона в головных телефонах нетрудно определить точное местоположение "мины" или металлического предмета

Обсудить эту статью на форуме (0 ответов).
Вся информация, предоставленная на данном ресурсе разрешена к ознакомлению детям школьного возраста. Все практическое использование может быть связана с повышенной электрической опасностью и разрешено детям только под присмотром взрослых.