Наиболее часто применяемые устройства импульсного (стартерного) зажигания люминесцентных ламп обладают некоторыми существенными недостатками: неопределенным временем зажигания, перегрузкой электродов лампы при ее включении, повышенным уровнем радиопомех. |
![]() |
Как показывает практика, в стартерных устройствах (упрощенная схема одного из них приведена на рис. 1) наибольшему нагреву подвергаются участки нитей накала, к которым подводится сетевое напряжение. Здесь зачастую нить перегорает.
|
![]() |
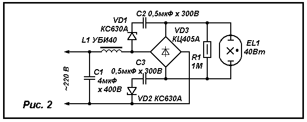
Вот, к примеру, устройство, рассчитанное на питание лампы мощностью до 40 Вт (рис. 2). Работает оно так. Сетевое напряжение подается через дроссель L1 на мостовой выпрямитель VD3. В один из полупериодов сетевого напряжения конденсатор С2 заряжается через стабилитрон VD1, а конденсатор СЗ - через стабилитрон VD2. В течение следующего полупериода напряжение сети суммируется с напряжением на этих конденсаторах, в результате чего лампа ЕL1 зажигается. После этого указанные конденсаторы быстро разряжаются через стабилитроны и диоды моста и в дальнейшем не оказывают влияния на работу устройства, поскольку не в состоянии заряжаться - ведь амплитудное напряжение сети меньше суммарного напряжения стабилизации стабилитронов и падения напряжения на лампе.
|
![]() |
В этом и последующих устройствах пары контактов разъема каждой нити накала можно соединить вместе и подключить к "своей" цепи - тогда в светильнике будет работать даже лампа с перегоревшими нитями.
|
![]() |
Дроссель, служащий балластным сопротивлением, не обязателен в рассматриваемых устройствах питания и может быть заменен лампой накаливания, как это показано на рис. 4. При включении устройства в сеть происходит разогрев лампы EL1 и терморезистора R1. Переменное напряжение на входе диодного моста VD3 возрастает. Конденсаторы С1 и С2 заряжаются через резисторы R2, R3. Когда суммарное напряжение на них достигнет напряжения зажигания лампы EL2, произойдет быстрая разрядка конденсаторов - этому способствуют диоды VD1,VD2.
|
![]() |
Несколько лучший вариант питания мощной люминесцентной лампы - использовать устройство с учетверением выпрямленного напряжения, схема которого приведена на рис. 5. Некоторым усовершенствованием устройства, повышающим надежность его работы, можно считать добавление терморезистора, подключенного параллельно входу диодного моста (между точками 1, 2 узла У1). Он обеспечит более плавное увеличение напряжения на деталях выпрямителя-умножителя, а также демпфирование колебательного процесса в системе, содержащей реактивные элементы (дроссель и конденсаторы), а значит, снижение помех, проникающих в сеть.
|
Питание лампы дневного света постоянным током
Doc
Просмотров: 6096




