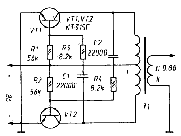
Сегменты люминесцентных индикаторов (ИВ-3, ИВ-6 и др.) можно подключать к информационным выходам счетчиков К176ИЕ4 и К176ИЕЗ и непосредственно - при 9-вольтном питании микросхем яркость свечения индикаторов оказывается вполне достаточной. Однако для питания их накальных цепей требуется другой источник - напряжением 0,8... 1 В,способный отдать ток 40...50 мА на индикатор.
| ||||||||||||||||||||||||||||
![]() | ||||||||||||||||||||||||||||
Преобразователь представляет собой симметричный мультивибратор с трансформаторной нагрузкой. Магнитопровод трансформатора составляют из двух кольцевых сердечников М3000МН 16х10х4,5 мм. Обмотку I наматывают в два провода, она содержит 2х180 витков провода ПЭВ-2 0,12. Среднюю точку обмотки I образуют соединенные вместе конец одной ее половины и начало другой. Обмотку II - 16 витков провода ПЭВ-2 0,44 - наматывают поверх обмотки I. Обе они должны быть распределены по сердечнику равномерно. (Напомним, что феррит М3000МН имеет низкое объемное сопротивление и, будучи хорошим абразивом, легко «включается» в схему. Поэтому острые ребра сердечника нужно предварительно загладить, а затем нанести на него изолирующее покрытие.) В таблице 16 приведена зависимость выходного напряжения Uвых, потребляемого преобразователем тока Iпотр и его КПД h от n - числа подключенных к его выходной обмотке накальных цепей люминесцентных индикаторов типа ИВ-3. Преобразователь способен работать и от источника напряжением 5 В. Для этого нужно уменьшить число витков обмотки I до 2х100 витков провода ПЭВ-2 0,17 и изменить номиналы резисторов и конденсаторов: R1=R2=11 кОм, Таблица 16
|
Преобразователь для питания люминесцентных индикаторов
Doc
Просмотров: 5794
