Радиопередатчик охранной сигнализации

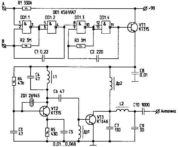
Схема радиопередатчика состоит из:

- генератора частоты 1 кГц на элементах DD1.3, DD1.4;
- генератора инфранизкой частоты на DD1.1; DD1.2;
- эмиттерного повторителя на транзисторе VT1;
- кварцевого автогенератора на транзисторе VT2;
- усилителя мощности на транзисторе VT3.

При подключении охранного шлейфа к точке "А" схемы и общему проводу, радиопередатчик не работает, и вся схема потребляет ток 25 мкА.

При обрыве шлейфа в точке "А" - потенциал логической "1", генератор на DD1.1, DD1.2 "растормаживается" и периодически включает генератор на DD1.3, DD1.4. ЭП на VT1 осуществляет амплитудную модуляцию ВЧ-сигнала.

При номиналах элементов генераторов, указанных на схеме, в приемнике слышен сигнал, похожий на сигнал "занято" АТС. Если необходимо иметь постоянный тон, нужно закоротить точки "А" и "В" схемы (когда устройство используется для радиоуправления).

Сигнал радиопередатчика можно принимать на приемники АМ и ЧМ-сигналов.

Схема работоспособна при напряжении питания 5...15 В.

Кварц ZQ1 применен в корпусе РК169, дроссели намотаны на ферритовых кольцах диаметров 7...10 мм проводом диаметром 0,2...0,3 мм (до заполнения кольца). Катушки L1 и L2 не имеют каркасов. L1 намотана на оправке D=4 мм проводом ПЭВ 0,41 и содержит 14 витков. L2 намотана на оправке D=3 мм проводом ПЭВ 0,8 (7 витков). Число витков L1 и L2 следует считать ориентировочным, т.к. из-за больших допусков емкостей конденсаторов подбора числа витков при настройке не избежать.

Обсудить эту статью на форуме (0 ответов).
Вся информация, предоставленная на данном ресурсе разрешена к ознакомлению детям школьного возраста. Все практическое использование может быть связана с повышенной электрической опасностью и разрешено детям только под присмотром взрослых.