Свет выключается автоматически

Данное устройство предназначено для использования его в прихожей квартиры дляавтоматического выключения света через 30..,90 секунд после его включения кнопкой SB1 (звонковой) или SB2 (внутри квартиры). Этого времени достаточно, чтобы раздеться.

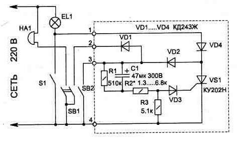
Схема, рис. 1.3, состоит из тиристора VS1, который будет находиться в открытом состоянии в течение времени, пока идет заряд конденсатора С1. Кнопку SB2 можно установить рядом с уже имеющимся в квартире включателем света S1 (включателем удобно пользоваться, если свет нужен надолго, например при наведении порядка). Кнопка SB1 находится снаружи двери и является звонковой. При нажатии на нее зазвенит звонок и включится свет в прихожей на установленный при настройке интервал времени, что позволит при свете подойти к двери.

При работе схемы автомата в режиме освещения, лампа EL1 будет светиться вполнакала, так как она работает на одной полуволне сетевого напряжения, но этого вполне достаточно для освещения, а увеличить яркость можно, увеличив мощность лампочки.

Рис. 1.3

При желании схему легко дополнить еще одной кнопкой — SB3 (включенной параллельно с кнопкой SB2), которая будет связана с дверью и при ее открывании включит свет. Устройство может найти и другие применения, например для включения света в подвале. В этом случае кнопка SB1 и звонок не нужны, а время работы освещения можно увеличить, применив конденсатор С1 большей емкости (в схеме применен конденсатор типа К50-29 на 300 В) или подобрав резистор R2. Для стабильной работы схемы ток утечки у конденсатора должен быть минимальным. В качестве кнопки SB2 удобно использовать любой двухсекционный включатель света, доработав одну секцию для использования ее в качестве кнопки. Для этого под подвижный контакт подкладывается пористая резина, которая не позволит одной секции включателя находиться в фиксированном состоянии после нажатия на нее. Имеющуюся кнопку звонка можно доработать, дополнив ее еще одним контактом, но если у вас есть реле с рабочим напряжением 220 В можно обойтись одной группой контактов. При этом реле включается параллельно со звонком и при его срабатывании своими контактами (работающими вместо второй группы контактов кнопки) разряжает С1.

Топология печатной платы и расположение на ней элементов приведено на рис. 1.4.

Рис. 1.4
Рис. 1.4

По сравнению с другими опубликованными устройствами аналогичного назначения данная схема имеет меньшие габариты, не содержит дефицитных деталей и проще в изготовлении и подключении.

Иногда хочется иметь постоянную подсветку, например в коридоре. Подсветка не потребляет много энергии (7...15 Вт), но экономичней, если она будет работать только в темное время суток. Включать и выключать подсветку вручную не всегда удобно. Тем более что это успешно может выполнять автоматика.

Электрическая схема автоматического включателя приведена на рис. 1.5. Она состоит из усилителя (VT1) сигнала с фотодатчика R2, генератора импульсов на однопереходном транзисторе VT2 и симисторного коммутатора VS1.

Рис. 1.5
Рис. 1.5

Фоторезистор в зависимости от освещенности меняет свое сопротивление от 1 к0м (при максимальном освещении) до сотен кОм (в темноте). Этот сигнал усиливается транзистором VT1, который, как правило, находится в насыщении или закрыт - это зависит от освещенности датчика R2. Если транзистор VT1 закрыт, то работает генератор на транзисторе VT2. Принцип работы генератора основан на свойстве однопереходного транзистора разряжать конденсатор С2 через базу 1 при превышении напряжения на нем порогового значения (база 2). Периодический разряд конденсатора С2 через обмотку 1 трансформатора, формирует во вторичной обмотке импульсы открывания симистора VS1.

Нагрузкой симистора может быть лампа мощностью от 5 до 2000 Вт Сама схема управления потребляет не более 1,3 Вт и для уменьшения габаритов имеет бестрансформаторное питание.

Для нормальной работы схемы необходимо, чтобы фотодатчик раполагался удаленно от зоны освещения.

Нужная чувствительность схемы к освещенности устанавливается резистором R3.

В устройстве применены детали: R2 типа СФ2-19 (ФСК-1), R3 - СП4-1, С1 — К52-1Б на 63 В, С2 — К10-17. Стабилитроны VD2, VD3 допустимо заменить на Д814Б, В, Трансформатор Т1 наматывается проводом ПЭЛШО диаметром 0,18 мм на ферритовом кольце М4000НМ1 типоразмера К16х10х4 мм и содержит в обмотке 1 — 80 витков, 2 — 60 витков. Острые края каркаса кольца закруглить напильником перед намоткой.

Топология печатной платы для схемы и расположение элементов приведена на рис. 1.6 . Радиатор для симистора необходим при работе его на нагрузку мощностью более 1000 Вт.

Корпус может быть любым, из диэлектрических материалов.

Рис. 1.6
Рис. 1.6
Обсудить эту статью на форуме (0 ответов).
Вся информация, предоставленная на данном ресурсе разрешена к ознакомлению детям школьного возраста. Все практическое использование может быть связана с повышенной электрической опасностью и разрешено детям только под присмотром взрослых.