Технология изготовления карманного шокера

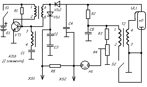
1. VT1 (KT836A)
2. UD1, UD2 (KД105B)
3. H1 (ИН-35)
4. VL1 (ФН2-0,015)
5. S1 (ПМД 1)
6. S2 (МП- 7)
7. R1 (300 Om), R2 (240 KOm), R3 (510 KOm), R4 CП3- 220 (1,0 MOm), R5 (1,0 MOm)
8. C1 K50-6 (50 в 1,0 мкф), С2, С3, К50-35 (160 в 22 мкф), С4 К50-17 (400 в 150 мкф), С5 К73-24 (250 в 0,068 мкф)
ТРАНСФОРМАТОРЫ:
9. Т1 Броневой сердечник Б18 из феррита 2000НМ (без зазора). Сначала на каркас наматывают виток к витку повышающую обмотку 5-6 - 1350 витков провода ПЭВ-2 д=0,07мм с изоляцией, пропарафинированной тонкой бумагой через каждые 450 витков. Поверх укладывают двойной слой параф. бумаги, затем наматывают обмотки.
1-2 - 8 витков ПЭВ-2 д= 0,3 мм.
3-4 - 6 витков ПЭВ-2 д= 0,3 мм.
опустимо использование сердечника Б14 из феррита 2000НМ.
Т2 Стержневой сердечник д= 2,8, L= 18 мм из феррита 2000 НМ. На сердечник крепят щечки из электроизоляционного материала (стеклотекстолит, картон) толщиной 0,5- 0,8 мм, затем наматывают повышающую обмотку 3-4 - 200 витков ПЭЛШО д=0,1 мм (через 100витков изоляция двумя слоями лакотня). Поверх нее 1-2 - 20 витков ПЭВ-2 д=0,3. Выход 4 повышающей обмотки припаивается к проводу МГТВ (сечение 0,7 кв.мм), идущему к поджигающему электроду импульсной лапы VT1.
Детали "ЗАЩИТНИКА" смонтированы на печатной плате из фольгированного стеклотекстолита толщиной 0,8- 1,5 мм и размерами 54- 90 мм. Элементы питания расположены на плате между контактами пластинами из пружинистогй бронзы или латуни. Корпус выполнен из ударопрочного полистирола: габариты- 98 х 62 х 28 мм. Высота изоляционного основания электродной системы- 22мм. Электроды XS1 и XS2 выступают над основанием на 3 мм, расстояние между ними- 10мм.
При опасности включите S1, через 2-3 секунды напряжение на электродах достигнет 300 в. и прикосновением к открытым участкам тела вызовет электроудар. Нажимать на кнопку поджига импульсной лампы S2 с целью ослепления следует не ранее загорания индикатора Н1.
Эффективность применения прибора самообороны максимальна в случае нанесения электроудара сразу после ослепления вспышки!
Обсудить эту статью на форуме (0 ответов).
Вся информация, предоставленная на данном ресурсе разрешена к ознакомлению детям школьного возраста. Все практическое использование может быть связана с повышенной электрической опасностью и разрешено детям только под присмотром взрослых.