Управление освещением с любого пульта ДУ

В продаже уже появились импортные устройства аналогичного назначения, но по достаточно высокой цене. Такое приспособление при желании несложно сделать самостоятельно, причем без больших материальных затрат.

Привычной частью современного телевизора или музыкального центра является пульт дистанционного управления (ДУ) на ИК-лучах. Таким пультом можно также управлять и освещением с помощью небольшой приставки. При этом нажимается одна из кнопок (редко используемых). Предлагаемое устройство позволяет с любого пульта ДУ на расстоянии до 5 м включать и выключать нагрузку, например освещение.

Обычно для управления работой телевизора приходится держать нажатой кнопку пульта не более 1 с. Предлагаемое устройство выполняет переключение нагрузки, если кнопка на пульте нажата в течение времени более 2 с. Этот алгоритм выделения команды для управления переключением позволяет значительно упростить электрическую схему.
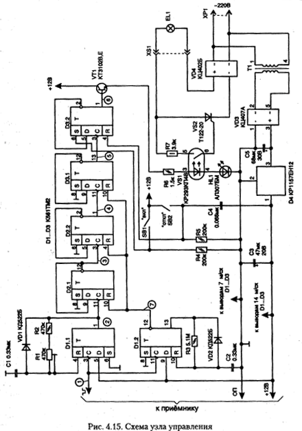
Устройство состоит из приемника ИК-импульсов, рис. 4.14, и блока управления, рис. 4.15. В качестве приемника можно взять любую из типовых схем, применяемых в телевизорах для ДУ. Узел управления собран на трёх КМОП микросхемах и состоит из формирователя широких импульсов (D1.1), селектора двухсекундного временного интервала (D1.2) и двоичных счетчиков на элементах триггеров D2...D3. Кнопки SB1 и SB2 позволяют включать и выключать нагрузку без пульта ДУ.
Индикатором срабатывания последнего триггера (D3.2) является свечение светодиода HL1. Оптронный ключ VS1 обеспечивает электрическую развязку блока управления от сети 220 В, что позволяет получить хорошую устойчивость схемы к помехам.


Вместо оптрона оконечный каскад управления лампой можно выполнять на обычном симисторе по схеме, показанной на рис. 4.16.
На рис, 4.17 приведены диаграммы напряжений в контрольных точках, поясняющие работу блока управления. В начальный момент подачи питания на схему, цепь из элементов C4-R5 обеспечивает установку триггера в D3.2 в исходное состояние (лог. "0" на выходе 1).
При нажатой кнопке на пульте ДУ из приходящих пачек импульсов на входы элементов D1.1 и D1.2 формируются более широкие. Триггер D1.2 через 2 с обеспечивает установку счетчиков D2, D3,T в исходное состояние (формирует импульс обнуления на выходе D1/12).

Схема устройства не критична к выбору деталей и их номиналы могут отличаться от указанных на 30%. Все постоянные резисторы применены типа МЛТ, подстроечный R1 — типа СП4-1. Неполярные конденсаторы типа К10-17, электролитические С3 и С5 (для приемника С1, С2 и С5, С6) типа К53-16. Диоды КД522 можно заменить любыми импульсными. Стабилизатор напряжения D4 (импортный аналог 78L12) заменяется более распространенным из серии КР142ЕН8Б.
Трансформатор Т1 типа ТП112-8-1, но также подойдет любой из тех, что применяется в отечественных телевизорах для питания в дежурном режиме или в игровых приставках типа ДЕНДИ; Необходимое напряжение вторичной обмотки — 15...20 В, и ток — не менее 10 мА.
При подключении вместо оптронного ключа симистора, импульсный трансформатор Т2 выполняется на ферритовом кольце типоразмера К16x10x4 мм марки М4000НМ1 или М2000НМ проводом ПЭЛШО диаметром 0,18 мм и содержит в обмотке 1 — 80 витков, 2 — 60 витков. Перед намоткой острые грани сер-дечника необходимо закруглить надфилем, иначе они прорежут провод и будет замыкание между обмотками.

Конструктивно все устройство собрано в корпусе с размерами 110x88x44 мм. Печатная плата приемника ИК-импульсов, рис. 4.18, помещается в экран из медной фольги, что необходимо для исключения влияния помех. Для монтажа схемы блока управления использована универсальная макетная плата, а соединения выполнялись проводами.
Приставка проверена в работе с пультами ДУ от импортных телевизоров разных фирм — AKAI, SAMSUNG, PANASONIC. Но так как у каждого пульта свое соотношение между длительностью кодовой посылки и интервалом, для четкого срабатывания переключения может потребоваться подстройка схемы резистором R1 (или подбора номинала конденсатора С1).

Обсудить эту статью на форуме (0 ответов).
Вся информация, предоставленная на данном ресурсе разрешена к ознакомлению детям школьного возраста. Все практическое использование может быть связана с повышенной электрической опасностью и разрешено детям только под присмотром взрослых.