Устройство тревожной сигнализации

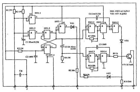
Это устройство позволяет осуществлять охрану различных объектов. При его срабатывании подаются звуковой и световой сигналы. Возможна также подача сигнала на централизованный пульт наблюдения.

Звуковой сигнал ограничен по времени 1 ≈ 2 мин. Его длительность определяет емкость СЗ. Совместно с устройством возможно применение любых датчиков, работающих на размыкание. При значительной длине охранного шлейфа в устройстве устанавливается Сф емкостью от 1000 до 10000 пФ. После включения устройство через 30 ≈ 40 сек. переходит в режим охраны, при этом заметно неяркое свечение сигнализатора. При кратковременном нарушении целостности шлейфа система переходит в режим подачи тревожного сигнала. Частота вспышек устанавливается R7, тональность звукового сигнала ≈ R8. Источник питания (9 ≈ 12В) подключается к клеммам 2(+) и З(-). Охранный шлейф ≈ к клеммам 1 и 2. Световой сигнализатор (АЛ307БМ) ≈ к клеммам 5 <+) и 3 (-). Звуковой излучатель (R10 Ом) ≈ к клеммам 2 и 6. Выход на пульт наблюдения ≈ к клеммам 4 (+) и 3 (-).

 

Обсудить эту статью на форуме (0 ответов).
Вся информация, предоставленная на данном ресурсе разрешена к ознакомлению детям школьного возраста. Все практическое использование может быть связана с повышенной электрической опасностью и разрешено детям только под присмотром взрослых.