|
Для автоматического управления режимом работы различных бытовых электроприборов или радиоаппаратуры в домашних условиях, а также на производстве иногда бывает необходимо иметь времязадающий автомат. Например, такое устройство может по заданной программе управлять поливом растений на дачном участке в течении всей недели, пока вы работаете в городе. Циклический таймер легко выполнить на основе цифровых часов с кварцевой стабилизацией частоты. Использовать для изготовления управляющего автомата уже готовые цифровые часы промышленного изготовления неудобно, так как у них выходные сигналы рассчитаны на управление индикаторами в динамическом режиме, что затрудняет подключение узла управления. Наиболее часто в опубликованных конструкциях для изготовления электронных часов используют специально разработанную для этих целей еще в 70-х годах 176-ю серии МОП микросхем. В настоящее время они являются устаревшими и имеют существенные недостатки: невысокую надежность; номинальное рабочее напряжение +9...12 В (при меньшем могут неустойчиво работать); узкий диапазон рабочих температур (-10...+70°С). Предлагаемое устройство выполнено в основном на микросхемах 561-й КМОП серии и лишено всех этих недостатков. Хотя при этом схема содержит больше микросхем и получается сложнее, но она работает при меньшем питающем напряжении, а также позволяет добиться более высокой точности хода часов. Электрическая схема обеспечивает индикацию текущего времени (часы и минуты) и дня недели. Имеется индикация секундных импульсов, а также предусмотрена возможность контроля работы программы (суточного цикла) в ускоренном режиме. Основным источником питания устройства является сеть 220 В. В дежурном режиме схема часов потребляет микроток, что обеспечивает ее длительную работу от резервных элементов питания (аккумулятора) в случае отключения основного источника. Учитывая, что в часах больше всего потребляют энергии светодиодные индикаторы и микросхемы, ими управляющие, эти элементы подключены так, что в случае исчезновения сетевого напряжения они обесточиваются, а от аккумулятора питание подается только на КМОП микросхемы. Применение в часах светодиодных индикаторов позволяет сделать видимым время даже при слабом освещении. Приведенный вариант устройства позволяет управлять по двум каналам сетевой нагрузкой мощностью до 10 кВт (ток 5 А). Число каналов легко увеличивается до 10 путем подключения дополнительных микросхем памяти. Кроме того, схема при монтаже легко поддается изменению своих характеристик в зависимости от тех задач, которые необходимо выполнить, например, все каналы или один из них может работать в недельном цикле (для выходных дней записывать свою программу управления, если два входа старших разрядов А11 и А12 микросхемы памяти подключить к выходам счетчика дней недели - DD9). Дискретность установки необходимого временного интервала составляет 2 мин (или 10 мин при использовании недельного цикла).
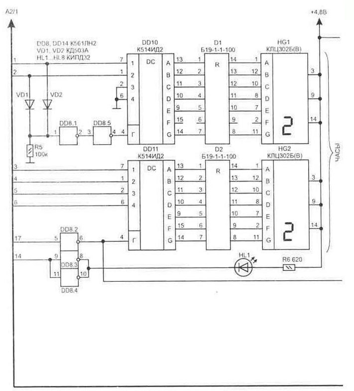
Структурная схема автомата показана на рис. 1.47. Устройство для удобства представления условно разделено на следующие узлы: А1 - кварцевый автогенератор с делителем частоты до минутных импульсов, рис.1.48; А2 - делители частоты для получения отсчета времени в минутах и часах, рис.1.49; A3 - узел индикации текущего времени и дня недели, рис. 1.50; А4 - узел установки временных интервалов для управления работой внешних устройств, рис. 1.51; А5 - электрическая схема источника питания, рис. 1.52. Формирователь минутных импульсов (А1) выполнен на микросхемах DD1.1, DD2. Частота стабилизирована кварцевым резонатором ZQ1 на 32768 Гц. Для того чтобы обеспечить устойчивую работу счетчика DD2 при пониженном напряжении питания, задающий автогенератор выполнен на внешнем элементе DD1.1. Счетчики внутри микросхемы DD2 делят частоту до формирования минутных импульсов.
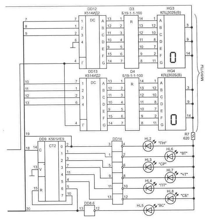
С выхода DD2/10 минутные импульсы поступают на счетчики с коэффициентом деления 60 (минуты) DD3 и 24 (часы) DD5, DD6 (рис. 1.49). Логические элементы DD4 и DD7 обеспечивают необходимые коэффициенты деления у счетчиков за счет их обнуления в нужный момент по входам R. Нажатие кнопки "установка" (SB1) также формирует импульс обнуления всех счетчиков, а с выхода элемента DD1/11 передний фронт импульса устанавливает в счетчики DD5, DD6 начальное число 22-00 (при появлении импульса на выводах DD5/1, DD6/1 производится запись двоичного кода, установленного на входах D1...D4 микросхем). Время для начальной установки при изготовлении устройства можно выбрать (перемычками в двоичном коде) любым из тех чисел, что вам наиболее удобны. Применение всего одной кнопки для установки времени позволяет упростить схему. Эта же кнопка при очередном нажатии переключает день недели, так как импульсы поступают через элемент DD1.4 на вход счетчика дней DD9/14, рис. 1.50. Конденсатор С- устраняет дребезг контактов кнопки при формировании импульса на переключение счетчика дня недели. Переключатель SA1 позволяет проверить работу часов и установленной программы управления в ускоренном режиме (положение "ускорение"), когда используется повышенная частота с выхода DD2/6. Схема узла индикации состоит из дешифраторов двоичного кода (DD10...DD13) в семисегментный код, необходимый для управления работой цифровых индикаторов, выполненных на основе светодиодов. На рис. 1.51 показано соответствие входных сигналов сегментам индикатора. Резисторные матрицы D1...D4 ограничивают ток через светодиоды индикаторов, а диоды VD1, VD2 и элементы микросхемы DD13.1-DD13.2 обеспечивают формирование сигнала гашения старшего разряда в часах, когда на обоих входах DD10 нулевой уровень (при лог. "0" на DD10/4 индикатор светиться не будет). По этой причине сегмент F в индикаторе HG1 можно не подключать. Светодиод HL1 мигает с частотой 1 Гц, а из светодиодов HL2...HL8 будет светиться только один, соответствующий дню недели .(элементы микросхемы DD14 позволяют обеспечить необходимый для свечения светодиодов ток). В цепях снижения потребляемого тока от источника питания на остальные входы гашения индикаторов DD11/4...DD13/4 подаются импульсы, но из-за инерции зрения это не заметно. Узел установки временных интервалов, рис. 1.52, собран на микросхемах оперативных запоминающих устройств (О-У) из серии 537. Они изготовлены по КМОП технологии, что обеспечивает длительную работу схемы от автономного источника питания (сохраняют содержимое памяти, пока есть питание). Количество микросхем памяти может быть увеличено до необходимого числа каналов управления. Так как оба канала управления нагрузкой выполнены аналогично, рассмотрим функционирование на примере одного. Схема предусматривает индивидуальную запись информации в каждую из микросхем памяти. Работу данной микросхемы памяти поясняет табл. 1.4.
Таблица 1.4. Таблица истинности для микросхемы 537РУ2
где х - любое значение логического сигнала, т.е. лог. "0" или лог. "1". На входы адресов А0...А11 поступает двоичный код с выходов счетчиков часов и минут, а если надо, то и дней недели. Для записи нужной программы в канапе 1 (DD15) необходимо выполнить действия в следующей последовательности: 1) переключатель SA1 устанавливается в положение "ускорение" цикла - в этом случае сигнал на вход счетчика DD3/2 подается с DD2/6 и часы проходят суточный цикл примерно за 12 мин; 2) включить переключатель "-АП", для канала 1 это будет SA4 - в этом случае микросхема О-У работает в режиме записи состояния на входе DI (лог. "0"); 3) нужно дождаться момента индикации на часах необходимого времени включения нагрузки и в этот момент включить SA2 ("ПР1") - на интервал, в течение которого нагрузка должна работать (происходит запись лог. "1"); 4) после окончания записи всего цикла переключатель SA4 вернуть в исходное положение (режим чтения) и по часам проверить срабатывание реле К1 на нужных интервалах времени; 5) вернуть все переключатели в исходное положение (как это показано на схеме) и кнопкой SB1 установить день недели и точное время. Теперь на выходе D0 микросхемы (DD15/7) будет присутствовать уровень лог. "1" только в течение нужных интервалов времени. Этот сигнал открывает транзистор VT1 и срабатывает реле К1, включая своими контактами К1.1 нагрузку на гнездах XS1. Схема предусматривает также ручное управление включением нагрузки в любой момент времени при помощи трехпозиционных переключателей SA6 и SA7, рис. 1.52. Светодиоды HL9, HL10 являются индикаторами включения нагрузки в соответствующем канале. Для питания устройства от сети выполнен источник питания по схеме, показанной на рис. 1.53. Трансформатор Т1 подойдет унифицированный, типа ТПП255-127/220-50 или ТПП255-220-50, но его можно изготовить и самостоятельно, воспользовавшись методикой расчета, приведенной в литературе, например Л20, стр. 167. Ток потребления по цепи 4,8 В составляет 0,35...0,55 А, по цепи 30 В - зависит от числа реле и для двух обычно не превышает 120 мА. Для получения высокой точности хода часов использован стабилизатор напряжения (DA1). Он может быть также собран по схеме, приведенной в разделе источников питания на рис. 4.3. Конденсаторы С8 и С9 располагаются вблизи от логических микросхем, а С7 установлен рядом с выводами стабилизатора (лучше, если оксидные конденсаторы использовать танталовые). В качестве резервного источника питания (G1) подойдут 4 аккумулятора типа Д-0,115 или Д-0.26Д. Диод VD13 предотвращает разряд элементов через схему стабилизатора при отключении сетевого питания. А в нормальном режиме через него происходит подзаряд аккумуляторов. Включатель SA8 служит для исключения полного разряда аккумулятора при отключении часов на длительное время. Питание на выводы микросхем подается в соответствии с табл. 1.5. Таблица 1.5. Питающее напряжение на микросхемах
Печатная плата для сборки часов не разрабатывалась. Монтаж выполняется на универсальной макетной плате (лучше, если она будет предусматривать установку любых микросхем - с планарным и обычным расположением выводов). Конструктивно узлы А1 и А2 удобно располагать на одной плате, соединяемой с блоком индикации A3 через 32 контактный разъем (например, типа РП 15-32). Аккумуляторы закрепляются так, чтобы к ним был легкий доступ, так как раз в год с поверхности элементов необходимо удалять выступающий налет. Уменьшить габариты платы и всего устройства можно, если вместо серии 561 применять аналогичные микросхемы с планарным расположением выводов из серии 564, но они стоят значительно дороже. Для сборки устройства резисторы подойдут любого типа. Резисторные сборки D1 ...D4 можно заменить обычными резисторами сопротивлением 100...120 Ом и мощностью 0,125...0,25 Вт. Конденсаторы С1, С2 должны иметь малый ТКЕ (М47, М75); С- типа К10-17; оксидные С4...С8 - К53-1. Кварцевый резонатор ZQ1 подойдет любого типа - они широко распространены, так как специально выпускаются для применения в часах. Диоды VD1, VD2 подойдут любые импульсные; выпрямительные диоды VD3...VD12 могут быть любого типа на ток не менее 1 А, но лучше применять КД257 или КД258 (последняя буква в обозначении для данной схемы может быть любая), так как у них есть очень полезные свойство: в случае возникновения неисправности в схеме диоды при перегрузке лопаются и разрывают цепь, выполняя роль предохранителя, что делает такой источник питания безопасным даже в аварийной ситуации. Светодиоды HL1...HL10 лучше применять из серии КИПД05А (Б, В - с разным цветом свечения) - они при токе около 1 мА светятся достаточно ярко. Цифровые индикаторы HG1...HG4 могут быть использованы АЛС321Б или АЛС324Б, но они имеют меньше высоту цифр (8 мм) в отличие от указанных на схеме (18 мм). Микросхема DA1 должна устанавливаться на радиаторе. Микросхемы памяти DD15, DD16 заменяются на 537РУ6. Реле К1, К2 использованы польского производства, но подойдут многие другие на рабочее напряжение обмотки 24...27 В и допускающие прохождение тока через контакты 5 А. Микропереключатели SA1 ...SA5 типа ПД9-2 или ПД9-1; SA6, SA7 - типа ПД21 -3. При первоначальной проверке работы схемы ее лучше питать от лабораторного источника, контролируя потребляемый ток. Настройка устройства при правильном монтаже заключается в установке на выходе источника питания напряжения 4,8 В и проверке работы записанных в память программ. Для получения высокой точности хода часов потребуется также точная подстройка при помощи конденсатора С1 частоты автогенератора по частотомеру. Частоту можно контролировать на выходе DD2/13 - она должна соответствовать 32768,0 Гц. Точно подстроить автогенератор можно и без частотомера, контролируя за месяц отклонение хода часов по секундной стрелке в телевизоре, но это займет довольно много времени. Установку любого времени можно выполнить и не используя кнопку SB1. Для этого потребуется переключатель SA1 установить в положение "ускорение" и дождавшись, когда на индикаторе будет нужное числовое значение, вернуть переключатель в обычное положение. Но такой метод установки времени менее точный, так как в этом случае счетчики секундных импульсов могут иметь произвольное значение числа.
|
||||||||||||||||||||||||||||||||||||||||||||||||||||||||||||||||||||||||||||||||||||||||||||||||||||||||
Часы для автоматического управления устройствами
Doc
Просмотров: 5657

