Тиристорный замок

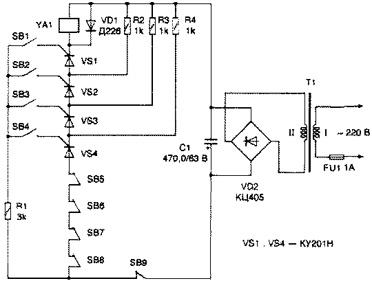
 Замок рассчитан на управление восемью кнопками, находящимися на наружной стороне двери. Устройство просто в управлении, изготовлении и налаживании. Принципиальная схема замка приведена на рис. 6. 12.
Кнопки SB1 ≈ SB4, работающие на замыкание, служат для набора установленного кода, а кнопки SB5 ≈ SB8, работающие на размыкание, ≈ для приведения устройства в исходное состояние, например в случае ошибочного набора кода или его подбора.

Замок срабатывает только при одновременном открывании всех тиристоров VS1≈VS4. Добиться этого можно последовательным нажатием кнопок SB4, SB3, SB2 и SB1. При другой последовательности нажатия этих кнопок не все тиристоры будут открыты и, следовательно, открыть дверь не удастся. Исключение составляет случай, когда одновременно нажаты все четыре кнопки SB1≈ SB4. В случае нажатия на любую из кнопок SB5≈SB8 цепь питания электромагнита YA1 обрывается и устройство приводится в исходное состояние. Тоже произойдет и при нажатии всех кодовых кнопок SB1≈SB8. Кнопка SB9 служит для приведения замка в исходное состояние после открывания двери. Замок питается от сети переменного тока напряжением 220 В через трансформатор Т1 и двухполупериодный выпрямитель VD2. Для питания замка может быть использован любой блок питания с выходным напряжением 12≈60 В, в зависимости от типа используемого электромагнита.

При безошибочном монтаже замок налаживания не требует.

Обсудить эту статью на форуме (0 ответов).
Вся информация, предоставленная на данном ресурсе разрешена к ознакомлению детям школьного возраста. Все практическое использование может быть связана с повышенной электрической опасностью и разрешено детям только под присмотром взрослых.