Наиболее часто применяемые устройства импульсного (стартерного) зажигания люминесцентных ламп обладают некоторыми существенными недостатками: неопределенным временем зажигания, перегрузкой электродов лампы при ее включении, повышенным уровнем радиопомех.

Как показывает практика, в стартерных устройствах (упрощенная схема одного из них приведена на рис. 1) наибольшему нагреву подвергаются участки нитей накала, к которым подводится сетевое напряжение. Здесь зачастую нить перегорает.
Более перспективны - безстартерные устройства зажигания, где нити накала по своему прямому назначению не используются, а выполняют роль электродов газоразрядной лампы - на них подается напряжение, необходимое для поджига газа в лампе.

Вот, к примеру, устройство, рассчитанное на питание лампы мощностью до 40 Вт (рис. 2). Работает оно так. Сетевое напряжение подается через дроссель L1 на мостовой выпрямитель VD3. В один из полупериодов сетевого напряжения конденсатор С2 заряжается через стабилитрон VD1, а конденсатор СЗ - через стабилитрон VD2. В течение следующего полупериода напряжение сети суммируется с напряжением на этих конденсаторах, в результате чего лампа ЕL1 зажигается. После этого указанные конденсаторы быстро разряжаются через стабилитроны и диоды моста и в дальнейшем не оказывают влияния на работу устройства, поскольку не в состоянии заряжаться - ведь амплитудное напряжение сети меньше суммарного напряжения стабилизации стабилитронов и падения напряжения на лампе.
Резистор R1 снимает остаточное напряжение на электродах лампы после выключения устройства, что необходимо для безопасной замены лампы. Конденсатор C1 компенсирует реактивную мощность.

В этом и последующих устройствах пары контактов разъема каждой нити накала можно соединить вместе и подключить к "своей" цепи - тогда в светильнике будет работать даже лампа с перегоревшими нитями.
Схема другого варианта устройства, рассчитанного на питание люминесцентной лампы мощностью более 40 Вт, приведена на рис. 3. Здесь мостовой выпрямитель выполнен на диодах VD1-VD4. А "пусковые" конденсаторы C2, C3 заряжаются через терморезисторы R1, R2 с положительным температурным коэффициентом сопротивления. Причем в один полупериод заряжается конденсатор С2 (через терморезистор R1 и диод VDЗ), а в другой - СЗ (через терморезистор R2 и диод VD4). Терморезисторы ограничивают ток зарядки конденсаторов. Поскольку конденсаторы включены последовательно, напряжение на лампе EL1 достаточно для ее зажигания.
Если терморезисторы будут в тепловом контакте с диодами моста, их сопротивление при нагревании диодов возрастет, что понизит ток зарядки.

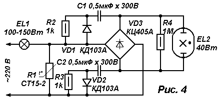
Дроссель, служащий балластным сопротивлением, не обязателен в рассматриваемых устройствах питания и может быть заменен лампой накаливания, как это показано на рис. 4. При включении устройства в сеть происходит разогрев лампы EL1 и терморезистора R1. Переменное напряжение на входе диодного моста VD3 возрастает. Конденсаторы С1 и С2 заряжаются через резисторы R2, R3. Когда суммарное напряжение на них достигнет напряжения зажигания лампы EL2, произойдет быстрая разрядка конденсаторов - этому способствуют диоды VD1,VD2.
Дополнив обычный светильник с лампой накаливания данным устройством с люминесцентной лампой, можно улучшить общее или местное освещение. Для лампы EL2 мощностью 20 Вт EL1 должна быть мощностью 75 или 100 Вт, если же EL2 применена мощностью 80 Вт, EL1 следует взять мощностью 200 или 250 Вт. В последнем варианте допустимо изъять из устройства зарядно-разрядные цепи из резисторов R2, R3 и диодов VD1, VD2.

Несколько лучший вариант питания мощной люминесцентной лампы - использовать устройство с учетверением выпрямленного напряжения, схема которого приведена на рис. 5. Некоторым усовершенствованием устройства, повышающим надежность его работы, можно считать добавление терморезистора, подключенного параллельно входу диодного моста (между точками 1, 2 узла У1). Он обеспечит более плавное увеличение напряжения на деталях выпрямителя-умножителя, а также демпфирование колебательного процесса в системе, содержащей реактивные элементы (дроссель и конденсаторы), а значит, снижение помех, проникающих в сеть.
В рассмотренных устройствах используются диодные мосты КЦ405А или КЦ402А, а также выпрямительные диоды КД243Г-КД243Ж или другие, рассчитанные на ток до 1 А и обратное напряжение 400 В. Каждый стабилитрон может быть заменен несколькими последовательно соединенными с меньшим напряжением стабилизации. Конденсатор, шунтирующий сеть, желательно применить неполярный типа МБГЧ, остальные конденсаторы - МБМ, К42У-2, К73-16. Конденсаторы рекомендуется зашунтировать резисторами сопротивлением 1 МОм мощностью 0,5 Вт. Дроссель должен соответствовать мощности используемой люминесцентной лампы (1УБИ20 - для лампы мощностью 20 Вт, 1УБИ40 - 40 Вт, 1УБИ80-80ВТ). Вместо одной лампы мощностью 40 Вт допустимо включить последовательно две по 20 Вт.
Часть деталей узла монтируют на плате из одностороннего фольгированного стеклотекстолита, на которой оставлены площадки для подпайки выводов деталей и соединительных лепестков для подключения узла к цепям светильника. После установки узла в корпус подходящих габаритов его заливают эпоксидным компаундом.