Часы будильник с таймером обратного отсчета YCL-6

YCL-6

YCL-6
Принцип работы

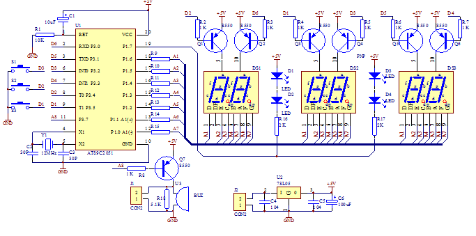
Схема состоит в основном по схеме однокристальных, индикатор цепи, ввод с клавиатуры, сигнальной цепи звон и цепи питания.
Схема 1.single-чип: Он основан на AT89C2051, который в том числе сброса по включению питания и схемы синхронизации.

 

Дисплей

Основной компонент 2-битный цифровой трубки в красный цвет. Драйвер использует транзистор PNP и он оснащен токоограничивающие сопротивления на каждом порту. Это с сканирования приводом образом и использует P1.0 ~ P1.6. Двоеточие часть использование четыре части диода в Φ3 красного с сканирования приводом образом. И он использует P1.7.

 

Клавиатура

Ключ S1 ~ S3 являются с оборотной функции, которая повторно с дисплея части P3.5, P3.4 и P3.2. А вот принцип работы.
Выход высокого уровня в соответствующих PIN считывать состояние клавиш и дребезга через систему однокристальных дать ключи с соответствующей стоимости.

 

Звук

Он состоит зуммером и PNP транзистора. И принцип действия, что звонок будет отправить звук в фиксированной частоте после транзистор PNP включается. Это с независимой порта приводом образом и использует P3.7. J1 используется для подключения extrocontrol оборудования, которые будут выводить низкий уровень, когда нет звон сигнала, или высокий уровень с звон сигнал.

 

Питание

Это состоит из трех терминалов интегральной схемы, которая будет поставлять всю систему со стабильным напряжением.

 

Управление

S3 является для функции Выбор ключевых направлений, S2 для расширения функций и S1 для добавления значения с одним.

 


Он хорошо работает, если все компоненты сварены в правильном направлении. И работает DC напряжение - 12V. Пожалуйста, обратите внимание на полярность при подключении питания. В ходе операции, ниже шесть функций могут быть выбраны, чтобы работать, если нажать S3, непрерывно в течение короткого времени. И интервал меньше 1 секунды. Или он идет к функции часов, если нажать S3 в течение более 2 секунд.

Функция часов: Он отображает 10:10:00 когда он находится на.
Время проверки функции: Время и толстой кишки начинают мигать После нажатия S3 в течение короткого времени. Нажмите S2 для добавления одного часа и Преэ S1 добавить 1 минуту. Но во второй раз это регулировать.
Тревожный Функция: отображает 22:10:00 и толстой кишки огни после пресс-S3 дважды в течение короткого времени. Нажмите S2 для добавления одного часа и Преэ S1 добавить 1 минуту. Но во второй раз это регулировать. Когда значение часа закончилась 23:00, он отображает :: которой является функция выключить тревожной функции.
Обратный отсчет Функция: отображает O и кишечник в темно после пресс-S3 три раза в течение короткого времени. Время час добавляют после нажатия S2 и 1 минута добавляется после нажатия S1. Это начнем отсчет времени после пресс-S2 в шестой раз. Время можно регулировать после нажатия кнопки S2 еще на один момент. И функция обратного отсчета выключен.
Секундомер Функция: отображает 00:00:00 и толстой кишки фары после пресс-S3 четыре раза в течение короткого времени. Это начинает разгон с секундомером после нажатия S2. А если нажать S2 еще раз, синхронизация будет конец. И секундомер идет сбросить статус после нажатия S1 в это время.

Счетчик: Он отображает 00:00:00 и кишечник в темно после пресс-S3 пять раз в течение короткого времени. Нажмите S2, чтобы добавить значение с одним для счетчика и Pree S1, чтобы счетчик в состоянии сброса.

 

Обсудить эту статью на форуме (0 ответов).
Вся информация, предоставленная на данном ресурсе разрешена к ознакомлению детям школьного возраста. Все практическое использование может быть связана с повышенной электрической опасностью и разрешено детям только под присмотром взрослых.