Путевые велосипедные приборы неоднократно описывались в различных статьях. Все они были реализованы либо на дискретных компонентах или на микросхемах цифровой логики, что создавало громоздкость и ненадежность устройств, при этом практически было невозможно без аппаратного вмешательства сменить параметры или внедрить дополнительные функции. Предлагаемая конструкция принципиально отличается от ранее описанных благодаря применению однокристальной микроЭВМ (контроллера) схема содержит минимум компонентов, а все логические элементы, счетчики и т.д. заменены программно.
Управляющая программа обеспечивает:
- Одновременное измерение расстояния и пройденного пути с выводом на ЖКИ дисплей
- Измерение скорости 0-99 км/ч
- Измерение расстояния до 655350 метров с шагом 10 м.
- Запись пройденного пути в энергонезависимую память данных (EEPROM) с целью продолжения дальнейшего измерения
- Корректировку погрешности измерения расстояния
- Подстройку под любой велосипед посредством меню «Установки» и сохранением параметров в EEPROM
- Напряжение питания 9 В
- Потребляемый ток 2,5 мА
- Часы
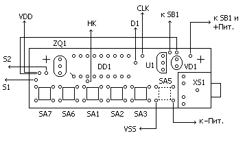
Принципиальная схема (рис.1.). Параметрический стабилизатор напряжения +1,5 В для питания ЖКИ дисплея собран на светодиоде VD1 и резисторе R1. В зависимости от типа светодиода, номинал R1 возможно придется подобрать для получения +1,5 В. Электролитический конденсатор C1 служит для сохранения напряжения питания часов ЖКИ на короткое время при смене батареи, и в принципе может быть исключен. При его же замене на ионистор (электролитический конденсатор очень большой емкости и малых габаритах) станет возможным весьма длительно сохранять питание часов (ионистора на 0,022 Ф хватает на пол часа питать ЖКИ, единственный недостаток в том, что полностью разряженный ионистор долго будет заряжаться из за большого сопротивления R1 до напряжения 1,5 В). На резисторах R2-R5 собрана схема преобразования уровней сигналов управления ЖКИ. Кнопки управления SA1-SA3, SA5 и датчик-геркон SA4 подключены к выводам порта B контроллера и нагружены на встроенные «подтягивающие» к +Пит. сопротивления. Резистор R6 нужен теоретически, для увеличения тока проходящего через контакты геркона SA4 и соответственно уменьшения наводок на провод идущий к датчику-геркону (ну правда, откуда на велосипеде импульсные помехи ?? ;-). Датчик-геркон подключается к устройству посредством разъема XS1, и реагирует на магнитное поле перемещающихся постоянных магнитов укрепленных на спицах колеса. Лучше использовать 2 и более постоянных магнита, так как увеличение их количества уменьшит время необходимое для измерения скорости и увеличит точность измерения расстояния. Резистор R7 в цепи вывода сброса контроллера (выв. 4) служит для ограничения втекающего тока и в принципе может быть исключен, в этом случае выв.4 можно просто подключить на +5 В. Кварцевый резонатор ZQ1 подключен ко встроенному генератору контроллера и обеспечивает стабильность отсчета времени в программе. Конденсаторы C4 C5 раскачки генератора могут отличатся от указанных емкостей на + 10 пФ и особого влияния на работу генератора не оказывают. Стабилизатор напряжения U1 питания контроллера обеспечивает +5 В при изменении со временем напряжения батареи типа «Крона».
Детали. ЖКИ индикатор десятиразрядный со встроенным контроллером HT1610 от импортных телефонов. Светодиод VD1 малогабаритный, красного свечения. Подойдут любые модификации контроллера PIC16F84 в DIP корпусе. Кнопки малогабаритные мембранного типа. Кварцевый резонатор лучше применить с тремя выводами, он со встроенными конденсаторами, при его использовании C4 и C5 не нужны. Частота кварца несущественна, она может находиться в пределах 3,5-4,5 МГц и корректируется программно при наладке. Для подключения датчика использован разъем который обычно служит для подключения наушников. Все пассивные компоненты типа SMD (компоненты для поверхностного монтажа) использованы в целях уменьшения габаритов конструкции.
Конструкция. Устройство выполнено на печатной плате (рис.2) размерами 66х21 мм из фольгированного стеклотекстолита толщиной 1,5 мм. Все соединения выполнены монтажным проводом МГТФ. Под контроллер DD1 необходимо установить панельку для его извлечения при программировании. Кнопку SA5 можно не устанавливать, она предусмотрена для будущих, более функциональных версий программы.



Настройка и управление. После установки всех деталей кроме ЖКИ и контроллера на плату необходимо проверить наличие +5 В на выходе стабилизатора и +1,5 В на аноде светодиода VD1. При наличии этих напряжений подпаять ЖКИ и подать питание, при этом индикатор должен включится в режиме часов. Далее вставить в панельку контроллер, и при возможности проконтролировать работу кварцевого генератора; на ножке 15 DD1 должны присутствовать импульсы частотой равной частоте кварца.
При включении питания на индикаторе должно появиться следующее:
Функции кнопок управления:
SA1 – осуществляет запись пройденного пути в EEPROM память а также сохранение изменений параметров в меню «Установки» как стартовых.
SA2 – производит считывание ранее занесенного расстояния из EEPROM, при этом текущее значение расстояния утрачивается. Значение параметров не меняет.
SA3 – осуществляет вход в режим «Установки». Этот режим предназначен для настройки прибора под конкретный диаметр колеса велосипеда, количества магнитов-датчиков и частоты используемого кварцевого резонатора. После нажатия на индикаторе появляется следующее:

В этом режиме кнопки принимают следующие функции:
-
SA1 – увеличивает на 1 значение параметра, при удержании происходит автоматическое прибавление
-
SA2 – уменьшает на 1 значение параметра, при удержании происходит автоматическое вычитание
-
SA3 – поочередно перебирает параметры (0-7), после последнего осуществляется выход в главный режим.
-
SA5 – осуществляет непосредственно выход в главный режим.
Установка параметров для настройки прибора под велосипед.
Параметры №0 и №1 определяют период времени для измерения скорости, его значение может быть рассчитано по формуле:
Fzq/1024/пар0/пар1=f [гц]
где Fzq – частота кварцевого резонатора в Гц, пар0 – значение параметра №0, пар1 – значение параметра №1.
Или период в секундах:
![]()
В зависимости от размеров колеса велосипеда для отображения на индикаторе скорости в км/ч необходимое время измерения T (в секундах) можно определить по следующей формуле:

где R – радиус колеса под нагрузкой (м), n – число постоянных магнитов на колесе.
Параметр №2 определяет сколько импульсов от датчика приходит за 10 метров.
Параметр №3 определяет количество импульсов от датчика приходящих за 100 метров и служит для коррекции погрешности измерения расстояния.
Определить количество импульсов K за 100 метров можно по формуле:

где L – длина окружности колеса с шиной (м), n – число постоянных магнитов на колесе.
Количество импульсов за 10 метров равно округленному до двухзначного числа значения К.
Также количество импульсов можно определить экспериментально по эталонной дистанции посредством режима «Тест» (см. ниже).
Параметр №4 определяет количество пропущенных тактов процессора для создания задержки на программное устранение дребезга контактов геркона-датчика и кнопок управления.
Параметр №5 определяет сколько раз будет повторятся задержка определенная параметром №4 и служит для создания длительных задержек на антидребезг.
При наладке, в зависимости от конкретного типа датчика-геркона придется экспериментально подобрать эти параметры стремясь к наименьшим их значениям (т.к. при большой задержке на антидребезг верхняя граница измеряемой скорости уменьшается) при которых не происходит счет ложных импульсов. Определить качество работы датчика поможет режим «Тест».
Параметр №6 определяет скорость автоматического прибавления/вычитания при удержании кнопки в меню «Установки» и при желании может быть изменен.
Параметр №7 определяет коэффициент умножения счетчика расстояния при выводе на индикатор, и задает минимальный шаг отображения расстояния.
Далее происходит выход в главный режим. При необходимости внесенные изменения в значения параметров можно сохранить нажатием SA1 в главном режиме, и соответственно определить их как значения по умолчанию при последующем включении питания.
Режим «Тест»
Одновременное нажатие на SA2 SA3 осуществляет вход в режим «Тест»
Обратите внимание. При малых значениях параметров №4 и №5 не всегда удается войти в этот режим, в данной версии программы для этой цели можно использовать резервную кнопку SA5.
Этот режим представляет собой счетчик импульсов в диапазоне от 0 до 255 и предназначен для проверки работы датчика-геркона и измерения количества импульсов за определенное расстояние.
В этом режиме кнопки принимают следующие функции:
-
SA1 – осуществляет сброс счетчика в ноль.
-
SA2 – осуществляет выход в главный режим.
-
SA3 – осуществляет прибавление 1 и служит для проверки кнопки на дребезг.
При «прошивке» контроллера значения параметров установлены под велосипед с радиусом колеса 24 см, датчике с двумя постоянными магнитами, кварце на частоту 3,58 МГц и приведены в следующей таблице.
|
№ параметра |
0 | 1 | 2 | 3 | 4 | 5 | 6 | 7 |
| значение | 255 | 37 | 13 | 132 | 2 | 20 | 90 | 10 |