Универсальный частотный радиомодем на 300-4800Бит/с

Модем предназначен в основном для использования системах пакетной радиосвязи, но также может использоваться в радиосистемах общего назначения и проводных системах.

Модем не требует обязательного наличия аппаратного контроллера пакетной связи, работает с любыми программными контроллерами типа L2, TFPCX, TFX. При применении эмулятора Kiss-режима TFKISS может использовать программный контроллер TNC программ TCP/IP типа KA9Q, TNOS, JNOS. При использовании в стандарте ISO OSI (протокол Х25/АХ25) абонентской программы ТРК и программы Host-режима FBB скорости удваиваются за счет программного сжатия в 2 раза. Аналогично - при работе по стандарту ARPA (протокол TCP/IP). В состав модема входят 3 отечественные микросхемы серий 561 и 1401 (К561ГГ1, К561ИР2, 1401УД2Б). Всего - 59 элементов. Функционально модем состоит из двух завершенных частей-блоков: приемника и передатчика. Секции приемника и передатчика работают совершенно независимо. Общий ток потребления всего модема не превышает 3,2 мА по цепи +5 В. Аналогом представляемого модема являются микросхемы ТСМ3105, FX419, АМ0911. Модем на микросхеме ТСМ3105 содержит два корпуса и имеет 45 деталей. При практически одинаковом количестве элементов в обоих модемах несомненным достоинством модема на отечественной элементной базе является возможность получения скоростей выше по номиналу для более широкополосных каналов тональной частоты.

На скоростях 2400/2800 Бод предлагаемый частотный модем близок также по характеристикам к дуплексному FFSK, GMSK, 4-L FSK микросхем FX469, FX589, FX909, FX919. Он имеет высокую чувствительность и высокие статистические показатели по частоте сбоев в, условиях помех. Но в отличие от перечисленных однокристальных радиомодемов не требует подключения по постоянному току на варикап передатчика и с выхода частотного детектора приемника. Это ограничение является основным препятствием в работе с радиостанциями, не имеющими этих выводов для модема. Кроме того, в модеме нет размножения ошибок скремблирования, как в GMSK модеме, что не позволяет последнему работать с сигналами ниже 8..9 баллов по S-метру.

Представляемый частотный модем может иметь пять регуляторов: - регулятор средней частоты передатчика; - регулятор девиации передатчика; - регулятор средней частоты приемника; - регулятор девиации приемника; - регулятор скважности приемного сигнала и переключатель полосы приема (2,5/5 кГц).

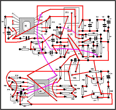
Схема модема приведена на рисунке. Приемник построен по схеме ФАПЧ. На входе установлен детектор нуля микросхемы D1.1. С выхода детектора нуля сигнал поступает на частотный детектор ФАПЧ микросхемы D2. Выходной сигнал ФАПЧ подается на фильтр низких частот второго порядка на микросхеме D1.2. На выходе установлено пороговое устройство на микросхеме D1.3. Постоянная контура ФАПЧ определяется цепочкой R4 С4. Конденсатор С7 определяет частоту. Сопротивление R11 устанавливает среднюю частоту, a R12 - девиацию частоты.

Приемник требует настройки порогового элемента путем установки значения сопротивления R14 для получения скважности равной 2. Передатчик построен на основе ЧМ-модуляции с непрерывной фазой. Могут быть следующие виды соотношений без разрыва фазы: 0,5/1; 0,75/1,25; 1/1,75; 1/2 периодов поднесущего колебания.

Сопротивление R23 и диод VD2 обеспечивают ключевой режим работы управляющего элемента ГУНа передатчика (микросхема D1.4.), которым является транзистор VT2. Сопротивления R26 и R 17 совместно с конденсаторами определяют параметры частоты.

Сопротивление R24 и конденсаторы Cll, C12 определяют параметры частоты передатчика.

Скорости и частоты приведены в таблице, где FH - нижняя частота, Fcp - среднее значение частоты, FB - верхняя частота.

Скорость передачи (Бод)Частоты (Гц)
FHFcpFBпри манипуляции 0/1
30016001700180010/12
6001500170019005/6,3
12001200170022001/1,75
24001200170022000,5/0,875
48002400340044000,5/0,875

Таблица составлена таким образом, чтобы обеспечить минимальные переключения при переходе 1200/ 4800.

На скоростях 300/600/1200/2400 бод модем работает в типовом канале тональной частоты, на скорости 4800 бод - в нестандартном канале тональной частоты (удвоенной ширины).

ГУН передатчика выполнен на микросхеме D1.4. Его выходной сигнал поступает на кольцевой счетчик. Кольцевой счетчик выполняет функции формирования ступенчатого синусоидального сигнала, модулированного по частоте с непрерывной фазой (16-ступенчатая синусоида без разрыва фазы на выходе резистивного сумматора). Спектр выходного сигнала, полученного таким образом, имеет минимальную ширину и равен 1,15 от полосы девиации. ГУН работает на частоте в 16 раз выше частот девиации, указанных в таблице, и управляется входным цифровым потоком.

На транзисторах VT3 и VT4 выполнены элементы шунтирования выходного сигнал и управление включением передатчика. На элементах VD1, VD3, VBW'eor брана схема паразитного питания от RS232 компьютера, а на микросхеме DD4 - стабилизатор напряжения 5 В.

Светодиод VD1 (АЛ107А) является индикатором зависания порта RS232, индикатором работы приема и передачи. Индикация осуществляется на основе частичного изменения светимости диода. Имеются следующие режимы индикации. Если программа выгружена из ОЗУ, а индикатор горит, значит завис порт. Общее свечение означает, что модем работает, и загружена в ОЗУ резидентная программа TNC. При передаче яркость свечения диода VD1 уменьшается на 50%, а при приеме - на 30%. Изменяя параметры сопротивлений R11, R12, R24 плавно или дискретно с помощью переключателей, легко получить необходимые скорости передачи в обычном канале тональной частоты или в канале удвоенной ширины. Для получения пяти скоростей эти сопротивления можно выполнить в виде линейки из трех по пять сопротивлений, установленных на навесном переключателе или на плате. Наиболее удобно выполнить ряд этих сопротивлений на основе сопротивлений СП 19-1. Неточность установки номиналов частот 20% существенного влияния на работу схемы нс оказывает.

Уменьшение значения емкости конденсатора С8 в два раза дает удвоенную полосу пропускания. Конструкция модема может быть следующей. Модем выполняется на двусторонней плате шириной 75 мм и длиной 78 мм. Плата впаивается в торцы двух разъемов 25 pin. Корпус имеет П-образную форму и накрывает по высоте и длине на 3 мм разъемы. Нижняя плоская часть корпуса вставляется между упорными фланцами разъемов. Крепление корпуса осуществляется без винтов за счет защелок снизу в боковины П-образного корпуса. Переключатели и переменные сопротивления устанавливаются с нижней стороны платы. Для доступа к ним предусматриваются отверстия в нижней плоской части корпуса.

(c) 2000-2003г.
Андрей Александрович Борисенко (Andrey A. Borisenko) aka ICE.


http://nag.ru/goodies/shema/rmodem03.html

Обсудить эту статью на форуме (0 ответов).
Вся информация, предоставленная на данном ресурсе разрешена к ознакомлению детям школьного возраста. Все практическое использование может быть связана с повышенной электрической опасностью и разрешено детям только под присмотром взрослых.