Генератор качающейся частоты

Чтобы иметь представление о полосе пропускаемых усилителем ЗЧ частот, глубине регулировок тембра или других частотных свойствах звуковоспроизводящего устройства, приходится снимать амплитудно-частотную характеристику (АЧХ). Методика известная- вооружившись генератором ЗЧ и вольтметром переменного тока или измерителем выхода, контролируют уровень выходного сигнала устройства при изменении частоты входного. А затем по полученным данным строят кривую, по которой определяют и полосу пропускаемых частот, и неравномерность частотной характеристики, и ослабление сигнала на определенной частоте и другие нужные параметры.

Стоит внести какие-то доработки в тот или иной каскад усилителя, изменить номиналы деталей цепи обратной связи - и снова все сначала.

Процедура таких испытаний, конечно, утомительна. Вот почему радиолюбители давно ищут способы визуального наблюдения АЧХ. Один из них - применение генератора качающейся частоты, позволяющего "нарисовать" на экране осциллографа огибающую АЧХ. В простейшем понимании генератор качающейся частоты (ГКЧ) представляет собой генератор ЗЧ с устройством, позволяющим плавно изменять ("качать") частоту выходных синусоидальных колебаний в заданном диапазоне частот. Подача таких колебаний на вход контролируемого усилителя будет равноценна ручной перестройке частоты генератора. Поэтому амплитуда выходного сигнала ЗЧ будет изменяться в зависимости от частоты входного в данный момент. А значит, на экране осциллографа, подключенного к нагрузке выходного каскада, можно наблюдать огибающую АЧХ, составленную из вершин синусоидальных колебаний разной частоты.

"Качать" частоту генератора ЗЧ в широком диапазоне не так просто, поэтому ГКЧ на базе генератора ЗЧ обрастает множеством каскадов и становится весьма сложным устройством для начинающего радиолюбителя.

Как показывает практика, несколько проще получается приставка-ГКЧ, в которой колебания ЗЧ образуются в результате биений сигналов двух генераторов, работающих на частотах в сотни килогерц. Причем один из генераторов в этом случае перестраиваемый, скажем, пилообразным напряжением генератора развертки осциллографа, а другой работает на фиксированной частоте.

По такому пути и пошел курский радиолюбитель И. Нечаев, разработавший специально для нашего цикла предлагаемый ГКЧ. Генератор получился комбинированный, поскольку помимо ЗЧ позволяет исследовать и усилители ПЧ супергетеродинных радиоприемников.

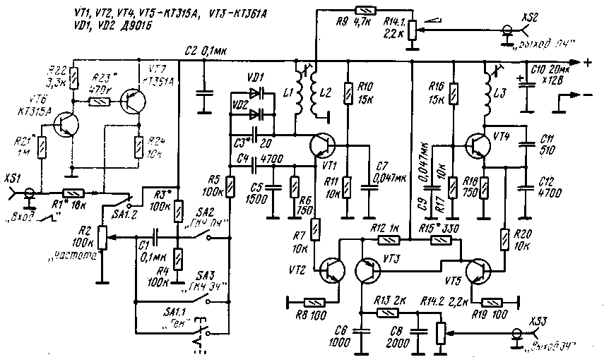
Схема генератора качающейся частоты приведена на рис. 1. Основные узлы его, как вы, наверное, догадались,- неперестраиваемый и перестраиваемый генераторы. Первый из них выполнен на транзисторе VT4 по схеме емкостной трехточки. Частота колебаний (около 470 кГц) зависит от индуктивности катушки L3 и емкости конденсатора С11. Колебания возникают из-за положительной обратной связи между эмиттерной и базовой цепями транзистора. Глубина обратной связи зависит от емкости конденсаторов СИ и С12, образующих делитель напряжения, и подобрана такой, чтобы форма колебаний была максимально приближена к синусоидальной.

Рис.1
Рис.1

Колебания этого генератора, снимаемые с эмиттерного резистора R18, поступают на развязывающий каскад, выполненный на транзисторе VT5, а с его коллекторной нагрузки (резистор R15) - на смеситель, собранный на транзисторе VT3.

Аналогично поступают на смеситель и колебания другого генератора - перестраиваемого, выполненного на транзисторе VT1 также по схеме емкостной трехточки. Частота колебаний этого генератора зависит от индуктивности катушки L1 и емкости цепочки, включенной между выводами коллектора и эмиттера транзистора. А она, в свою очередь, составлена из параллельно включенных конденсатора С3, варикапов VD1, VD2 и последовательно включенного с этими деталями конденсатора С4. Чтобы частоту генератора можно было изменять, на аноды варикапов подают постоянное напряжение положительной полярности. Когда, к примеру, устанавливают режим "Ген." (просто генерирование частоты) и нажимают кнопку переключателя SA1, то резистор R5, соединенный с варикапами, подключается через контакты секции SA1.1 к движку переменного резистора R2, а на верхний по схеме вывод переменного резистора подается через секцию SA1.2 напряжение питания. Перемещением движке переменного резистора теперь можно изменять частоту колебаний генератора примерно от 455 до 475 кГц (средняя частота 465 кГц - это промежуточная частота супергетеродинных приемников).

С катушки связи L2 колебания такой частоты поступают на делитель напряжения R9R14.1, а с движка переменного резистора R14.1 - на выходной разъем XS2. С этого разъема сигнал подают на вход усилителя ПЧ (или его каскадов) радиоприемника.

На нагрузке же смесителя (резисторы R13, R14.2) выделяются колебания разностной частоты в пределах примерно 500 Гц...20 кГц в зависимости от частоты перестраиваемого генератора. Получить сигнал частотой менее 500 Гц не удается из-за явления синхронизации частоты обоих генераторов при небольших расхождениях в настройке. Детали С6, R13, С8 - это фильтр нижних частот, ослабляющий прошедшие через смеситель колебания генераторов. С движка переменного резистора R14.2 сигнал ЗЧ подается на разъем XS3, который при работе приставки подключают ко входу проверяемого усилителя ЗЧ.

Чтобы обеспечить изменение частоты перестраиваемого генератора в указанных пределах, нужно подавать с движка переменного резистора R2 постоянное напряжение от 0 до 9 В. При меньшем диапазоне изменения напряжения будет соответственно уменьшен и диапазон частот сигнала, снимаемого с разъемов XS2 и XS3.

Для получения качающейся частоты колебаний ЗЧ нажимают кнопку SA3 "ГКЧ ЗЧ" (при этом кнопка SA1 отпускается и секция SA1.2 соединяет через резистор R1 верхний по схеме вывод резистора R2 с разъемом XS1 - на него подают пилообразное напряжение развертки с осциллографа. Резистор R1 ограничивает амплитуду этого напряжения на резисторе R2 до 9 В, чтобы максимальные изменения частоты перестраиваемого генератора составили 20 кГц (как и при перестройке генератора постоянным напряжением). Диапазон качания частоты, т. е. пределы ее изменения будут зависеть от положения движка переменного резистора R2 - чем он выше по схеме, тем больше диапазон изменения частоты.

При проверке же трактов ПЧ приемников нажимают кнопку SA2 "ГКЧ ПЧ". В этом случае на варикапы поступает фиксированное постоянное напряжение, снимаемое с делителя R3R4, а также пилообразное, подаваемое через конденсатор С1 с движка переменного резистора R2. Фиксированное напряжение устанавливает частоту генератора равной 465 кГц, а пилообразное изменяет ее в обе стороны максимум на 10 кГц (при установке движка переменного резистора в верхнее по схеме положение).

Как уже было сказано, при работе перестраиваемого генератора в режиме качания частоты необходимо подать на резистор R2 пилообразное напряжение амплитудой 9 В. Причем напряжение должно быть возрастающее, чтобы АЧХ соответствовала общепринятому начертанию - нижние частоты слева, а средние и высшие - справа. Владельцы осциллографов, в которых на специальное гнездо выведено именно такое напряжение развертки, полностью повторяют приставку по приведенной схеме и подбирают нужную амплитуду пилы на выводах резистора R2 изменением номинала резистора R1.

Владельцам осциллографов с пилообразным напряжением достаточной амплитуды, но спадающим, можно рекомендовать замену транзисторов на аналогичные по мощности, но противоположной, по сравнению с указанной на схеме, структуры, изменение полярности включения варикапов и оксидного конденсатора С10, а также полярности питающего напряжения.

Владельцы же осциллографа ОМЛ-2М (ОМЛ-3М) уже знают, что пилообразное напряжение, выведенное на гнездо на задней стенке осциллографа, достигает максимальной амплитуды 3,5 В, что меньше требуемого. Поэтому возможны два варианта. При первом можно вообще изъять резистор R1 и подавать пилу на разъем XS1, соединенный с верхним по схеме выводом переменного резистора R2. В этом случае максимальная частота в режиме качания уменьшится с 20 до 15 кГц, что вполне приемлемо для проверки и налаживания многих моно- и стереофонических усилителей невысокого классе.

В случае же необходимости исследовать более качественные усилители с полосой пропускаемых частот до 20 кГц придется дополнить приставку двухкаскадным усилителем на транзисторах VT6, VT7 и включить его вместо ограничительного резистора R1. Амплитуда пилы на резисторе R2 возрастет до 8...8,5 В.

Возможно, у вас возникнет вопрос о целесообразности использования двух каскадов для получения всего лишь менее чем тройного усиления (с 3,5 до 8,5 В). Действительно, для подобного усиления достаточно было бы и одного каскада. Но на выходе его получится спадающее пилообразное напряжение. Чтобы добиться не только нужного коэффициента усиления, но и заданной полярности сигнала, усилитель пришлось выполнить на двух транзисторах.

Перейдем к рассказу о деталях приставки-ГКЧ. Транзисторы VT3 и VT7 могут быть, кроме указанных на схеме, КТ361Д, ГТ309А - ГТ309Г, КТ326А, КТ326Б, П401 - П403, П416, остальные транзисторы - КТ315А - КТ315И, КТ301Г - КТ301Ж, КТ312А - КТ312В. Варикапы VD1, VD2 - КВ109А - КВ109Г. Конденсаторы С1, С2, С7, С9 - БМ, МБМ, КЛС; С10 - К50-12; остальные - КТ, КД, ПМ, КЛС.

Переменный резистор R2 может быть СПО-0,5, СПЗ-9а, СПЗ-12, сдвоенный резистор R14 - СПЗ-4аМ, но его можно заменить и одинарными (R14.1 и R14.2) такого же типа, что и R2. Постоянные резисторы - МЛТ-0,125. Переключатели - П2К с зависимой фиксацией, при нажатии одной из клавиш остальные находятся в отжатом положении.

Катушки индуктивности можно намотать на каркасах ПЧ от радиоприемника "Альпинист-405" или других подобных каркасах с подстроечни-ком из феррита. Катушки L1 и L2 наматывают на одном таком каркасе, a L3 - на другом. Данные катушек такие:

L1 - 500 витков, а L2 (она размещена поверх L1) - 50 витков провода ПЭВ-2 0,09;
L3 - 170 витков провода ПЭВ-2 0,1...0,12.

Разъемы - высокочастотные, от телевизионных приемников. Источник питания должен быть со стабилизированным напряжением (от этого зависит стабильность частоты генераторов) и рассчитан на ток нагрузки не менее 10 мА.

Часть деталей приставки смонтирована с одной стороны платы (рис.2) из двустороннего фольгированного стеклотекстолита. Выводы деталей припаяны непосредственно к проводникам - полоскам фольги. Плата служит одновременно лицевой стенкой корпуса (рис.3), на ней укреплены переключатели и переменные резисторы (резистор R2 снабжен шкалой).

Рис.2

На одной боковой стенке корпуса установлен входной разъем XS1, на другой - выходные XS2 и XS3. Между выводами переключателей, переменных резисторов и разъемов смонтированы детали, не показанные на чертеже печатной платы. Через отверстия в боковой стенке выведены проводники питания с вилками на концах - их вставляют в гнезда блока питания (или подключают к выводам источника, например, составленного из двух последовательно соединенных батарей 3336). Нижняя крышка корпуса - съемная.

Если приставка смонтирована без ошибок и в ней использованы исправные детали, оба генератора начнут работать сразу. Чтобы убедиться в этом, нужно нажать кнопку SA1, подать на приставку питание, установить движки переменных резисторов в верхнее по схеме положение и подключить к разъему XS2 входные щупы осциллографа - он должен работать в автоматическом режиме с внутренней синхронизацией и закрытым (можно и открытым) входом. Подобрав входным аттенюатором осциллографа такую чувствительность, чтобы размах изображения на экране составлял не менее двух делений, можно включить на осциллографе ждущий режим и "остановить" изображение соответствующими ручками. Форма колебаний должна быть близка к синусоидальной, а частота - в диапазоне 400...600 кГц.

Далее можно проверить работу второго генератора, подключив осциллограф к выводу эмиттера транзистора VT4 (вход осциллографа - закрытый). Здесь также должны быть колебания синусоидальной формы с частотой в указанных для первого генератора пределах.

Вот теперь можно приступить к настройке генераторов и градуировке шкал (их две - для колебаний ПЧ и ЗЧ) переменного резистора R2. Понадобится частотомер, который подключают к разъему XS2. Движок переменного резистора R14.1 оставляют в положении максимального выходного сигнала, а движок резистора R2 перемещают в нижнее по схеме, т. е. на варикапы не подают постоянное напряжение.

Контролируя частоту генератора, устанавливают ее равной 475 кГц подстроечником катушек L1, L2. Затем перемещают движок резистора R2 в верхнее по схеме положение и измеряют частоту генератора - она должна быть равной 455...450 кГц. Если она больше, подбирают конденсатор С3 меньшей емкости или вообще исключают его. При меньшей частоте подбирают конденсатор большей емкости, после чего вновь настраивают генератор на частоту 475 кГц при нижнем положении движка резистора R2.

Оставив движок резистора в таком положении, переключают частотомер к разъему XS3 и измеряют разностную частоту. Уменьшают ее подстроечником катушки L3 до минимально возможной, стараясь получить "нулевые биения". Подстроечники катушек можно после этого законтрить нитрокраской или каплей клея.

Подключив к разъему XS3 осциллограф и установив движок переменного резистора R2, например, в среднее положение, контролируют форму колебаний. При необходимости улучшить ее подбирают резистор R15.

Вновь подключают частотомер к разъему XS2 и, плавно перемещая движок переменного резистора R2 от нижнего положения до верхнего, измеряют частоту генератора в различных точках. На шкале резистора проставляют значения частоты.

Аналогично градуируют вторую шкалу, подключив частотомер к разъему XS3.

Следующий этап - проверка и налаживание двухкаскадного усилителя пилообразного напряжения (если вы решили его собрать). Вначале подают на разъем XS1 сигнал с гнезда на задней стенке осциллографа ОМЛ-2М (ОМЛ-3М), а входной щуп подключают к нижнему по схеме выводу резистора R21 (т. е. практически контролируют входной сигнал). Чувствительность осциллографа устанавливают равной 1 В/дел., а начало линии развертки смещают в нижний левый угол шкалы. Осциллограф работает в автоматическом режиме с закрытым входом, длительность развертки 5 мс/дел.

На экране увидите нарастающее пилообразное напряжение, вершина пилы может уходить за пределы крайней вертикальной линии шкалы. Ручкой регулировки длины развертки установите такое пилообразное напряжение, чтобы оно уместилось точно между крайними вертикальными линиями шкалы (рис.4,а), и измерьте амплитуду пилы - она может быть около 3 В.

Рис.3

Затем переключите входной щуп осциллографа на вывод коллектора транзистора VT6, а чувствительность осциллографа установите равной 0,5 В/дел. На экране увидите изображение спадающей пилы. Подведите начало линии развертки к средней линии шкалы и измерьте амплитуду сигнала - она должна быть около 0,8 В (рис.4,б). Если характер пилы будет сильно искажен (появится "ступенька" в конце ее), придется подобрать резистор R21.

Установите на осциллографе чувствительность 1 В/дел, и подключите его входной щуп к выводу коллектора транзистора VT7, а на приставке нажмите кнопку SA1, чтобы резистор R2 оказался подключенным к R24. На экране осциллографа может появиться изображение, показанное на рис.4,в,- искаженная пила. Избавиться от искажения можно более точным подбором резистора R23, а иногда еще и резистора R21, так, чтобы на экране получилось изображение, приведенное на рис.4,г. Небольшая нелинейность пилы вначале появляется из-за некоторого "запаздывания" открывания транзистора VT6 по мере нарастания пилообразного напряжения. На работе ГКЧ эта нелинейность практически не отразится.

Что касается максимальной амплитуды пилы, то она ненамного отличается от 9 В. Конечно, ее можно увеличить, но в этом случае придется питать двухкаскадный усилитель несколько большим напряжением - 10...12 В.

На время налаживания усилителя вместо резисторов R21 и R23 желательно впаять переменные, сопротивлением 1,5...2,2 МОм и 1 МОм соответственно.

Как работать с нашим ГКЧ? Вы уже знаете, что в зависимости от проверяемого устройства (усилитель ПЧ или ЗЧ) используется тот или иной выходной разъем генератора - его соединяют с входом устройства. К выходу же проверяемого устройства подключают входной щуп осциллографа. При включении ГКЧ на экране осциллографа можно увидеть огибающую амплитудно-частотной характеристики устройства.

Более конкретно можно сказать следующее. При проверке усилителя ПЧ супергетеродина разъем XS2 соединяют высокочастотным кабелем (или экранированным проводом) через конденсатор емкостью 0,05...0,1 мкФ с базой транзистора преобразователя частоты, а входной щуп осциллографа подключают к детектору приемника. Переменным резистором R14.1 устанавливают

такой выходной сигнал ГКЧ, чтобы наблюдаемое изображение не искажалось (не было ограничения характеристики сверху), а переменным резистором R2 подбирают такую частоту генератора, чтобы П-образная огибающая характеристики усилителя ПЧ располагалась посредине экрана осциллографа. Если сигнал с ГКЧ окажется избыточным даже почти в нижнем положении движка резистора R14.1, уменьшить его можно включением между ГКЧ и приемником дополнительного делителя напряжения.

Подробнее об использовании ГКЧ для проверки тракта ПЧ расскажем позже, когда коснемся методики проверки и налаживания супергетеродинного радиоприемника.

А сегодня проведем некоторые практические работы по проверке усилителя ЗЧ. Лучше всего ориентироваться на усилитель с регуляторами тембра по низшим и высшим частотам. Для примера воспользуемся усилителем, описанным в статье Б. Иванова "Электрофон из ЭПУ" в "Радио", 1984, № 8, с. 49-51. Если вы помните, в нашем цикле уже встречалась часть этой конструкции - узел А2. Теперь к ней нужно добавить узел А1 с двумя регуляторами тембра, подключить к усилителю вместо динамической головки эквивалент нагрузки сопротивлением б... 8 Ом и соединить вход усилителя с разъемом XS3 нашей приставки (рис.5) через оксидный конденсатор емкостью 1...10 мкФ (поскольку ни на выходе приставки, ни на входе усилителя разделительного конденсатора нет).

Рис.4

На осциллографе устанавливают длительность развертки 5 мс/дел., чувствительность 2 В/дел., вход - закрытый, развертка - автоматическая с внутренней синхронизацией (регулятор синхронизации должен быть в среднем положении, чтобы исключить подергивания изображения в начале развертки), линия развертки - посредине шкалы.

Радио 3-89, с.64-68

Обсудить эту статью на форуме (0 ответов).
Вся информация, предоставленная на данном ресурсе разрешена к ознакомлению детям школьного возраста. Все практическое использование может быть связана с повышенной электрической опасностью и разрешено детям только под присмотром взрослых.