Карманный цифровой частотомер

В настоящее время имеется большое количество схем электронных цифровых частотомеров, объединенных общим недостатком: все они являются стационарными приборами, имеют сравнительно большие габариты и потребляют значительный ток от источника питания, что вынуждает питать их от сети переменного тока и не допускает использования автономного батарейного питания. Предлагаемая схема цифрового частотомера лишена указанных недостатков и позволяет создать портативный малогабаритный прибор.
Описываемый в статье прибор позволяет измерять частоту электрических колебаний до 10 МГц. Чувствительность по уровню входного сигнала при измерении частот до 600 кГц — 8 мВ, от 600 кГц до 2,5 МГц — 30 мВ, свыше 2,5 МГц— около 100 мВ. Абсолютная погрешность измерения частоты в диапазоне 0...20 кГц составляет 3 Гц, 20 кГц...2 МГц — 10 Гц, свыше 2 МГц>—100 Гц. Питание частотомера производится от батареи «Крона» или «Корунд» напряжением 9 В. При измерениях частот до 2,5 МГц ток, потребляемый от источника питания, не превышает 5 мА (при выключенной индикации) или 35 мА (при включенной индикации). При измерениях частот выше 2,5 МГц ток потребления соответственно равен 25 или 60 мА. Поэтому если частотомер будет использоваться для измерений частот выше 2,5 МГц, целесообразно применять более мощный источник питания.
Принцип действия частотомера обычный: измерение количества импульсов сигнала, поступающих на вход счетчика в течение строго фиксированного интервала времени. Такими интервалами в данной схеме выбраны 10 мс, 100 мс, 1 с и 10 с. Соответственно частотомер имеет четыре диапазона измерения частоты при пяти разрядах десятичного индикатора со следующими пределами измерений: 9999,9 кГц, 999,99 кГц, 99,999 кГц и 9,9999 кГц.
Частотомер состоит из следующих основных узлов:
- входного формирующего устройства, предназначенного для усиления, формирования и преобразования входного сигнала;
- задающего кварцевого генератора с делителями частоты для получения фиксированных и стабильных интервалов времени;
- счетчика-делителя частоты импульсов сигнала с цифровыми индикаторами, предназначенного для измерения и отображения изменяемой частоты;
- устройства управления, обеспечивающего установку счетчика на нуль перед измерением и поступление на его вход последовательности импульсов для счета в течение фиксированного интервала времени;
- блока питания.

https://radio-portal.su/cache/chastotomer000001_images_stories_pictures_thumb_medium600_0.png

images/stories/pictures/chastotomer000001.png

 

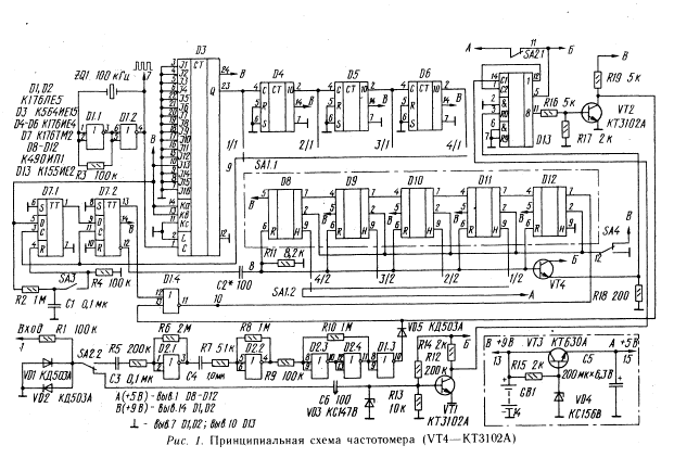
Принципиальная схема частотомера приведена на рис. 1. Сигнал измеряемой частоты подается на вход частотомера— контакт 1 Вх. Резистор R1 и диоды VD1 и VD2 защищают входные цепи прибора от перегрузок. При измерениях частоты менее 2,5 МГц сигнал через переключатель SA2.2 поступает на вход формирующего устройства, собранного на элементах D2.1—D2.4 и D1.3. В каскадах формирующего устройства сигнал поочередно усиливается и ограничивается, что необходимо для получения крутых фронтов, способных воздействовать на последующие цифровые микросхемы. С выхода формирующего устройства сигнал прямоугольной формы через диод VD5 подается на вход 13 элемента D1.4, который выполняет функции клапана.

 

При измерениях частоты более 2,5 МГц в положении переключателя SA2, показанном на схеме, сигнал-поступает на другую ветвь формирующего устройства, которая содержит усилитель-ограничитель на транзисторе VTI со стабилитроном VD3, делитель частоты на 10, в качестве которого используется микросхема D13, и каскад сопряжения логики ТТЛ с КМОП на транзисторе VT2. С коллектора этого транзистора сигнал поступает также на клапан D1.4. Диод VD5 предохраняет выход элемента D1.3 от воздействия сигнала, поступающего с коллектора VT2. Генератор опорной частоты 100 кГц выполнен на элементах D1.1 и D1.2 с кварцевым резонатором по обычной схеме. Кварцевый резонатор ZQ1 включен в цепь положительной обратной связи с выхода D1.2 на вход D 1.1. Резистор R3 выводит элемент D1.1 в активный режим. Импульсы с частотой следования 100 кГц поступают на делитель частоты с коэффициентом деления 106, который выполнен на микросхемах D3—D6. Микросхема D3 является делителем частоты с изменяемым коэффициентом деления и используется в режиме деления частоты входного сигнала в 1000 раз. На выходе микросхемы (вывод 23) образуются импульсы с частотой повторения 100 Гц (период повторения 10 мс). Далее следуют три десятичных счетчика D4, D5 и D6, на выходах которых частота повторения импульсов соответственно составляет 10 Гц (100 мс), 1 Гц (1-е) и 0,1 Гц (Юс). В зависимости от положения переключателя диапазонов SA1.1 импульсы с периодом повторения 10 мс, 100 мс, 1 с или 10 с подаются на устройство управления. Устройство управления содержит два D-триггера D7.1 и D7.2, а также клапан D1.4. При нажатии кнопки SA3 происходит установка первого триггера в состояние «О», при котором на его прямом выходе и связанном с ним входе D второго триггера устанавливается низкий потенциал. Первый же поступающий после этого положительный фронт импульса, приходящего с переключателя SA1 Л, устанавливает триггер D7.2 в состояние «О». При этом на его инверсном выходе устанавливается высокий потенциал, фронт которого после дифференцирования ячейкой С2, R11 устанавливает на нуль счетчики-индикаторы D8—D12. Низкий потенциал на прямом выходе поступает на один из входов клапана D1.4, открывая его для поступающих на второй вход импульсов сигнала. С выхода клапана импульсы сигнала подаются на счетчик-индикатор. Тот же положительный фронт импульса с переключателя SA1.1 переводит триггер D7.1 в состояние «1», благодаря чему на его прямом выходе образуется высокий потенциал, который подается на вход D второго триггера, не изменяя его состояния. Через период выбранного интервала времени переключателем SA1.1 на управляющее устройство поступает второй положительный перепад напряжения (отрицательный перепад в середине периода, поступая на входы С триггеров, не изменяет их состояния). На состояние первого триггера этот перепад не влияет, так как триггер уже находится в состоянии «1». Второй же триггер переводится также в состояние «1», с его прямого выхода на управляющий вход клапана поступает высокий потенциал, благодаря которому клапан запирается, импульсы сигнала перестают поступать на счетчик-индикатор, счет прекращается, на индикаторе высвечивается значение частоты сигнала. Счетчик-индикатор собран из пяти микросхем, каждая из которых содержит счетчик импульсов по модулю 10, дешифратор и семисегментный светодиодный цифровой индикатор с запятой, которая включается по одному из входов 9 в зависимости от положения переключателя SA1.2. Показания индикатора считываются в килогерцах. С помощью тумблера SA4 в процессе между отсчетами индикацию можно выключать, чем достигается экономия энергии элемента питания. На пределе измерения 10 МГц, когда переключатель SA2 находится в положении, показанном на схеме, показания индикатора необходимо умножать на 10. При этом для получения всех пяти значащих цифр необходимо установить переключатель диапазонов в положение, соответствующее пределу измерения в 1 МГц (999,99 кГц). Предел измерения частоты можно увеличить еще в 10 раз, до 100 МГц (99999 кГц), если использовать еще один высокочастотный делитель частоты на 10, собранный на микросхемах серии К500. Описание такой приставки к цифровому частотомеру приведено в [1,2]. При этом переключатель диапазонов также устанавливается в положение, соответствующее пределу измерения в 1 МГц, а показания индикатора* умножаются на 100. Если же установить переключатель диапазонов в положение, соответствующее 10 МГц, можно будет измерять частоту сигнала вплоть до 160 МГц. Измерение более высоких частот менее достоверно, так как ограничивается быстродействием микросхем серии К500. В отличие от обычно используемых схем цифровых частотомеров в данной схеме измерение частоты производится однократно, в течение только одного периода нормированного интервала времени. Третий и последующие положительные перепады напряжения, поступающие на управляющее устройство, не изменяют состояния триггеров и клапана. Поэтому измеренное количество импульсов сигнала высвечивается индикатором постоянно. Для повторного измерения следует снова нажать пусковую кнопку SA3, после чего процесс повторяется. Для питания использованных микросхем требуется два напряжения 9 и 5 В. Для получения напряжения 5 В используется стабилизатор напряжения, схема которого также приведена на рис. 1. Он собран по общепринятой схеме с использованием опорного стабилитрона. При переключении входного сигнала переключателем SA2 одновременно коммутируется питание элементов делителя частоты. Опорная частота задающего генератора 100 кГц выводится на отдельное гнездо и может быть использована в качестве образцовой, а также, будучи поданной на вход,— для проверки частотомера. Конструктивно прибор состоит из печатной платы и табло с счетчиками-индикаторами, которое выделено на схеме штриховой линией и соединяется с платой проводниками. Печатная плата выполнена из двухстороннего фольгированного стеклотекстолита. Расположение элементов схемы и печатные проводники с этой стороны платы показаны на рис. 2. Печатные проводники с обратной стороны платы показаны на рис. 3. Перемычки между проводящими дорожками, расположенными с разных сторон платы, выполнены голым луженым медным проводом диаметром от 0,3 до 0,7 мм и пропаяны с обеих сторон платы. Монтаж остальных соединений производится проводом МГТФ 0,07 мм (14 скрученных проводов диаметром по 0,08 мм) во фторопластовой изоляции. В приборе используются резисторы типа ОМЛТ-0,125 или С2-23-0,125, конденсаторы КМ5, КМ6, электролитический конденсатор С5 типа К50-16. Микросхемы серии К176 могут быть заменены соответствующими микросхемами серий К561 или К564. Вместо транзисторов КТ3102 можно использовать КТ315 с любым буквенным индексом, вместо КТ630А — КТ815 или КТ817. Правильно собранная схема в регулировке и наладке не нуждается. Требуется лишь подобрать емкость конденсатора С2 для четкой установки на нуль счетчиков-индикаторов.

Обсудить эту статью на форуме (0 ответов).
Вся информация, предоставленная на данном ресурсе разрешена к ознакомлению детям школьного возраста. Все практическое использование может быть связана с повышенной электрической опасностью и разрешено детям только под присмотром взрослых.