
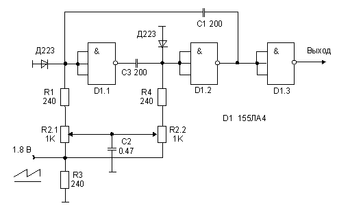
Схема, обеспечивает при указанных номиналах частоту "качания" от 4 до 20 МГц. Диапазон частот зависит от номиналов C1,C3,R1,R2,R4. В качестве R2 применен сдвоенный потенциометр. На управляющий вход подается пилообразное напряжение амплитудой 1,8В с постоянной составляющей 0,8В.