Индикатор напряжения на светодиоде

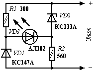
http://www.radio-portal.ru/images/stories/pictures/Rzn-B811.pngВ заметке под таким заголовком (см. "Радио". 1978, № 8, с. 38) приводилось описание устройства на двух светодиодах. Позволяющего контролировать напряжение заряжаемой аккумуляторной батареи. Намного доработав это устройство и изъяв из него один светодиод, читатель М. Уразбахтин из Челябинска приспособил получившийся индикатор (см. схему) для контроля степени разряда батареи питания переносного транзисторного приемника. Индикатор подключают к батарее (напряжением 9В). Если напряженке питания находится в допустимых пределах, светодиод V2 не светится (принцип работы индикатора достаточно подробно описан в вышеуказанной заметке). При снижении напряжения до 6,2...5.9 В индикатор зажигается. Точнее напряжение срабатывания индикатора можно установить подбором стабилитронов и резистора R2.

Обсудить эту статью на форуме (0 ответов).
Вся информация, предоставленная на данном ресурсе разрешена к ознакомлению детям школьного возраста. Все практическое использование может быть связана с повышенной электрической опасностью и разрешено детям только под присмотром взрослых.