Комбинированный генератор

С помощью этого сравнительно простого прибора удастся проверять каскады усилителей ЗЧ и РЧ самодельных и промышленных радиоприёмников, работающих в диапазонах СВ и ДВ. Частотный диапазон генератора лежит в пределах 0,15...1,6 МГц, генерируемые колебания могут быть как синусоидальной, так и прямоугольной формы. Кроме того, генератор выдает сигнал частотой 1 кГц также синусоидальной и прямоугольной формы. При желании колебаниями ЗЧ можно промодулировать сигнал генератора РЧ.
Возможность снимать с генератора сигналы ЗЧ и РЧ разной формы, а также амплитудой от нескольких милливольт до нескольких вольт, позволяет пользоваться им, кроме проверки и настройки радиоприемников, для контроля работы и поиска неисправностей в различных устройствах на транзисторах, аналоговых и цифровых микросхемах.
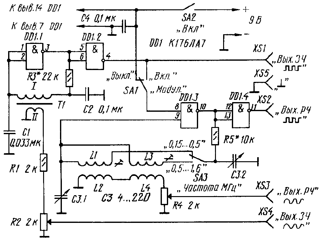
Схема генератора приведена на рис.1. В нем всего одна микросхема. На ее логическом элементе DD1.1 выполнен генератор ЗЧ. Колебания образуются благодаря введению между входом и выходом элемента цепи обратной связи из резистора R3 первичной обмотки трансформатора Т1 и конденсаторов C1, C2. В результате элемент выходит на линейный участок так называемой передаточной характеристики и каскад самовозбуждается. Частота генерируемых колебаний зависит от емкости конденсатора C1 и индуктивности обмотки трансформатора.
Со вторичной обмотки трансформатора колебания синусоидальной формы поступают на делитель напряжения из резисторов R1 и R2, а с движка резистора R2 (им регулируют амплитуду выходного сигнала) подаются на выходное гнездо XS4.
К генератору ЗЧ подключен согласующий каскад на элементе DD1.2, на выходе которого также формируется сигнал ЗЧ, но прямоугольной формы и амплитудой около 9 В. Этот сигнал поступает на выходное гнездо XS1.
Генератор колебаний РЧ собран на логическом элементе DD1.3 по такой же схеме, что и генератор ЗЧ. В качестве частотозадающих цепей здесь используются катушка индуктивности L1 (либо L3) и сдвоенный конденсатор переменной емкости С3. Весь диапазон генератора РЧ разбит на два поддиапазона: 0,15...0,5 МГц и 0,5... 1,6 МГц. Тот или иной поддиапазон устанавливают переключателем SA3, а частоту изменяют плавно конденсатором переменной емкости. Амплитуду сигнала синусоидальной формы, снимаемого с катушек L2 и L4 и подаваемого на гнездо XS3, можно изменять переменным резистором R4.

Каскад на элементе DD1.4, как и в предыдущем генераторе аналогичный каскад, формирует прямоугольные импульсы, поступающие на выходное гнездо XS2.
Чтобы сигнал РЧ промодулировать сигналом ЗЧ, нужно установить переключатель SA1 "Модуляция" в положение "Вкл.". Тогда сигнал с выхода генератора ЗЧ (точнее с выхода согласующего каскада) будет поступать на один из входов элемента DD1.3 и периодически (с частотой следования импульсов ЗЧ) разрешать или запрещать работу генератора РЧ, обеспечивая тем самым амплитудную модуляцию колебаний РЧ.
Питается генератор от источника напряжением 9 В - от батареи "Крона" либо от двух батарей 3336, соединенных последовательно. Питание подается на генератор выключателем SA2.
Кроме указанной на рис.1, в генераторе можно применить микросхемы К176ЛА7, К561ЛА7, К564ЛА7. Подойдет и микросхема К561ЛЕ5 или К564ЛЕ5, но для нормальной работы каскада на элементе DD1.3 левый по схеме контакт переключателя SA1 должен быть соединен не с плюсовым, а с минусовым ("общим") проводом питания. Конденсатор переменной емкости - типов КПТМ, КПЕ или другой малогабаритный с указанными на схеме или большими пределами изменения емкости; остальные конденсаторы могут быть КЛС, КМ, МБМ. Переменные резисторы R2, R4-типа СПО или СП, постоянные - МЛТ-0,125. Трансформатор Т1 - унифицированный выходной трансформатор (в качестве обмотки I используется половина первичной обмотки) от малогабаритного транзисторного радиоприемника.
Катушки намотаны на двух каркасах контурных катушек ПЧ радиоприемников "Сокол", "Соната" либо на других малогабаритных каркасах с подстроечником из феррита. Катушки L1 и L2 намотаны на одном каркасе и содержат 490 и 40 витков соответственно провода ПЭВ-1 0,06. Катушки L3 и L4 намотаны на другом каркасе и содержат соответственно 240 и 22 витка провода ПЭВ-1 0,1.
Часть деталей генератора монтируют на плате (рис.2) из фольгированного стеклотекстолита. Плату с источником питания укрепляют внутри корпуса подходящих габаритов. На лицевой стенке корпуса крепят переменные резисторы и конденсатор, выключатель питания и переключатели рода работы, а на боковой (можно и на лицевой) - гнезда XS1-XS5.
Если ошибок в монтаже нет, генератор начинает работать сразу после подачи питания. Контролировать его работу лучше всего с помощью осциллографа, подключаемого сначала к гнездам XS5 ("земляной" щуп) и XS4 (входной щуп), а затем - к гнездам XS5 и XS3. Подбором резисторов R3 и R5 добиваются устойчивой генерации и неискаженной синусоиды (для генератора РЧ - во всем диапазоне частот).
Остается проверить с помощью частотомера или образцового генератора границы поддиапазонов, установить их с помощью подстроечников катушек, а затем отградуировать шкалу конденсатора переменной емкости.

И. АЛЕКСАНДРОВ, г. Курск, Радио №6, 1991 г., стр.75

Обсудить эту статью на форуме (0 ответов).
Вся информация, предоставленная на данном ресурсе разрешена к ознакомлению детям школьного возраста. Все практическое использование может быть связана с повышенной электрической опасностью и разрешено детям только под присмотром взрослых.