DIV align=center>Генератор, внешний вид которого показан на рис.1, предназначен для настройки радиоприемных устройств, работающих в диапазоне частот от 140 кГц до 30 МГц.
Рис.1. Внешний вид прибора Весь диапазон разбит на 6 поддиапазонов (140-330; 315-780; 715-1800 кГц; 1,6-4,6; 4,4-12,5; 11,3-30 МГц). Напряжение генератора ВЧ - 100 мВ. Частота генератора НЧ (модулятора) - 1000 Гц, выходное напряжение - 0,5-0,6 В. Максимальная глубина модуляции на частотах до 11 МГц - 60%, свыше 11 МГц - 80%. Изменение глубины модуляции плавное. Имеется отдельный выход низкочастотного генератора. Габариты прибора - 210х120х65 мм. Масса прибора с высокочастотным кабелем и аттенюатором - 1,7 кГ (длина кабеля - 1 м). Градуировка шкалы частот генератора на первых пяти поддиапазонах произведена при выходном напряжении высокочастотного сигнала 100 мВ, на шестом поддиапазоне - при напряжении 80 мВ.
Рис.2. Блок-схема прибора 1-генератор ВЧ; 2-модулятор; 3-выходной аттенюатор; 4-блок питания. Прибор может питаться как от внутреннего источника питания
(батарея "Крона"), так и от сети 220 В. Мощность, потребляемая от сети - 1,1
Вт.
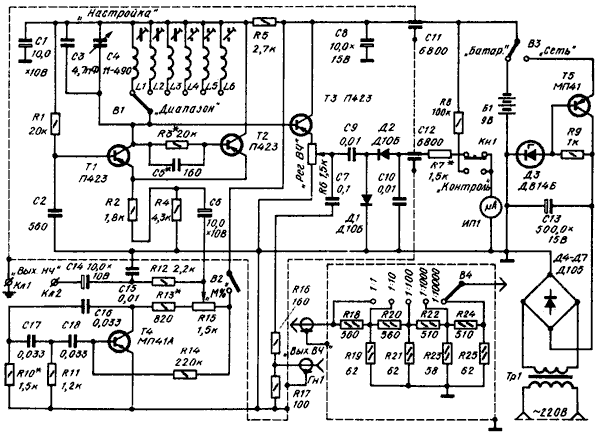
Рис.3. Принципиальная схема прибора Задающий генератор выполнен на двух транзисторах Т1 и Т2. Резистор R3 и конденсатор С5 в цепи базы транзистора Т2 обеспечивают равномерность амплитуды сигнала генератора в заданном диапазоне частот, уровень которого на выходе генератора устанавливают переменным резистором R6. Модулятор представляет собой RC-генератор, выполненный на транзисторе Т4. Глубину модуляции регулируют переменным резистором R15. Выпрямитель блока питания собран на диодах Д4-Д7 по мостовой схеме. Стабилизация напряжения осуществляется с помощью транзистора Т5 и диода Д3. Конструкция прибора Сигнал-генератор смонтирован в корпусе из дюралюминия толщиной 1,5 мм (см рис.1, рис.4). Конструкция ручки позволяет установить прибор в рабочем положении с необходимым углом наклона. На внутренней передней дюралюминиевой панели толщиной 3 мм укреплены все элементы управления и контроля, а на лицевой фальшпанели (толщиной 1,5 мм) выполнены гравировочные надписи. Переменный конденсатор С4 и шкала (размещена между передней панелью и фальшпанелью) не должны иметь гальванического контакта с корпусом. Отверстие для оси конденсатора переменной емкости должно быть не менее 12 мм. Ручка настройки генератора укреплена на оси 4, к которой плотно прилегают два ролика. На их боковой поверхности проточена канавка глубиной 0,9 мм и шириной 1,2 мм в нее вставляют край диска шкалы. Диск шкалы закрепляют на оси переменного конденсатора с помощью втулки. Монтаж сигнал-генератора выполнен на трех платах. На одной из них размещены задающий генератор с эмиттерным повторителем и выпрямительное устройство для измерительного прибора ИП1, на другой - катушки индуктивности L1-L6, на третьей - модулятор и блок питания (без трансформатора). Высокочастотная часть прибора отделена от низкочастотной и
источников питания экраном (алюминий толщиной 1 мм).
Рис.4. Внутренний вид прибора
Рис.5. Шкально-верньерное устройство 1-диск шкалы, дюралюминий толщиной 1 мм; 2-ролик, гетинакс толщиной 3 мм, 2 шт.; 3- пружина, проволока стальная диаметром 1 мм; 4-ось, сталь диаметр 3 мм; 5-ось переменного конденсатора; 6-втулка, дюралюминий толщиной 1 мм. Намоточные данные катушек индуктивности
Каркасы катушек пластмассовые диаметром 5 и высотой 12 мм с
внутренней резьбой М4. Трансформатор Тр1 выполнен на сердечнике ШЛ10, толщина набора - 20 мм. Первичная обмотка содержит 4450 витков провода ПЭВ 0,1, вторичная - 300 витков провода ПЭВ 0,33. В генераторе применены постоянные резисторы типа МЛТ, переменные - СП-1, конденсаторы - К50-6, КТ, МБМ, КТП, КЛГ, микроамперметр с током полного отклонения 100 мкА. Налаживание прибора Налаживание прибора начинают с блока питания. Выходное напряжение его должно находиться в пределах 8,5-9 В. Затем приступают к проверке генератора ВЧ. Для этого параллельно резистору R17 подключают осцилограф и частотомер. Если форма сигнала неудовлетворительная, то подбирают резистор R3 и конденсатор С5. Ток, потребляемый генератором ВЧ, не должен превышать 5-6 мА. При налаживании модулятора необходимо получить на его выходе сигнал частотой 1000 Гц (подбором резистора R10) и с уровнем 1,2 В (без нагрузки; подбором резистора R13). Потребляемый ток не более 2 мА. Границы частотных поддиапазонов устанавливают подбором индуктивностей L1-L6 (перекрытие частот между поддиапазоном должно быть не менее 5%). Градуирование шкалы сигнал-генератора осуществляется с помощью частотомера, модулятора - с помощью осцилографа, а контрольного прибора - с помощью образцового вольтметра. |
Переносной сигнал-генератор
Doc
Просмотров: 7162




