Пробник для проверки печатных плат

При ремонте импортной или отечественной аппаратуры, на которую отсутствуют схемы, часто бывает необходимо определить связи элементов на плате. А если на плате есть переходные металлизированные отверстия, то необходимо убедиться еще и в том, что они не деградировали, т.е. их переходное сопротивление составляет меньше 1 Ома. Кстати, замечено, что под действием разных факторов их переходное сопротивление со временем может увеличиваться до 20...100 Ом, а это приводит к полной неработоспособности устройства.
Обычно для определения повышенного сопротивления переходов на плате радиолюбители применяют авометр. Однако при таком измерении на входы микросхем может подаваться напряжение от 1,5 В до 9 В, причем даже при некорректном измерении в запрещенной полярности для некоторых выводов, что может привести к выходу из строя элементов схемы. Чтобы избежать этих неудобств, был собран пробник, при измерении которым, прикладываемое к дорожкам платы напряжение не превышает 5 милливольт. Таким пробником можно надежно определить исправность "металлизации".
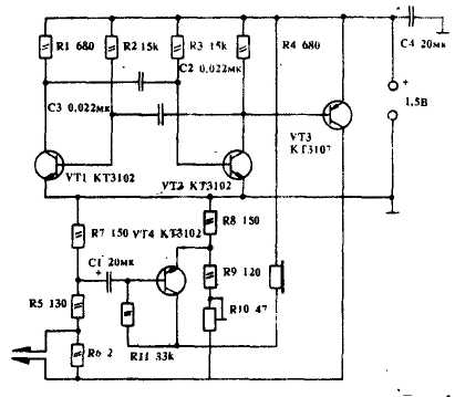
Схема пробника показана на рисунке.

Прибор состоит из генератора сигнала частотой 1 кГц (VT1, VT2), моста (R7, R5, R6, R8, R9, R10) и усилителя разбаланса (VT4). Низкочастотный сигнал поступает на резисторный мост. При балансе моста, который происходит при замыкании щупов, звука в телефонном капсюле нет. При любом разбалансе моста телефонный капсюль излучает НЧ сигнал.
При исправных деталях пробник начинает работать сразу. Необходимо лишь установить баланс моста резистором R10. В ' дальнейшем подстройка пробника не требуется.
В пробнике могут быть использованы любые маломощные биполярные кремниевые или германиевые транзисторы с коэффициентом усиления не ниже 100. Значения номиналов резисторов и конденсаторов может отличаться от указанных на 30...40 процентов в любую сторону, важно лишь соблюсти условие:
R7=R8; R5+R6=R9+R10.

Конструкция пробника любая, хотя наиболее предпочтительна традиционная, в форме щупа. Печатная и монтажная платы показаны на рисунке.


Обсудить эту статью на форуме (0 ответов).
Вся информация, предоставленная на данном ресурсе разрешена к ознакомлению детям школьного возраста. Все практическое использование может быть связана с повышенной электрической опасностью и разрешено детям только под присмотром взрослых.