Приставка к осциллографу для измерения частотных характеристик

В последнее бремя в радиолюбительской практике широко стали применяться визуальные методы проведения контроля характеристик, основанные на использовании панорамных индикаторов. С их помощью удается намного оперативнее производить регулировку таких весьма сложных радиотехнических устройств, как фильтры, усилители, радиоприемники, телевизоры, антенны. Однако приобрести такой прибор промышленного изготовления не всегда возможно, да и стоит он недешево.
Между тем, без особых затрат можно сделать аналогичный по функциональному назначению прибор в виде приставки к осциллографу. Такая приставка должна содержать генератор качающейся частоты (ГКЧ), генератор напряжения для развертки осциллографа и выносную детекторную головку. Схема такой приставки показана на рис.1.
При разработке приставки ставилась цель создать простую, малогабаритную и удобную для повторения конструкцию. Правда, из-за своей простоты она, конечно, не лишена некоторых недостатков, но ее и следует рассматривать лишь как базовую конструкцию. По мере добавления других узлов можно будет расширить функциональные возможности и сервисные удобства прибора.
Предлагаемая приставка предназначена для настройки различных электронных устройств в диапазоне частот 48...230 МГц, т.е. в телевизионном диапазоне MB. Однако эта конструкция позволяет изменять диапазон ее рабочих частот, и тогда она сможет работать в диапазоне ДМВ (300...900 МГц), первой промежуточной частоты спутникового телевидения (800...1950 МГц) или на радиолюбительских KB диапазонах.
Основное достоинство такой приставки заключается в том, что весь диапазон частот перекрывается с помощью одного ГКЧ (это удобно при настройке широкополосных устройств, например антенных усилителей, селекторов каналов телевизоров и т.п.), предусмотрена возможность установки верхней и нижней частот диапазона качания независимо друг от друга двумя ручками управления. Это позволяет быстро устанавливать необходимый участок рабочего диапазона. К недостаткам же устройства следует отнести нелинейную зависимость напряжения развертки и изменение его амплитуды при изменении диапазона рабочих частот.
Приставка состоит из ГКЧ, собранного на транзисторах VT2 VT3, буферного усилителя на транзисторе VT4. Hа элементах DA1, DA2, D4, DD1 собран генератор треугольного напряжения, на микросхеме DA5 и транзисторе VT1 -стабилизатор тока для питания ГКЧ, а на микросхеме DA3 - усилитель напряжения для развертки осциллографа.
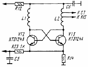
Генератор ВЧ собран по схеме мультивибратора с индуктивной нагрузкой. Такое схемотехническое решение позволило обеспечить перекрытие всего диапазона (коэффициент перекрытия по частоте примерно 5) без переключении частотозадающих элементов. Достигнуто это изменением тока через транзисторы, при этом изменяются параметры их проводимости и диффузионные емкости, что позволяет варьировать частоту такого генератора в широких пределах. Так, при изменении тока от 50 до 1,5 мА частота изменяется от 48 до 230 МГц. Но для повышения стабильности частоты и возможности управления генератором ВЧ, его следует питать от стабилизатора тока.
Управляющее напряжение для стабилизатора тока формируется на конденсаторе С3, усиливается микросхемой DA5 и ее выходной сигнал управляет током, протекающим через транзистор VT1 (и транзисторы генератора ВЧ). Элементы DA1, DA2, DA4 и DD1 обеспечивают периодическую перезарядку конденсатора. Цикл перезарядки зависит от положений движков резисторов R2 и R4. Поступающее на резисторы напряжение стабилизировано параметрическим стабилизатором R1 VD1. Усилители постоянного тока DA1 и DA2 выполняют роль компараторов напряжения - в качестве образцового использовано напряжение падения на резисторе R14, а переключающие напряжения определяются положениями резисторов R2 и R4.

В исходном состоянии конденсатор С3 разряжен, поэтому на резисторе R14 и на выводах компараторов 3 DA1 и 2 DA2 будет напряжение, близкое к нулю. В этом случае на входе R триггера DD1 будет высокий логический уровень, а на выходе S - низкий, соответственно на прямом выходе триггера будет низкий уровень, а на инверсном - высокий. В таком состоянии на выходе микросхемы DA4 будет напряжение 10...11 В и начнется зарядка конденсатора С3 через резистор R11.
Увеличение напряжения на конденсаторе приводит к увеличению тока через генератор ВЧ и к уменьшению генерируемой частоты. Когда падение напряжения на резисторе R14 сравняется с напряжением на движке резистора R4, на выходе компаратора DA2 появится низкий логический уровень, но состояние триггера не изменится и процесс зарядки конденсатора продолжится.
При увеличении напряжения на резисторе R14 до уровня напряжения на движке резистора R2, на выходе компаратора DA1 появится высокий логический уровень, состояние триггера изменится на противоположное, поэтому на выходе микросхемы DA4 будет напряжение -10...-11 В и начнется разрядка конденсатора С3. При этом компаратор DA1 переключится в состояние с низким логическим уровнем на выходе, но триггер не перебросится и конденсатор С3 продолжит разрядку.
При разрядке конденсатора до напряжения срабатывания компаратора DA2, на его выходе появится высокий логический уровень, триггер переключится, на выходе микросхемы DA4 будет напряжение 10...11 В - снова начнется зарядка конденсаторе С3.
Таким образом, изменяя напряжение на движках резисторов R2 и R4, можно изменять напряжения на входах компараторов, между которыми происходит перезарядка конденсатора С3, т.е. диапазон изменения тока, протекающего через генератор ВЧ, а значит, и диапазон изменения его частоты. Так как эти напряжения можно устанавливать независимо друг от друга, то обеспечивается независимая установка верхней и нижней частот диапазона качания частоты генератора.
На комденсаторе С3 формируется треугольное напряжение, а не пилообразное, как это обычно бывает в подобных устройствах. Поэтому частота ГКЧ перестраивается вверх и вниз с одинаковой скоростью. Это позволило устранить необходимое в таких случаях устройство гашения обратного хода луча, что, конечно же, упрощает конструкцию.
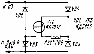
Следует отметить, что линейность треугольного напряжения будет невысокой, но вполне удовлетворительной. Если линейность имеет важное значение, то в цепи зарядки конденсатора вместо резистора R11 следует включить стабилизатор тока, выполненный по схеме, приведенной на рис.2.
Буферный усилитель на транзисторе VT4 обеспечивает развязку между генератором ВЧ и нагрузкой, а также формирует необходимый уровень выходного напряжения: на выходе XS1 он составляет 100мВ, а на выходе ХS2 -10мВ.
Для синхронизации развертки осциллографа использовано падение напряжения на резисторе R14, оно пропорционально изменению частоты (поскольку оба являются функцией тока через транзисторы генератора), но с обратной зависимостью-большее напряжение на резисторе соответствует меньшему значению частоты. Поэтому его подают на инвертирующий усилитель (микросхема DA3) с регулируемым коэффициентом передачи. На его выходе формируется напряжение для синхронизации развертки осциллографа, имеющее прямую зависимость между напряжением и частотой. Амплитуда этого напряжения устанавливается резистором R10.
Все радиоэлементы приставки размещены на печатной плате. Она изготовлена из двустороннего фольгированного текстолита. Свободная от элементов сторона оставлена металлизированной и соединена с другой стороной фольгой по периметру платы. Эта сторона одновременно является и передней панелью устройства, а детали закрываются корпусом, лучше металлическим.
В устройстве можно применить элементы следующих типов: ОУ-К140УД6 или К140УД7 (с буквенными индексами А и Б), цифровая микросхема - К561ТМ2, 564ТВ1 или другие микросхемы серий К561, 564, содержащих RS-триггер. Кроме того, триггер можно собрать и на основе логических элементов микросхем К561ЛА7, К561ЛЕ5 и др.
Транзистор VT1 - КТ603 (с буквенными индексами А - Г); КТ608 (А, Б) КТ630 (А. Б), КТ815 (А - Г), КТ817 (А - Г); VT2 и VT3 -КТ3123А, КТ3123В, а при уменьшении диапазона перестройки и КТ363Б, при использовании транзисторов КТ3101А, КТ3124А, КТ3132А схему генератора надо изменить в соответствии со схемой на рис.3; VT4 - КТ368 (А,Б), КТ399А, К73101А, КТ3124А или им аналогичные.
Стабилитрон - КС147А, КС156А.
Резисторы R2, R4, R10 - СП, СПО, СП4-1, остальные - МЛТ. Конденсаторы С1,С3 - К50-6, К53-1, К52-1, С7-КД, КТ, остальные - КМ, КЛС, КД.
Гнезда XS1, XS2 любые высокочастотные, например телевизионные. Катушки L1, L2 бескаркасные, намотаны на оправке диаметром 2 мм и содержат по 5 витков провода диаметром 0,5 мм, длина намотки 15 мм.
Схема выносной детекторной головки приведена на рис.4. В ней можно применить высокочастотные детекторные диоды - КД419А, ГД507А или аналогичные им. Все элементы размещены в корпусе от фломастера и соединения между ними должны иметь минимальную длину. С осциллографом она соединяется экранированным проводом.
Налаживание устройства начинают с генератора ВЧ. Для этого временно нижний по схеме вывод резистора R11 отсоединяют от микросхемы DA4 и подключают его к движку резистора R2. К гнезду XS1 подключают частотомер, затем, вращая резистор R2, измеряют диапазон изменения частоты генератора - коэффициент его перекрытия по частоте должен быть не менее 5. Если это так, то устанавливают границы диапазона за счет одновременного изменения числа витков катушек или сжимая и разжимая витки. Если коэффициент перекрытия оказался меньше, то можно попытаться увеличить его за счет уменьшения номинала резисторов R3 и R5 на 20...30%.
После этого все соединения восстанавливают и убеждаются в работоспособности генератора треугольного напряжения. Для этого контролируют напряжение на резисторе R14 при вращении резисторов R2 и R4.
Затем подключают приставку к осциллографу и резистором R10 устанавливают развертку по горизонтали на весь экран.
После этого к гнезду XS1 подключают нагрузку (резистор 75 или 50 Ом) и детекторную головку, а ее выход-на "Вход Y" осциллографа. При этом на экране должна появиться кривая, отражающая частотную зависимость выходного напряжения. Подбором номиналов элементов С7, С10, R13 и мест подключения последних к L2 добиваются напряжения около 100 мВ при ее неравномерности не более 30%. В конструкции автора конденсатор С7 был подключен к первому, а резистор R13 - к третьему витку катушки L2, считая от нижнего по схеме вывода.
В заключение проводят градуировку шкал резисторов R2 и R4. Для этого на вход подключенной к разъему XS1 детекторной головки через резистор сопротивлением 200...300 Ом подают сигнал с эталонного генератора. С частотой, например, 100 МГц и изменяют его амплитуду до получения аккуратной метки на кривой. После этого ручкой "Fн" совмещают начало развертки с этой меткой и делают отметку на шкале. Затем ручкой "Fв" совмещают конец развертки с этой меткой и также делают отметку уже на шкале этого резистора. Аналогично градуируют шкалу для других частот.
Для питания приставки использован двуполярный стабилизированный источник питания, обеспечивающий ток по плюсовой шине до 100 мА и по минусовой - до 10 мА.

Обсудить эту статью на форуме (0 ответов).
Вся информация, предоставленная на данном ресурсе разрешена к ознакомлению детям школьного возраста. Все практическое использование может быть связана с повышенной электрической опасностью и разрешено детям только под присмотром взрослых.