Цифровой вольтметр постоянного тока

Вольтметр предназначен для индикации постоянного напряжения в диапазоне от 0 до +100В. В зависимости от входного делителя и прошивки микроконтроллера диапазоны измерений могут быть 0..+1В, 0..+10В, 0..+999В.
Применим для измерения бортового напряжения автомобилей, установки в источники питания, стенды, приборные стойки
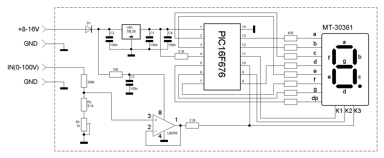
и др. Принципиальная схема приведена на рисунке1.

Основные характеристики :
1. Напряжение питания – 8..16В
2. Потребляемый ток <50 мА
3. Входное напряжение – 0..100В
4. Дискретность отсчета – 0, 1В
5. Погрешность – 0,1В
6. Диапазон рабочих температур -10..+50С
7. Форма входного напряжения – постоянное, импульсное, синусоидальное (положительной полярности!!!)

Рис.1. Принципиальная схема
Рис.1. Принципиальная схема

Авторы проекта:

Виталий Петренко
Александр Гаркавец

г. Запорожье.

E-mail: Адрес электронной почты защищен от спам-ботов. Для просмотра адреса в браузере должен быть включен Javascript.
http://www.badabum.hut2.ru

Обсудить эту статью на форуме (0 ответов).
Вся информация, предоставленная на данном ресурсе разрешена к ознакомлению детям школьного возраста. Все практическое использование может быть связана с повышенной электрической опасностью и разрешено детям только под присмотром взрослых.