Широкодиапазонный функциональный генератор

Задумав построить для домашней лаборатории измерительный генератор, радиолюбители в последнее время все чаще останавливают свой выбор на замкнутой релаксационной системе, состоящей из интегратора и компаратора. Объясняется это тем, что такие генераторы, как правило, проще в изготовлении, чем генераторы синусоидального сигнала, а их возможности гораздо шире. Однако при использовании ОУ широко распространенных серий (К140, К153, К553 и т. п.) получить большую скорость нарастания выходного напряжения интегратора и малое время "отклика" компаратора не удается, поэтому верхняя граничная частота большинства описанных в радиолюбительской литературе генераторов не превышает 10...20 кГц.
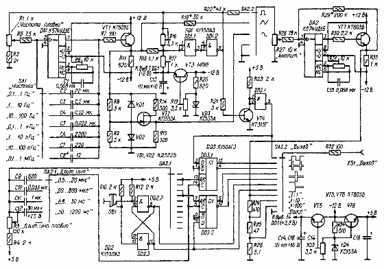
В предлагаемом вниманию радиолюбителей приборе в качестве интегратора применен ОУ К574УД1Б (скорость нарастания выходного напряжения - 50 В/мкс, частота единичного усиления - 10 МГц), а компаратор выполнен на элементах микросхемы К155ЛА3 (время задержки - не более 30...40 нс). Это позволило расширить диапазон генерируемых частот до 1 МГц. Генератор вырабатывает напряжения прямоугольной, треугольной и синусоидальной форм, а также прямоугольные импульсы с уровнями ТТЛ и регулируемой длительностью от 0,5 мкс до 1200 мс. Выходное напряжение можно изменять в пределах 0...1 В. Коэффициент гармоник синусоидального сигнала - не более 1,5 %. Выходное сопротивление генератора - около 100 Ом.
http://www.radio-portal.ru/images/stories/pictures/3301.pngКроме уже названных интегратора (ОУ DA1) и компаратора (DD1), генератор включает в себя эмиттерный повторитель (VT1), формирователь синусоидального напряжения (VT2), масштабный усилитель (ОУ DA2, VT7), буферный каскад (VT4, DD2.1). RS-триггер (DD2.2, DD2.3). два одновибратора (DD3.1, DD3.2) и три транзисторных стабилизатора напряжения (VT3, VT5, VT6). Питается прибор от двуполярного стабилизированного источника напряжения ± 12 В. Ток, потребляемый от источника положительного напряжения,- не более 180 мА, отрицательного - 80 мА.

Прямоугольные импульсы с выхода компаратора (вывод 6 элемента DD1.2) поступают на инвертирующий вход интегратора на ОУ DA1. На выходе последнего формируется напряжение треугольной формы, которое через эмиттерный повторитель на транзисторе VT1 управляет компаратором. Переключателем SA1 частоту колебаний изменяют грубо, переменным резистором R1 - плавно. Подстроечный резистор R16 служит для установки амплитуды, a R17 - постоянной составляющей треугольного напряжения. Требуемый режим работы компаратора обеспечивается подачей на вывод 7 (общий) микросхемы DD1 напряжения -2 В с выхода стабилизатора на транзисторе VT3, а на вывод 14 -- напряжения +3,2 В с выхода стабилизатора на транзисторе VT5.
Колебания треугольной формы с эмиттера транзистора VT1 поступают в каскад, выполненный на полевом транзисторе VT2, где из них формируется синусоидальное напряжение. С истока транзистора синусоидальный сигнал подводится к секции переключателя SA2.2. Сюда же - через резисторы R18 и R22 - подаются напряжения треугольной и прямоугольной форм, снимаемые соответственно с эмиттера транзистора VT1 и выхода элемента DD1.2 компаратора. Сигнал, выбранный переключателем SA2 (его амплитуду регулируют переменным резистором R27), усиливается масштабным усилителем, выполненным на ОУ DA2 и транзисторе VT7, и поступает на ступенчатый аттенюатор - делитель напряжения R24-R26, а с него - через секцию переключателя SA3.2 и резистор R32 - на выходное гнездо XS1.
Прямоугольные импульсы с уровнем ТТЛ поступают на секцию переключателя SA3.2 с выхода буферного каскада, собранного на транзисторе VT4 и элементе DD2.1. Они же запускают одновибратор DD3.1, подключаемый к выходу прибора во втором и третьем (сверху) положениях переключателя. Длительность импульсов регулируют коммутацией конденсаторов С9--С12 и изменением сопротивления переменного резистора R3 времязадающей цепи.
Второй одновибратор микросхемы DD3 использован в формирователе одиночных импульсов (соединяется с выходом прибора в четвертом и пятом положениях переключателя SA3). При нажатии на кнопку SB1 RS-триггер на элементах DD2.2, DD2.3 изменяет свое состояние и положительным перепадом выходного напряжения запускает одновибратор DD3.2. Как и в предыдущем случае, требуемую длительность импульса устанавливают переключателем SA2.1 и резистором R3.
В приборе предусмотрена возможность использования в качестве выходного сигнала перепадов напряжения на выходах RS-триггера при нажатии на кнопку SB1 (шестое и седьмое положения переключателя SA3).
Налаживание генератора начинают с балансировки масштабного усилителя (DA2, VT7). Для этого переключатели SA1-SA3 устанавливают соответственно в положения "0,1...1 кГц", "30...1200 мс" и "1:1", включают питание и подстроечным резистором R31 добиваются нулевого напряжения на выходном гнезде XS1. Затем подстроечным резистором R19 устанавливают на выводе 7 микросхемы DD1 напряжение -2 В. а подстроечным резистором R33 - напряжение +3,2 В на ее выводе 14. После этого к выходу прибора подключают осциллограф, переводят переключатель SA2 в верхнее (по схеме) положение и теми же подстроечными резисторами R19, R33 добиваются того, чтобы прямоугольные импульсы на экране осциллографа стали симметричными (относительно уровня 0).
Далее переключатель SA2 устанавливают во второе (сверху) положение и, переместив движок резистора R1 в нижнее (по схеме) положение, подстроечным резистором R6 симметрируют сигнал треугольной формы. Симметрия последнего не должна нарушаться при переводе движка резистора R1 в другое крайнее положение. Отсутствия постоянной составляющей этого сигнала добиваются подстроечным резистором R17.
Нелинейные искажения синусоидального напряжения сводят к минимуму подстроечным резистором R16, установив переключатель SA2 в третье положение.
После этого движок переменного резистора R27 переводят в верхнее (по схеме) положение и подбирают резистор R29 до получения на выходе прибора напряжения 1В. Таких же напряжений прямоугольной и треугольной форм добиваются подбором резисторов R22 и R18.
В заключение подбирают конденсатор С8 до получения верхней граничной частоты генерируемых колебаний, равной 1 МГц.
Следует отметить, что при желании максимальную частоту генератора можно повысить до 2...2,5 МГц. Для этого конденсатор С8 следует исключить, а сопротивление резистора R16 увеличить до 6,8...10 кОм. Правда, при этом возникнут трудности с получением синусоидального сигнала, так как с увеличением сопротивления указанного резистора уменьшится амплитуда треугольного напряжения. Выход из положения - введение усилителя с линейной (в полосе частот 0...3 МГц) АЧХ между интегратором и формирователем синусоидального напряжения.

 

А. ИШУТИНОВ, г. Свердловск, Радио №1, 1987 г., стр.56
Обсудить эту статью на форуме (0 ответов).
Вся информация, предоставленная на данном ресурсе разрешена к ознакомлению детям школьного возраста. Все практическое использование может быть связана с повышенной электрической опасностью и разрешено детям только под присмотром взрослых.