Микрофоныстетоскопы

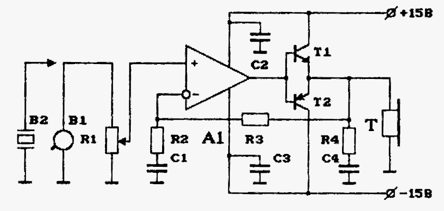
Перечень деталей: R1=100k - 1M, R2=10k - 20k (подбирается при настройке чувствительности), R3=1M - 2M, R4=10 Ом; С1=0.1мкФ - 1.0мкФ,
С2=0.1мкФ - 0.3мкФ, С3=0.1мкФ-0.3мкФ, С4=0.1мкФ, А1 - операционный усилитель 140УД12, 140УД20, 140УД8 или любые другие со внутренней коррекцией; Т1, Т2 - КТ3102, КТ3107 или КТ315, КТ361 или аналогичные, составляющие комплементарную пару.
Монтаж: на одностороннем стеклотекстолите. Конденсаторы С2, С3 размещают максимально близко к ОУ. Устройство рекомендуется поместить в

Обсудить эту статью на форуме (0 ответов).
Вся информация, предоставленная на данном ресурсе разрешена к ознакомлению детям школьного возраста. Все практическое использование может быть связана с повышенной электрической опасностью и разрешено детям только под присмотром взрослых.