Микрофон-стетоскоп

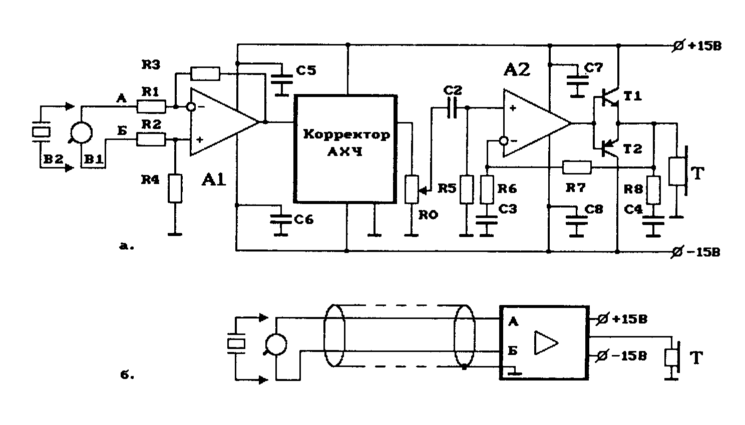
В состав схемы введен корректор АЧХ, иначе говоря - регулятор тембра. Он корректирует под ем в области высоких частот у сигнала с датчика. Вполне можно обойтись и без корректора АЧХ, просто подав сигнал с выхода А1 на резистор R0. Недостаток схемы в наличии двуполярного питания. Желающие могут взять за основу схему рис.2 и соответственно ее доработать, сделав двухкаскадной. Первый каскад осуществляет предварительное усиление с подавлением синфазной помехи ( особенно фона переменного тока). Необходимо, чтобы А1 был малошумящим. Подключение датчика к УНЧ осуществляется витой парой в экране.

Перечень деталей: R1=R2=100k-500k, R3=R4=1M-5M, R0=5k-100k (регулировка громкости), R5=100k-1M (должен быть много больше R0), R6=10k-20k (регулировка чувствительности), R7=100k-200k, R8=10 Om; C2=0.1мкФ-1.0мкФ, С3=0.1мкФ-1.0мкФ, С4=0.1мкФ, С5=0.1мкФ-0.3мкФ, С6=С7=С8=0.1мкФ-0.3мкФ; А1 и А2 - операционные усилители 140УД12, 140УД20, 140УД8 или любые другие со внутренней коррекцией и в типовом включении; Т1, Т2 - КТ3102, КТ3107 или КТ315, КТ361 или аналогичные, составляющие комплементарную пару.
Монтаж: на одностороннем стеклотекстолите. Конденсаторы С5, С6, С7, С8 размещают максимально близко к ОУ. Устройство необходимо поместить в жестяной экран

 

Микрофон-стетоскоп улучшенной чувствительности (а) и схема подключения удаленного пьезодатчика(б).

Микрофон-стетоскоп улучшенной чувствительности (а) и схема подключения удаленного пьезодатчика(б).

Обсудить эту статью на форуме (0 ответов).
Вся информация, предоставленная на данном ресурсе разрешена к ознакомлению детям школьного возраста. Все практическое использование может быть связана с повышенной электрической опасностью и разрешено детям только под присмотром взрослых.