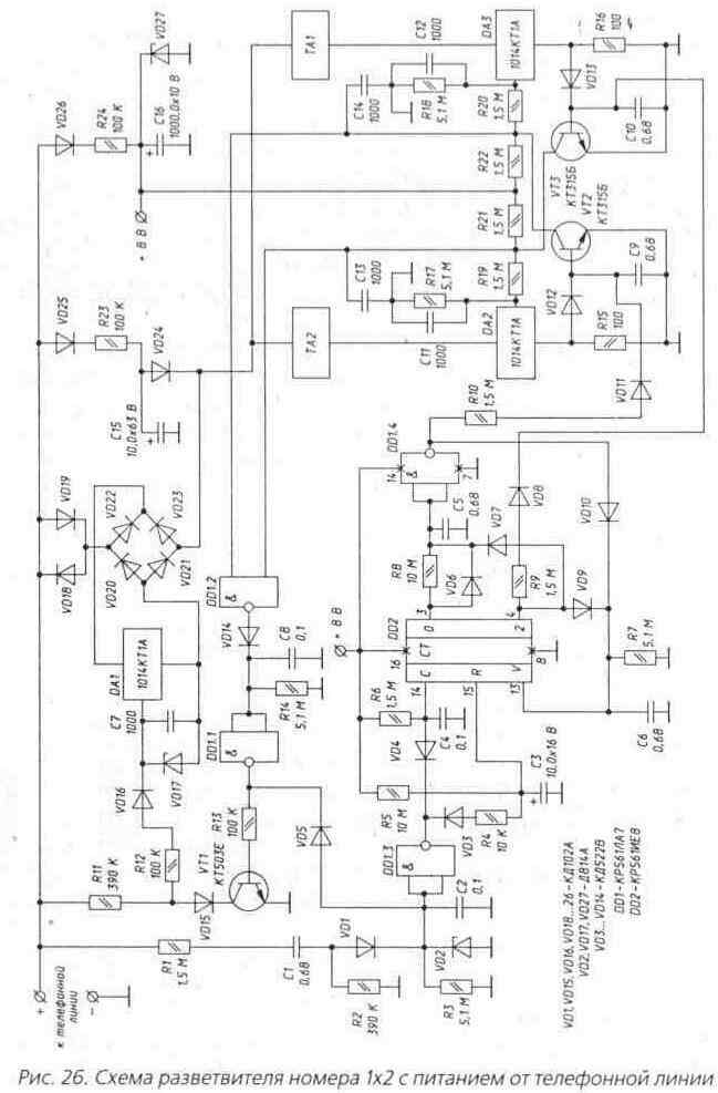
Разветвитель номера 1х2 с питанием от телефонной линии

На рисунке представлена принципиальная схема разветвителя номера 1х2 с питанием от телефонной линии.

В состав схемы входят:

• входной узел обработки посылки вызова (Rl,Cl, R2,VD1,VD2, R3, С2, DD1.3);

• счетный узел DD2;

• ключ коммутации телефонов на линию (DA1,мост VD20...VD23, VT1);

• ключ блокировки ТА2 (DA2, VT3);

• ключ блокировки ТА1 (DA3, VT2);

• реле времени 50 сек. (R5, СЗ);

• реле времени 10 сек. (R8, С5, DD1.4);

• цепи питания VD25, R23, С15 (60 вольт), VD26, R24, С16, VD27 (8 В).

Принцип работы разветвителя заключается в следующем.

При включении в телефонную линию согласно обозначенной полярности С15 заряжается до +60 В, С16 заряжается до +8 В (питание микросхем). В режиме ожидания оба телефона отключены от линии вследствие того, что ключ DA1 заперт по цепочке: +8 В с выхода DD1.1, база VT1, нулевой потенциал на коллекторе VT1 поддерживает нуль на управляющем входе DA1 (это не следует проверять осциллографом!).

При поступлении вызова на входной узел DD1.3 ИС счетчика DD2 подготавливается к счету вследствие обнуления СЗ через цепочку R4, VD3, и далее по заднему фронту сформированных импульсов, поступающих на вход 14 DD2, производится подсчет (осциллограф рекомендуется подключать либо на выход DD1.3, либо на выходы DD2, для исключения шунтирования мегаомных цепей). Порядок дозвона до первого абонента (ТА 1)

После окончания второй посылки вызова высокий уровень появляется на выходе 4 DD2, счет останавливается, и включается ТА1 (по цепочке: R9, VD8, база VT3, нуль на входе DD1.2, нуль на базе VT1, открывание DA1, мост VD20...VD23 подключает ТА1 к плюсу телефонной линии). Телефон ТА2 при этом блокируется за счет отключения DA2. Третья посылка вызова (100...200 В, 25 Гц) поступает только на ТА1.

Порядок дозвона до второго абонента (ТА2)

Если между первой и второй посылками вызова пауза больше, чем 9...10 секунд (то есть входящий абонент использует логический номер: набор номера, одна посылка вызова, сброс линии, пауза 10 секунд, повторный набор номера), то реле времени R8, С5

переключает элемент DD1.4. При этом включается ТА2 (по цепочке: R10 ,5, база VT2, нуль на входе DD1.2, нуль на базе VT1, открывание DA1 и моста VD20...VD23). Первый телефон ТА1 блокируется вследствие закрытия ключа DA3 (через [0] на коллекторе VT2), и вызов поступает на ТА2.

Исходящая связь (на примере ТА 1)

В исходном состоянии на верхних но схеме выводах ТА1, ТА2 поддерживается +60 В с С 15 через VD24. При снятии трубки на ТА1 на резисторе R16 кратковременно выделяется около 2 вольт, что приводит к блокировке DA2 (через коллектор VT3), а также к открытию ключа коммутации VT1, DA1. Телефон ТА1 подключается к линии, и на резисторе R16 поддерживается до 2 В, обеспечивая коммутацию первого аппарата на линию. При наборе номера емкость С10, а также цепочка R14, С8, VD14 не позволяют разблокировать коммутацию.

Некоторые рекомендации по настройке

Правильно собранная схема работает сразу. Одна из возможных неисправностей состоит в следующем: разброс параметров КР561ЛА7 приводит к тому, что при переключении DD1.4 (после окончания паузы в 10 секунд) на выходе DD.1.4 наблюдается «дребезг контактов», счетчик DD2 отрабатывает этот «дребезг», и высокий уровень появляется на выходе 4 DD2 (то есть включается ТА1, а не ТА2). Емкость С6 предназначена для предотвращения этого процесса. Можно ее несколько увеличить либо (в крайнем случае) поменять ЛА7 на другую.

Исходная установка (после обнуления)

• коллектор VT1 — ноль;

• выход DD1.1 — единица (+8 В);

• выход DD1.2 — ноль;

• выход DD1.3 — единица;

• выход 3 DD2 — единица;

• выход DD1.4 — ноль;

• плюс С 15 - +60 В;

• плюс С16 - +7,8 В.

Особенности применения

Устойчивая работа обеспечивается на АТС типа АТС-54, АТСК с полной синхронизацией посылок вызова и сигнала КПС (контроль посылки вызова для звонящего абонента).

Напряжение в телефонной линии — не ниже 48 В. Подключенные к разветвителю телефонные аппараты должны потреблять от линии неболее 20...50 мкА (11 и III классы сложности). АТС не ;должна менять полярность в режиме соединения.

Обсудить эту статью на форуме (0 ответов).
Вся информация, предоставленная на данном ресурсе разрешена к ознакомлению детям школьного возраста. Все практическое использование может быть связана с повышенной электрической опасностью и разрешено детям только под присмотром взрослых.