
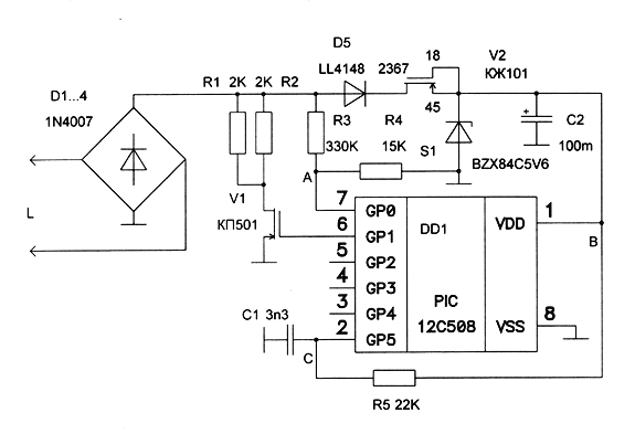
Блокиратор межгорода позволяет запретить несанкционированные звонки с вашего номера по междугородней или внутригородской связи. Доступ к междугородней (внутригородской) связи осуществляется с помощью набора дополнительного кода. Набор кода производиться прямо с Вашего телефонного аппарата.
Блокиратор устанавливается в стандартную телефонную розетку, поэтому обнаружить его достаточно трудно. Подключается параллельно телефонной линии и соответственно контролирует набор на всём промежутке линии от АТС до телефона. Имеется возможность программирования (смена кода, запрет или разрешение набора междугородних или городских номеров и т.д.). Программирование блокиратора производится со стандартного телефонного аппарата.
Подробнее на www.eleus.ru