Дуплексное переговорное устройство

Наибольшей популярностью пользуются дуплексные переговорные устройства, т.е. такие, которые позволяют, как при обычной телефонной связи, одновременно говорить и слушать друг друга. По такому принципу построено и предлагаемое устройство. Оно рассчитано на три, пять или другое нечетное число абонентов и состоит из стольких же одинаковых пультов.
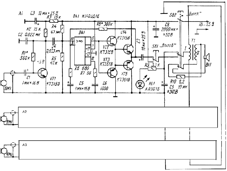
Каждый абонентский пульт устройства (рис.1) содержит микрофон ВМ1, усилитель ЗЧ на транзисторах VT1 - VT5 и операционном усилителе DA1, дифференциальный трансформатор Т1, динамическую головку ВА1, кнопку вызова SB1, световой индикатор вызова на светодиоде HL1 и выключатель питания SB2. Источник питания для каждого пульта - индивидуальный.
Каскад на транзисторе VT1 и операционный усилитель, включенный по типовой схеме, усиливают сигнал, поступающий с микрофона, по напряжению. Составной эмиттерный повторитель на транзисторах VT2 - VT5 повышает выходной ток операционного усилителя, что равносильно усилению сигнала по мощности. Благодаря введению между выходом эмиттерного повторителя и входом операционного усилителя (через резистор R8) отрицательной обратной связи удалось снизить нелинейные искажения "ступенька". Цепочка стандартной коррекции R7C6 предотвращает самовозбуждение операционного усилителя. Для ослабления фона переменного тока (при питании переговорного устройства от сетевого блока) и прочих помех полоса пропускаемых усилителем частот установлена равной 350...3500 Гц. Конденсатор С2 ограничивает полосу пропускания сверху, а разделительные конденсаторы C1, C4, С5, С7 - снизу.
Выходная мощность усилителя при максимальном напряжении питания (25 В) на нагрузке сопротивлением 100 Ом составляет 230 мВт при коэффициенте гармоник не более 10 %, потребляемый от источника питания ток в режиме молчания - 7 мА, а при максимальной громкости - не более 40 мА.
В показанном на схеме положении переключателя SB2 во всех пультах они оказываются выключенными. Для вызова, скажем, с пульта А1 остальных абонентов (или кого-нибудь из них), нужно нажать кнопку выключателя-переключателя SB2, а затем на несколько секунд - кнопку вызова SB1. При этом в линии связи появится постоянное напряжение и светодиоды выключенных пультов вспыхнут. Вызываемые абоненты включают свои пульты и начинают переговариваться.

 

 

Сигнал с микрофона говорящего абонента, в данном случае пульта А1, усиленный усилителем ЗЧ, создает в обмотке I дифференциального трансформатора Т1 два примерно одинаковых по силе, но противоположно направленных (от среднего вывода) тока, которые протекают по последовательно соединенным первичным обмоткам трансформаторов остальных пультов. Благодаря применению дифференциального трансформатора голос будет хорошо слышен в динамических головках других пультов, но значительно ослабляться в головке "своего" пульта, что уменьшает склонность пульта к самовозбуждению из-за акустической обратной связи между микрофоном и динамической головкой. Другое положительное свойство трансформаторного выхода усилителя состоит в согласовании малого сопротивления динамических головок с сопротивлением линии связи, благодаря чему протяженность линии может достигать нескольких километров.
Для согласования входного сопротивления выключенного пульта с линией связи служат резистор R10, сопротивление которого равно сопротивлению звуковой катушки головки, и конденсатор С9, замыкающий разговорную цепь пульта при его выключении.
Для питания пульта подойдет либо автономный источник (он не показан на схеме) в виде, например, двух последовательно соединенных батарей "Крона", либо сетевой блок питания напряжением 18...25 В при токе нагрузки до 40 мА. В последнем варианте верхнюю по схеме группу контактов переключателя SB2 целесообразно включить в цепь сетевой обмотки трансформатора питания.
Теперь о деталях и конструкции устройства. В качестве микрофона можно использовать капсюль ДЭМШ или любой электродинамический микрофон, например, от бытового магнитофона. Переключатель SB2 - П2К с фиксацией положения, кнопка SB1 - П2К без фиксации положения.
Трансформатор Т1 выполнен на магнитопроводе Ш6х8. Обмотка I содержит 2х300 витков и намотана двумя сложенными вместе проводами ПЭВ-1 0,18, после чего конец одной полуобмотки соединен с началом другой. Обмотка II содержит 65 витков провода ПЭВ-1 0,62. Подойдет готовый выходной трансформатор от малогабаритного транзисторного радиоприемника с двухтактным выходным каскадом, имеющий коэффициент трансформации (соотношение числа витков первичной и вторичной обмоток) 8...12, например, от радиоприемников "Нейва-602", "Гиала-402", "Атмосфера", однако при этом несколько ухудшится подавление сигнала от своего микрофона. Магнитопровод и моточные данные трансформаторов всех пультов должны быть одинаковые. Динамическая головка - любая, мощностью от 0,1 до 1 Вт со звуковой катушкой сопротивлением 8 Ом.
Кроме указанных на схеме, можно использовать другие транзисторы серий КТ315, КТ312, KT201(VT1), МП37А, МП37Б, КТ315Г - КТ315Е, КТ201А, КТ201Б (VT2), МП20А - МП20Д, МП40А, КТ361А- КТ361В, КТ203А, КТ203Б, КТ208А - КТ208М, КТ209Г - КТ209К (VT3), КТ315Б - КТ315Е, КТ201А, КТ201Б, КТ503А - КТ503Е (VT4), КТ361А - КТ361Е, КТ203А, КТ203Б, КТ208А - КТ208М, КТ209Г - КТ209К, КТ502А - КТ502Е (VT5). Транзисторы комплементарных пар (VT2 и VT3, VT4 и VT5) должны быть с одинаковыми или возможно близкими параметрами. Вместо указанного на схеме светодиода подойдет любой из серии АЛ102. Резисторы МЛТ-0,25, конденсаторы БМ-2 (С2, С4, С6), К50-6 (остальные).
Для двухпроводной линии связи пригоден медный провод диаметром не менее 0,32 мм в изоляции, например, двужильный телефонный провод.
После проверки монтажа к пульту подключают питание и измеряют напряжение на эмиттерах транзисторов VT4, VT5 - оно должно составлять примерно половину питающего. В случае необходимости (если напряжение отличается более чем на 20 %) подбирают точнее резистор R8. Затем измеряют напряжение на коллекторе транзистора VT1 и корректируют его подбором резистора R1.
После подобной проверки всех пультов их устанавливают на рабочие места и подключают к линии связи. Нажимая кнопку SB1, проверяют работу световой сигнализации, после чего контролируют качество связи, разговаривая перед микрофоном. Если прослушиваемый звук сопровождается заметными на слух искажениями, которые уменьшаются при снижении громкости разговора, можно рекомендовать замену резистора R8 другим, с меньшим сопротивлением, но таким, при котором громкость связи падает незначительно. Если же звук получается "глухой", следует улучшить воспроизведение верхних частот, уменьшив емкость конденсатора С2 или удалив его.

М. РИВЛИН, г. Рязань, Радио №1, 1991 г.

 

Обсудить эту статью на форуме (0 ответов).
Вся информация, предоставленная на данном ресурсе разрешена к ознакомлению детям школьного возраста. Все практическое использование может быть связана с повышенной электрической опасностью и разрешено детям только под присмотром взрослых.