Квазителефонное переговорное устройство

Обычные телефонные аппараты с неисправными номеронабирателями либо такие же аппараты вообще без номеронабирателей могут стать основой несколько необычного - квазителефонного (почти телефонного) - переговорного устройства, рассчитанного на восемь абонентов. Число абонентов может быть и больше - все зависит от мощности блока питания и наличия аппаратов. В любом случае один из абонентов - главный. У него на корпусе аппарата расположены кнопки вызова абонентов (рис. 1)

и световые индикаторы номера аппарата вызывающего абонента.
Кроме телефонных аппаратов, внутренняя «начинка» которых немного дорабатывается, понадобится блок автоматики - его придется изготовить самим. От него пойдут соединительные провода к аппаратам.
Квазителефонное переговорное устройство принципиально отличается от подобных конструкций, описанных в популярной радиолюбительской литературе. Использование принципа телефонной передачи позволило добиться качественной дуплексной (т. е. двухсторонней без переключения режимов приема и передачи) связи. Разговор ведут так же, как и при обычной телефонной связи, поэтому никакой подготовки для пользования устройством не требуется, что важно для оборудования такой установкой, например, школьных кабинетов или производственных помещений.
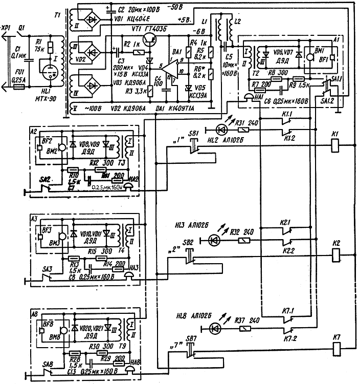
Схема переговорного устройства приведена на рис. 2.

Телефонные аппараты А1 - А8 образуют своеобразную телефонную сеть, работающую от стабильного постоянного напряжения 6В - оно снимается с блока питания. Другие напряжения блока (постоянные 5 и 50 В, переменное 100 В) используются для работы электромагнитных реле К1 - К7, цепей световой и звуковой сигнализации.
Рассмотрим работу переговорного устройства. При подаче на устройство выключателем Q1 сетевого напряжения срабатывают электромагнитные реле. Контактами К1.1, К2.1 и т. д. они размыкают цепь питания звонков НА1-НА8, а контактами К1.2, К2.2 и т. д. - цепь питания светодиодов HL2 - HL8, расположенных на корпусе аппарата А1 (чтобы не усложнять схему, они показаны условно вне аппарата).
Для вызова абонента с аппарата главного абонента снимают трубку (с микрофоном ВМ1 и телефоном BF1) и нажимают одну из кнопок SB1 - SB7. При этом одно из реле К1 - К7, соответствующее номеру аппарата вызываемого абонента, обесточивается, и к цепи питания подключается звонок аппарата. Звонок же и световая сигнализация аппарата главного абонента работать не будут, поскольку разомкнуты контакты SA1.1 и SA1.2 рычажного переключателя аппарата А1 (ведь трубка поднята).
Услышав звуковой сигнал, вызываемый абонент снимает трубку аппарата. Цепь питания звонка отключается и аппарат подключается к линии связи. Можно вести разговор.
Следует заметить, что кнопка вызова на аппарате главного абонента может быть нажата и в том случае, когда трубка не снята. Тогда включится звонок в аппарате главного абонента и вспыхнет соответствующий светодиод, а после отпускания кнопки или поднятия трубки звонок и светодиод отключатся.
При подключении обоих аппаратов к линии связи ток питания микрофона ВМ1 аппарата А1 главного абонента протекает через дроссель L2, а микрофона аппарата вызываемого абонента - через дроссель L1 Поскольку дроссель оказывает малое сопротивление постоянному току и большое - переменному, а конденсатор - сравнительно малое сопротивление переменному току и не пропускает постоянный, переменный («разговорный») ток будет проходить через конденсатор С5 и первичные обмотки трансформаторов аппаратов, подключенных к линии связи. Во вторичных обмотках трансформаторов будут индуктироваться переменные ЭДС, и по обмоткам трансформаторов и телефонов будет протекать переменный ток, приводящий в движение мембраны телефонов. Благодаря дросселям, переменный ток практически не попадает из «разговорной» цепи на выход источника питания, и последний не представляет для этого тока нагрузки.
Для вызова главного абонента любому абоненту достаточно снять телефонную трубку. Цепь питания соответствующего электромагнитного реле разомкнется (контактами рычажного переключателя аппарата), его контакты включат звонок и соответствующий светодиод на аппарате главного абонента. После снятия трубки на аппарате А1 можно разговаривать.
Как уже было сказано, переговорное устройство изготовлено на базе восьми телефонных аппаратов. Соединения внутри аппаратов обычных абонентов изменяют в соответствии со схемой устройства, а в аппарате главного абонента, кроме того, располагают кнопки вызова с надписями на клавишах номеров вызываемых абонентов и светодиоды. Правда, это потребовало для соединения аппарата главного абонента с блоком автоматики почти трех десятков проводников. Но длина проводников небольшая - ведь блок автоматики располагают вблизи аппарата главного абонента.
В блок автоматики вошли блок питания, дроссели, конденсатор С5 и электромагнитные реле. Блок питания содержит четыре источника. Снимаемое с обмотки II трансформатора питания переменное напряжение подается на диодный блок VD1. Выпрямленное им напряжение сглаживается конденсатором С2 и поступает на цепь питания электромагнитных реле. С обмотки III переменное напряжение поступает на диодную матрицу VD2. Выпрямленное ею напряжение не фильтруется и поступает на цепь световой индикации. С обмотки IV переменное напряжение поступает на диодную матрицу VD3, на выходе которой стоит сглаживающий конденсатор С3 и стабилизатор напряжения - он собран на стабилитронах VD4, VD5, операционном усилителе DA1 и регулирующем транзисторе VT1. С обмотки V переменное напряжение подается на цепь питания звонков телефонных аппаратов.
Номиналы деталей, установленных внутри телефонных аппаратов, приведены для аппарата ТАН-70-1 с трансформатором ТТ-1 (МЕЧ.730.001 ТУ). Сопротивление обмотки звонка такого аппарата постоянному току равно 820 Ом. Электромагнитные реле взяты типа РЭС9, паспорт РС4.524.201. Возможно использование других реле, но при этом нужно учитывать сопротивление обмотки звонка. При последовательном соединении реле и звонка реле должно срабатывать, если на эту цепь подать постоянное напряжение 50 В (его снимают с выводов конденсатора С2).
Трансформатор Т1 блока питания выполнен на магнитопроводе Ш20Х32. Обмотка I содержит 2500 витков провода ПЭВ-2 0,1, экранирующая обмотка (ее соединяют с общим проводом) - один слой провода ПЭВ-2 0,1, намотанного поверх сетевой обмотки, обмотка II - 630 витков ПЭВ-2 0,51, обмотка III - 63 витка ПЭВ-2 0,25, обмотка IV - 126 витков ПЭВ-2 0,25, обмотка V - 1260 витков ПЭВ-2 0,18.
Дроссели можно выполнить на магнитопроводе ШЛ8Х25 или ШЛ8Х16 из ленточного железа. Понадобится два сердечника, на каждом из них нужно намотать по 1800 витков провода ПЭВ-1 0,25.
Диодный блок VD1 можно заменить четырьмя диодами, рассчитанными на выпрямленный ток не менее 0,5 А и обратное напряжение не ниже 100 В. Вместо диодных матриц КД906А допустимо применить любые диоды, рассчитанные на обратное напряжение не ниже 25 В и выпрямленный ток более 100 мА. Диоды Д9Д заменимы другими диодами этой серии. Кроме указанных на схеме, подойдут другие светодиоды с прямым напряжением 3...4 В. В зависимости от потребляемого светодиодом тока выбирают ограничительный резистор соответствующего сопротивления. Транзистор ГТ403Б заменим другим германиевым транзистором структуры р-n-р со статическим коэффициентом передачи тока не менее 30 и допустимым током коллектора не ниже 100 мА.
Конденсатор С1 может быть МБМ на номинальное напряжение не менее 400 В; С2 и СЗ - К50-6; С4 - КСО; С5 - МБГП или другой бумажный с номинальным напряжением не ниже указанного на схеме; С6 - С13 -МБМ. Резистор R1 -МЛТ-1, остальные резисторы - МЛТ-0,5.
Детали блока автоматики смонтированы на основании из изоляционного материала, к которому с помощью металлических уголков прикреплена лицевая панель из черного полистирола - на ней установлены выключатель питания и сигнальная лампа HL1. Между их выводами прикреплены резистор R1 и конденсатор С1. В нижней части панели укреплена гнездовая часть разъема РП14 (он на схеме не показан), используемого для подключения ответной ножевой части разъема со жгутом проводов от аппарата главного абонента.
На основании смонтированы также самодельный разъем ХР1 для подключения сетевого шнура и зажимы для подключения проводов связи с абонентами. Основание вдвигается в корпус и скрепляется с ним двумя винтами со стороны дна. Корпус склеен из белого полистирола, внешние габариты его 195х115х80 мм.
Как правило, собранное без ошибок переговорное устройство в налаживании не нуждается, за исключением более точного подбора (если это нужно) резистора R6 для получения постоянного напряжения на выходе стабилизатора. В случае нечеткого срабатывания электромагнитных реле или вибрирования их якорей следует увеличить емкость конденсатора С2 до 200 мкФ.
Каждый абонентский аппарат соединяют с аппаратом главного абонента тремя проводами, что, конечно, снижает достоинства переговорного устройства. Однако в случае использования при монтаже соединительных коробок число проводов уменьшится, поскольку телефонные аппараты содержат по два «одинаковых» провода - общий и вывод трансформатора.
К недостатку переговорного устройства можно отнести и постоянно включенные (кроме периода разговора) электромагнитные реле, бесполезно потребляющие электроэнергию. Правда, потребляемая мощность невелика - менее 10 Вт (при вызове абонента она возрастает до 13...15 Вт), но и ее нежелательно растрачивать.
Если во время разговора двух абонентов поднимет трубку третий, он тоже услышит разговор. Конечно, громкость звука в телефонах разговаривающих абонентов несколько упадет, и они заметят подключение. Достаточно в этом случае главному абоненту несколько раз нажать рычажный переключатель своего аппарата, как вспыхнувший светодиод укажет номер аппарата подключившегося абонента.

Обсудить эту статью на форуме (0 ответов).
Вся информация, предоставленная на данном ресурсе разрешена к ознакомлению детям школьного возраста. Все практическое использование может быть связана с повышенной электрической опасностью и разрешено детям только под присмотром взрослых.