Переговорное устройство с двухпроводной линией связи

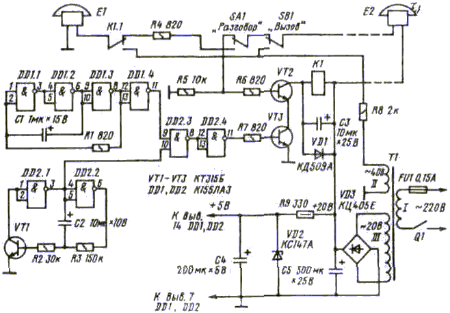
Принципиальная схема переговорного устройства, имеющего двухпроводную линию связи, представлена на рис.1. Но прежде чем начать рассмотрение его работы, необходимо пояснить сущность и назначение информационных сигналов.

Информационные сигналы вырабатываются приборами станции и передаются в линию для извещения вызывающего абонента о процессе установления соединения, а также о свободности или занятости соединительных линий и линий вызванного абонента. На станциях городских телефонных сетей применяют следующие информационные сигналы:

"Ответ станции" - непрерывная посылка электрических сигналов частотой 425 Гц,
"Занято" - периодические посылки тока частотой 426 Гц длительностью 0,3...0,4 с и с интервалом 0,3...0,4 с ("короткие гудки");
"Контроль посылки вызова" - периодические посылки тока частотой 425 Гц длительностью 1 и с интервалом 4 с ("длинные гудки");
Кроме того, для сообщения абоненту дополнительной информации можно использовать сигнал частотой 800 Гц (например, при установлении автоматического междугородного соединения).
На логических элементах DD1.1-DD1.3 микросхемы DD1 выполнен генератор, вырабатывающий импульсы частотой около 400 Гц (примерно такую частоту имеют сигналы длинных, коротких гудков и ответа станции в городских телефонных сетях). Элемент DD1.4, включенный инвертором, повышает нагрузочную способность генератора. На логических элементах DD2.1 и DD2.2 собран генератор импульсов, период следования которых составляет 4...5 с. Логический элемент DD2.3 суммирует сигналы двух генераторов, в результате чего на базу транзистора VT3 поступает напряжение сигнала "длинные гудки".

Пусть второй абонент желает вызвать первого. Для этого ему достаточно снять микротелефонную трубку своего аппарата Е2. При этом на базу транзистора VT2 через нормально замкнутые контакты переключателя SA1 и кнопки SB1, резистор R6 и внутреннее сопротивление телефонного аппарата поступит постоянное напряжение двухполупериодного выпрямителя. А так как на базу транзистора VT3 подается прерывистое напряжение, снимаемое с выходов генераторов на микросхеме DD1 и логических элементах DD2.1, DD2.2, то реле К1 будет срабатывать и отпускать с периодом 4...5 с. Контактами К 1.1 на телефонный аппарат Е1 будет периодически подаваться переменное напряжение с обмотки II трансформатора Т1 через ограничительный резистор R8. Цепь прохождения переменного тока следующая: верхний (по схеме) вывод обмотки II ? резистор R8 - замыкающие контакты К 1.1 - телефонный аппарат El - общий провод - нижний (по схеме) вывод обмотки II. Одновременно в микротелефонной трубке аппарата Е2 будут слышны сигналы "длинные гудки". Они поступают с резистора R7 на базу транзистора VT3, усиливаются им и далее через эмиттерный переход транзистора VT2, резистор R6, нормально замкнутые контакты переключателя SA1 и кнопки SB1 - на аппарат Е2.

Услышав звонок, первый абонент должен перевести переключатель SA1 "Разговор" в противоположное показанному на схеме положение. Это приведет к закрыванию транзистора VT2, поскольку цепь подачи положительного напряжения разомкнется, и его база окажется соединенной с общим проводом через резисторы R5 и R6, а реле К1 обесточится; подача переменного напряжения на телефонный аппарат Е1 прекратится. Абоненты могут вести разговор.

Как быть, если первый абонент захочет вызвать второго? Для этого он должен нажать кнопку SB1 "Вызов" (разумеется, напряжение питания подано на устройство выключателем Q1). При этом на телефонный аппарат Е2 от обмотки II трансформатора Т1 через резистор R8, замыкающие контакты кнопки SB1 и внутреннее сопротивление источника напряжения +20 В поступает вызывное переменное напряжение. Услышав звонок, вызываемый абонент снимает трубку, при этом вызов проходит к первому абоненту (как было описано выше), он переводит переключатель SA1 в другое положение, и абоненты ведут разговор. Переключатель SA1 может быть установлен в требуемое положение и до нажатия кнопки SB1. По окончании разговора контакты переключателя SA1 возвращают в исходное положение.

Диод VD1 предохраняет транзистор VT2 от выбросов напряжения (или, как говорят, от экстранапряжений), возникающих на обмотке реле К1 при его переключении. Конденсатор СЗ исключает вибрацию якоря реле от прохождения сигнала звуковой частоты, вырабатываемого генератором на микросхеме DD1.

Микросхемы DD1, DD2 можно заменить соответствующим аналогом из серий К 133, К 158, К555. Транзисторы VT1-VT3 - КТ312Б,КТ315 (В,Д,Е), КТ603 (А,Б), КТ608, КТ630, КТ503 (с любыми буквенными индексами), КТ3117А. Диод VD1 -любой из серий Д220 Д223, Д226, КД102; выпрямительный мост VD3 - любой из серий КЦ402, КЦ405, КЦ407. Оксидныс конденсаторы - К50-6, К50-16, К50-12, К50-24. Все резисторы - типа МЛТ или С2-33.Реле К1 - РЭС15 (паспорт РС4.591.004), РЭС10 (паспорта РС4.524.302, РС4.524.312, РС4.524.319). Кнопка SB1-КМ1,П2К;переключатель SA1 l и выключатель питания Q1-тумблер ТП1-2, 1В2-1.М11.

Сетевой трансформатор выполнен на ленточном магнитопроводе ШЛ 16х25. Обмотка I содержит 2200 витков провода ПЭВ-2 0,08, обмотка II - 400 витков ПЭВ-2 0,10, обмотка III - 200 витков ПЭВ-2 0,19. Можно использовать также и готовые унифицированные трансформаторы ТПП216, ТПП217, ТПП218, ТПП225, ТПП226, ТПП234-ТГ1П238, ТПП247, ТПП248 и др., соединив соответствующим образом их обмотки для получения нужного напряжения (справочные данные приведены в журнале "Радио , 1982 г., No 1,c.59-60).

Большая часть элементов переговорного устройства смонтирована на печатной плате из одностороннего фольгированного стеклотекстолита толщиной 1,5...2 мм (рис. 2). Установочные отверстия элементов рассчитаны под оксидные конденсаторы К50-6 или K.50-16, реле РЭС15; типы остальных элементов указаны на принципиальной схеме.

Печатную плату и трансформатор питания целесообразно разместить в корпусе телефонного аппарата Е1 (желательно использовать аппарат без номеронабирателя, например ТА-68ЦБ-2). В этом случае коммутационные элементы SA1, SB1, Q1 располагают на передней наклонной стенке корпуса. Если же габаритные размеры трансформатора Т1 не позволят разместить его и печатную плату в корпусе аппарата, переговорное устройство собирают в отдельном корпусе. выполненном в виде подставки под телефонный аппарат.

Обсудить эту статью на форуме (0 ответов).
Вся информация, предоставленная на данном ресурсе разрешена к ознакомлению детям школьного возраста. Все практическое использование может быть связана с повышенной электрической опасностью и разрешено детям только под присмотром взрослых.