Световой сигнализатор вызова

Рис.1 Схема светового сигнализатора вызова

Рис.1 Схема светового сигнализатора вызова
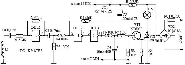
Предназначенный для людей с пониженным слухом, он обеспечивает появление светового сигнала при поступлении вызова к абоненту (рис.1). Индуктивный датчик L1 располагают в магнитном поле катушки звонка телефонного аппарата. Создаваемое им переменное напряжение через разделительный конденсатор С1 поступает на вход усилителя на логическом элементе DD1.1, работающем в аналоговом (линейном) режиме. Такой режим достигается введением отрицательной обратной связи по постоянному току через резистор R2. Усиленный в десятки раз сигнал через дифференцирующую цепь С2 R3 поступает на формирователь - триггер Шмитта, выполненный на логических элементах DD1.2, DD1.3. С выхода триггера Шмитта сигнал поступает (через резисторы R6, R7) на базу высоковольтного транзистора VT1, включенного в цепи управляющего электрода тринистора VS1. Особенность такого способа включения транзистора ? незначительная рассеиваемая на нем мощность. Это объясняется тем, что после открывания тринистора напряжение между коллектором и эмиттером транзистора уменьшается до 1..2 В, и ток через него практически прекращается. Тринистор управляет нагрузкой - осветительной лампой НА1, которая и сигнализирует о поступающем вызове к абоненту.

Рис.2 Монтажная плата светового сигнализатора а) вид со стороны печатных проводников; б) размещение деталей на плате

Рис.2 Монтажная плата светового сигнализатора а) вид со стороны печатных проводников; б) размещение деталей на плате

Конденсатор С4 сглаживает пульсации вызывного напряжения и исключает мерцание сигнальной лампы НА1.
Питание микросхемы осуществляется от параметрического стабилизатора, в котором работают элементы R10, VD1, СЗ.
Микросхему К561ЛН2 можно заменить на K561ЛH1, К561ЛА7, К561ЛА9 или соответствующие аналоги из серии К176. Транзистор VT1 - КТ605, КТ940 с любыми буквами. Тринистор VS1 - KУ201К(Л), КУ202(К-Н). Конденсаторы - КМ-6, К 10-7 (C1, C2), К50-6, К50-16, К50-12 (СЗ, С4). Функцию датчика L1 выполняет катушка электромагнитного реле PC 13 (паспорт РС4.523.026). Она содержит 28 000 витков провода ПЭВ-1 0,05 и обладает сопротивлением 8 кОм. Длина катушки 40 мм. Подойдут также катушки от аналогичных реле типа РКН, РКМ. Можно применять и самодельный датчик. Его магнитопроводом может быть стальной пруток диаметром 5...7 мм (например, обычный гвоздь).
Телефонный световой сигнализатор монтируют на плате из фольгированного стеклотекетолита (рис.2). Плату размещают в корпусе размерами 210х140х40 мм в виде подставки под телефон. Катушка-датчик L1 должна находиться на расстоянии не более 50...70 мм от обмотки звонка телефонного аппарата.
Необходимой чувствительности устройства добиваются подбором резистора R1.
Мощность лампы накаливания HL1 может быть 25...150 Вт.

Обсудить эту статью на форуме (0 ответов).
Вся информация, предоставленная на данном ресурсе разрешена к ознакомлению детям школьного возраста. Все практическое использование может быть связана с повышенной электрической опасностью и разрешено детям только под присмотром взрослых.