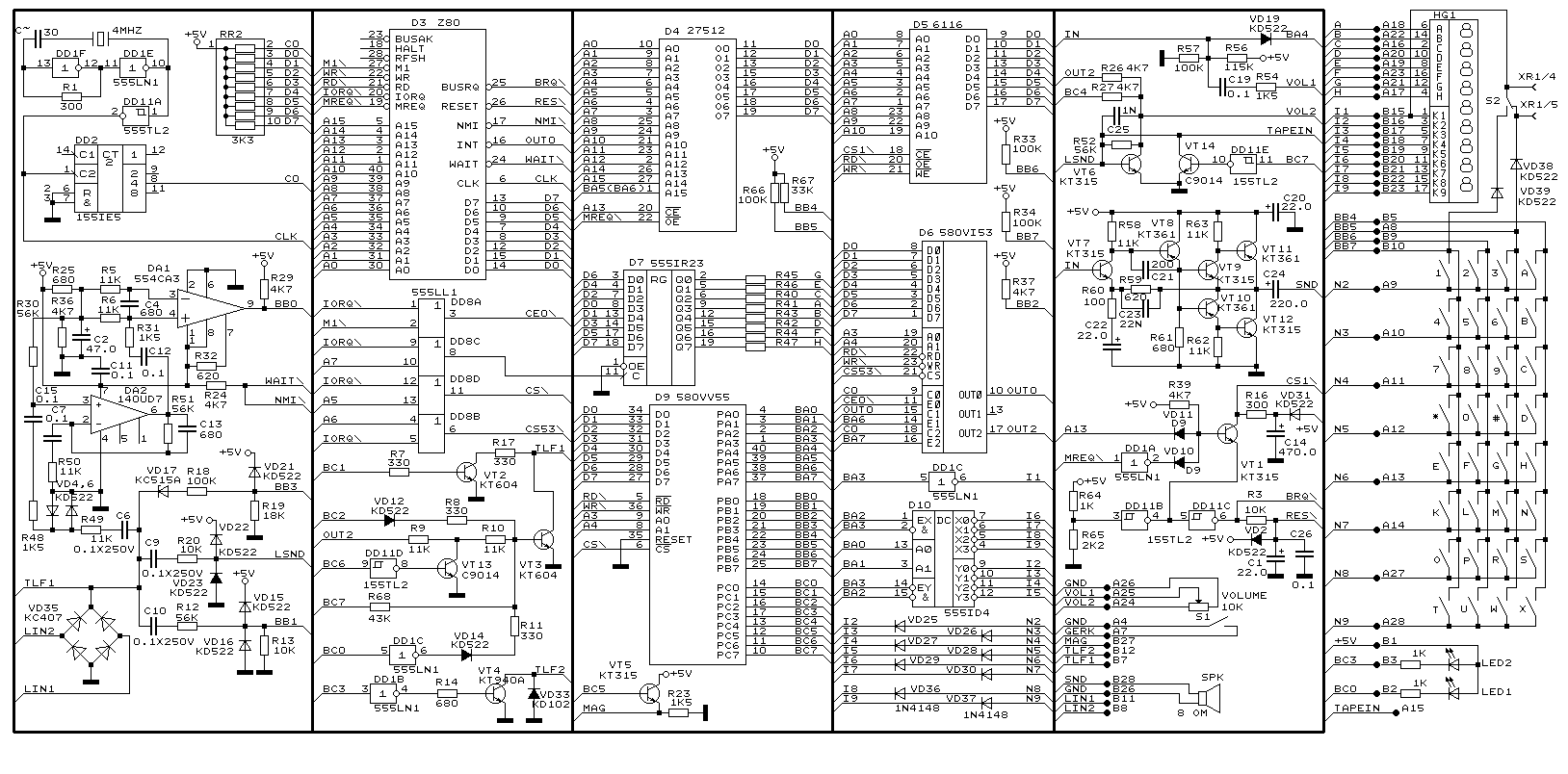
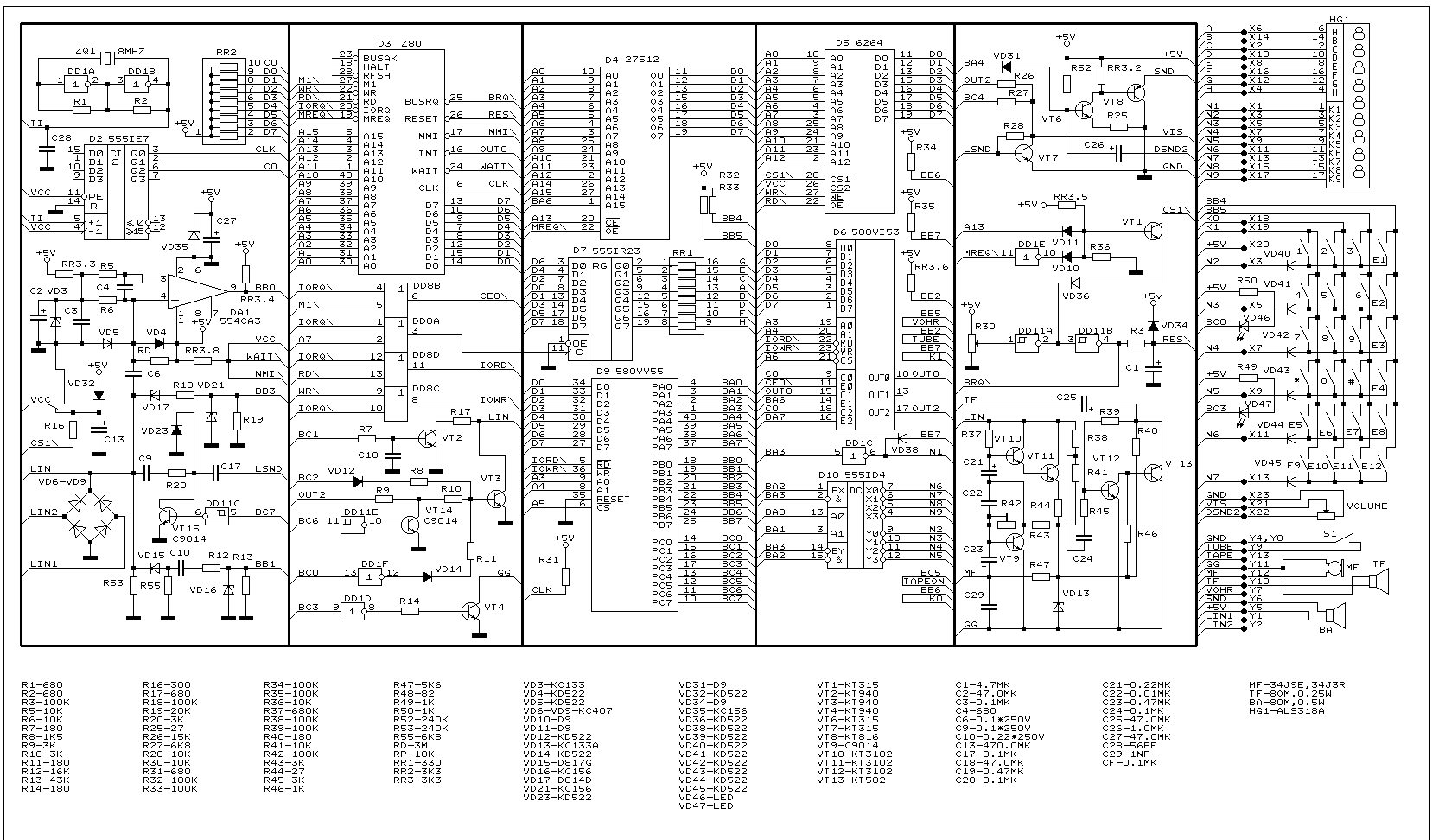
Схема АОН Z80

Обсудить эту статью на форуме (0 ответов).
Вся информация, предоставленная на данном ресурсе разрешена к ознакомлению детям школьного возраста. Все практическое использование может быть связана с повышенной электрической опасностью и разрешено детям только под присмотром взрослых.