Зарядка стабильным током

Существует несколько методов зарядки аккумуляторов: постоянным током с контролем напряжения на заряжаемом аккумуляторе; при постоянном напряжении, контролируя ток зарядки; по Вубриджу (правилу ампер-часов) и др.

Каждый из перечисленных способов имеет как преимущества, так и недостатки. Справедливости ради следует отметить, что самым распространенным, да и надежным, остается все же зарядка постоянным током. Появление микросхемных стабилизаторов напряжения, позволяющих работать в режиме стабилизации тока, делает применение этого способа еще более привлекательным. Кроме того, только зарядка постоянным током обеспечивает наилучшее восстановление емкости аккумулятора, когда процесс разбивают, как правило, на две ступени: заряжают номинальным током и вдвое меньшим.

Например, номинальное напряжение батареи из четырех аккумуляторов Д-0,25 емкостью 250 мА-ч - 4,8...5 В. Номинальный зарядный ток обычно выбирают равным 0,1 от емкости - 25 мА. Заряжают таким током до тех пор, пока напряжение на аккумуляторной батарее не достигнет 5,7...5,8 В при подключенных клеммах зарядного устройства, а затем в течение двух-трех часов продолжают заряжать током около 12 мА. 

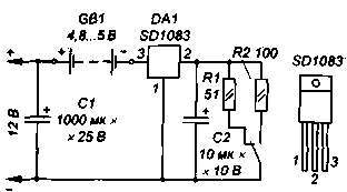
Зарядное устройство (см. схему) питают выпрямленным напряжением 12В. Сопротивление токоограничительных резисторов рассчитывают по формуле: R = Uст / I, где Uст - напряжение стабилизации микросхемного стабилизатора; I -зарядный ток. В рассматриваемом случае Ucт = 1,25 В; соответственно сопротивление резисторов - R1 = 1,25 / 0,025 = = 50 Ом, R2= 1,25/0,0125 =100 Ом.

В устройстве можно применить микросхемы SD1083, SD1084, ND1083 или ND1084. Стабилизатор необходимо установить на теплоотвод. Можно снизить напряжение питания зарядного устройства и тем самым уменьшить выделяемую на стабилизаторе мощность, однако целесообразно питать таким напряжением, чтобы иметь возможность заряжать и другие типы аккумуляторных батарей.

От редакции. Близкий аналог стабилизатора SD1083 - отечественная микросхема КР142ЕН22. Применим и стабилизатор КР142ЕН12.

В. СЕВАСТЬЯНОВ, г. Воронеж

Обсудить эту статью на форуме (0 ответов).
Вся информация, предоставленная на данном ресурсе разрешена к ознакомлению детям школьного возраста. Все практическое использование может быть связана с повышенной электрической опасностью и разрешено детям только под присмотром взрослых.