Источник питания для автомобильного трансивера

"Radiotechica 1990/2".

Автомобильные Трансиверы (типа FT-747, Icom-735) при передаче потребляют значительный ток от2 до 20 А. Создание сетевого источника питания для таких TRX представляет серьезную проблему.

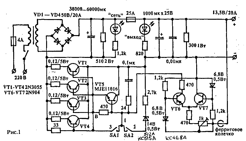
На рис.1 приведена принцииальная схема такого блока питания. Вторичная обмотка трансформатора должна быть рассчитана на ток 20 А и напряение 20 В.

Диоды моста устанавливаются на радиаторах, лучше использо- вать силовые диоды с барьером Шоттки. Стабилизатор с защиой от замыканий выполнен на VT1...VT7. Выходное напряжеие устанавливается подстроечым резистором 1 к. Усилитель сигнала ошибки выполнен на дифференциальном каскаде VT6, VT7. Повторитель на сотавном транзисторе VT5 управляет регулирующими транзиторами VT1...VT4, в эмиттерые цепи которых включены выравнивающие резисторы 0,12 Ом, обеспечивающие равномерое распределение тока по всем четырем транзисторам (по 5 А на каждый).

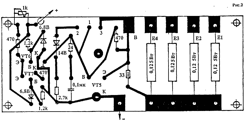
Печатная плата устройства показана на рис.2. Сетевой выпряитель, фильтрующие конденаторы и VT1...VT4 установлеы вне платы. Коллекторы VT1...VT4 гальванически соединены с корпусом, что позвояет использовать шасси в качестве радиатора без изолирующих прокладок. В качестве VT1...VT4 можно использовать КТ819, VT5 — КТ8 27, VT6 и VT7 — КТ814. Все — с любой буквой.


Обсудить эту статью на форуме (0 ответов).
Вся информация, предоставленная на данном ресурсе разрешена к ознакомлению детям школьного возраста. Все практическое использование может быть связана с повышенной электрической опасностью и разрешено детям только под присмотром взрослых.