В радиолюбительсой литературе неоднократно высказывалось мнение о необходимости питания УМЗЧ от стабилизированного источника питания для обеспечения более естественного его звучания. Действительно, при максимальной выходной мощности усилителя пульсации напряжения нестабилизированного источника могут достигать нескольких вольт. При этом напряжение питания может существенно снижаться за счет разряда конденсаторов фильтра. Это незаметно при пиковых значениях выходного напряжения на высших звуковых частотах, благодаря достаточной емкости фильтрующих конденсаторов, но сказывается при усилении низкочастотных составляющих большого уровня, так как в музыкальном сигнале они имеют большую длительность. В результате фильтрующие конденсаторы успевают разряжаться, снижается напряжение питания, а значит, и максимальная выходная мощность усилителя. Если же снижение напряжения питания приводит к уменьшению тока покоя выходного каскада усилителя, то это может приводить и к возникновению дополнительных нелинейных искажений. 
другой стороны, использование стабилизированного источника питания, построенного по обычной схеме параметрического стабилизатора, увеличивает потребляемую им от сети мощность и требует применения сетевого трансформатора большей массы и габаритов. Помимо этого, возникает необходимость " отвода тепла, рассеиваемого выходными транзисторами стабилизатора. Причем зачастую мощность, рассеиваемая выходными транзисторами УМЗЧ, равна мощности, рассеиваемой выходными транзисторами стабилизатора, т. е. половина мощности тратится впустую. Импульсные стабилизаторы напряжения имеют высокий КПД, но достаточно сложны в изготовлении, имеют большой уровень высокочастотных помех и не всегда надежны.
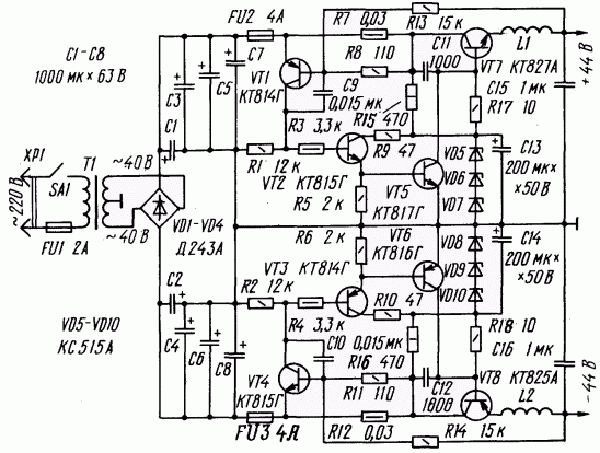
Если к блоку питания не предъявляется жестких требований по стабильности напряжения и уровню пульсации, то в качестве источника питания можно использовать обычный двуполярный блок питания, принципиальная схема которого показана на рис1
Мощные составные транзисторы VT7 и VT8, включенные по схеме эмиттерных повторителей, обеспечивают достаточно хорошую фильтрацию пульсации напряжения питания с частотой сети и стабилизацию выходного напряжения благодаря установленным в цепи баз транзисторов стабилитронам VD5 — VD10. Элементы LI, L2, R16, R17, C11, C12 устраняют возможность возникновения высокочастотной генерации, склонность к которой объясняется большим коэффициентом усиления по току составных транзисторов.Величина переменного напряжения, поступающего от сетевого трансформатора, выбрана такой, чтобы при максимальной выходной мощности УМЗЧ (что соответствует току в нагрузке 4А) напряжение на конденсаторах фильтра С1 — С8 снижалась примерно до 46...45 В. В этом случае падение напряжения на транзисторах VT7, VT8 не будет превышать 4 В, а рассеиваемая транзисторами мощность составит 16 Вт. При уменьшении мощности, потребляемой от источника питания, увеличивается падение напряжения на транзисторах VT7, VT8, но рассеиваемая на них мощность остается постоянной из-за уменьшения потребляемого тока. Блок питания работает как стабилизатор напряжения при малых и средних токах нагрузки, а при максимальном токе — как транзисторный фильтр. В таком режиме его выходное напряжение может снижаться до 42...41 В, уровень пульсации на выходе достигает значения 200 мВ, КПД равен 90 %.
Как показало макетирование, плавкие предохранители не могут защитить усилитель и блок питания от перегрузок по току из-за своей инерционности. По этой причине было применено устройство быстродействующей защиты от короткого замыкания и превышения допустимого тока нагрузки, собранное на транзисторах VT1—VT6. Причем функции защиты при перегрузках положительной полярности выполняют транзисторы VT1, VT2, VT5, резисторы Rl, R3, R5. R7 — R9, R13 и конденсатор С9, а отрицательной — транзисторы VT4, VT3, VT6, резисторы R2, R4, R6, R10— R12, R14 и конденсатор С10.
Рассмотрим работу устройства при перегрузках положительной полярности. В исходном состоянии при номинальной нагрузке все транзисторы устройства защиты закрыты. При увеличении тока нагрузки начинает расти падение напряжения на резисторе R7, и если оно превысит допустимое значение, начинает открываться транзистор VT1, а вслед за ним и транзисторы VT2 и VT5. Последние уменьшают напряжение на базе регулирующего транзистора VT7, а значит, и напряжение на выходе блока питания. При этом за счет положительной обратной связи, обеспечиваемой резистором R13, уменьшение напряжения на выходе блока питания приводит к ускорению дальнейшего открывания транзисторов VT1, VT2, VT5 и быстрому закрыванию транзистора VT7. Если сопротивление резистора положительной обратной связи R13 мало, то после срабатывания устройства защиты напряжение на выходе блока питания не восстанавливается даже после отключения нагрузки. В этом режиме необходимо было бы предусмотреть кнопку запуска, отключающую, например, на короткое время резистор R13 после срабатывания защиты и в момент включения блока питания. Однако, если сопротивление резистора R13 выбрать таким, чтобы при коротком замыкании нагрузки ток не был равен нулю, то напряжение на выходе блока питания будет восстанавливаться после срабатывания устройства защиты при уменьшении тока нагрузки до безопасной величины. Практически сопротивление резистора R13 выбирается такой величины, при которой обеспечивается надежное включение блока питания при ограничении тока короткого замыкания значением 0,1...0,5 А. Ток срабатывания устройства защиты определяет резистор R7.Аналогично работает устройство защиты блока питания при перегрузках отрицательной полярности.
Конструкция и детали. Все детали блока питания размещены на одной плате. Исключение составляют транзисторы VT7, VT8 блока цитания, размещенные на отдельных теплоотводах с площадью рассеивающей поверхности 300 см2 каждый. Катушки LI, L2 блока питания (рис. 3) содержат 30—40 витков провода ПЭВ-1 1,0, намотанного на корпусе резистора С5-5 или МЛТ-2. Резисторы R7, R12 блока питания представляют собой отрезок медного провода ПЭЛ, ПЭВ-1 или ПЭЛШО диаметром 0,33 и длиной 150 мм, намотанного на корпусе резистора МЛТ-1. Трансформатор питания выполнен на тороидальном магнитопроводе из электротехнической стали Э320, толщиной 0,35 мм, ширина ленты 40 мм, внутренний диаметр магнито-провода 80, наружный — 130 мм. Сетевая обмотка содержит 700 витков провода ПЭЛШО 0,47, вторичная — 2Х130 витков провода ПЭЛШО 1,2.
Каждый из транзисторов КТ825Г можно заменить составными транзисторами КТ814Г, КТ818Г, а КТ827А — составными транзисторами КТ815Г, КТ819Г. Вместо стабилитронов КС515А можно использовать соединенные последовательно стабилитроны Д814А (Б, В, Г, Д) и КС512А.
Проверка исправности блока питания. Для этого, заменив резисторы R7, R12 блока питания более высокоомными (примерно 0,2...0,3 Ом), проверяют работоспособность блока питания устройства защиты. Оно должно срабатывать при токе нагрузки 1...2 А. Убедившись в нормальной работе блока питания и УМЗЧ, устанавливают резисторы R7, R12 с номинальным сопротивлением, указанным на принципиальной схеме контролируя отсутствие срабатывания устройства защиты.
ЛИТЕРАТУРА
1. Лексины Валентин и Виктор. О заметности нелинейных искажений усилителя мощности.— Радио, 1984, № 2, с. 33—35.
2. Солнцев Ю. Какой же Кг допустим? — Радио,1985,№ 2,с. 26— 28.
3. Солнцев Ю. Высококачественный усилитель мощности.— Радио, 1984, № 5, с, 29—34.
4. Гумеля Е. Качество и схемотехника УМЗЧ.— Радио, 1985, № 9, с. 31—34.