Микромощный стабилизированный преобразователь напряжения

Устройство предназначено для использования в переносной бытовой и измерительной аппаратуре с автономным питанием и потребляемой мощностью не более 0,15 Вт. Как известно, особое значение для таких источников питания имеет их КПД.

Основные технические характеристики

Выходная мощность, Вт, не более ……………………………………………. 0,15

Коэффициент стабилизации …………………………………………………... 100

Напряжение питания (Uп),В …………………………………………………… 4 .. 12

Частота преобразования, кГц …………………………………………………. 20

КПД при входном напряжении 9 В и выходной мощности 40 мВт, % …….. 75

Двойная амплитуда пульсации, мВ, при выходной мощности 40 мВт …….. 50

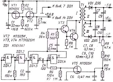
Описываемое ниже устройство отличается простотой и хорошей повторяемостью, имеет двупопярный выход. По принципу действия устройство представляет собой ключевой преобразователь, оснащенный стабилизатором с ШИ регулированием. На элементах DD1.1 и DD1.2 (рис. 1) собран задающий генератор, работающий на частоте 20 кГц. Переменное напряжение с его выхода поступает на одновибратор на элементах DD1.3, DD1.4. Длительность его выходных импульсов зависит от суммарного сопротивления, включенного между входом элемента DD1.4 и общим проводом. Для повышения КПД преобразователя микросхему DD1 питают напряжением 3,6 В, снимаемым со стабилизатора на транзисторах VT1, VT2.

 

Импульсы с выхода одновибратора поступают на вход усилителя мощности на транзисторах VT3, VT4. В момент, когда транзисторы открыты, через первичную обмотку трансформатора Т1 протекает линейно увеличивающийся ток. Когда транзисторы закрываются, полярность напряжения на первичной обмотке изменяется и накопленная в ней энергия передается в нагрузку через диоды VD1 и VD2. Напряжение обратной связи с обмотки III трансформатора Т1 через делитель на резисторах R9—R11 поступает на затвор транзистора VT5, работающего в режиме переменного резистора.

Уменьшение напряжения на выходе преобразователя от установленного уровня вызывает уменьшение отрицательного напряжения на затворе транзистора VT5. Сопротивление транзистора, а значит, и постоянная времени цепи C4R6R7VT5 уменьшаются. Длительность формируемых одновибратором отрицательных импульсов становится меньше. Так как частота задающего генератора постоянна, то транзисторы VT3, VT4 открываются на большее время и выходное апряжение возвращается к установленному уровню.

Таким образом, выходное напряжение поддерживается постоянным несмотря на изменение питающего напряжения и тока нагрузки.

Времязадающие элементы одновибратора подобраны так, что длительность его выходных импульсов меньше длительности периода колебаний задающего генератор во всем интервале изменения входного напряжения, поэчому к моменту прихода на одновибратор нового запускающего импульса уже готов к работе.

Трансформатор Т1 намотан на кольцевом магнитопроводе типоразмера К12х5,5х5 из феррита М2000НМ-А. Все обмотки одинаковы и содержат по 100 витков провода ПЭВ-2 0,1. Их наматывают одновременно, в три провода. Для трансформатора подойдет и кольцо большего диаметра с примерно таким же сечением, магнитная проницаемость тоже не критична. Можно использовать и готовый импульсный трансформатор МИТ-4В.

Конденсаторы С1, С9, С10 — К53-14. Транзисторы КТ3102БМ можно заменить любыми кремниевыми структуры n-p-n, а КП103Е — на КП103Ж, КП103И. Вместо транзистора КП303И можно использовать КП303А, КП303Б, КП303Ж. Диоды Д9Б можно заменить любыми германиевыми.

При налаживании преобразователя сначала подборкой резистора R3 устанавливают на выходе стабилизатора напряжение 3,6 В. Затем, подбирая резистор R10 (грубо) и регулируя подстроечный резистор R9 (точно), добиваются требуемого выходного напряжения, причем возможно получение напряжения, почти вдвое превышающего указанное на схеме, при той же выходной мощности.

Если же нужно еще большее выходное напряжение (например 2х15 В), придется увеличить соответственно число витков обмоток II и III трансформатора. В этом случае сначала укладывают на магнитопровод первичную обмотку, равномерно распределяя ее по кольцу, а затем в два провода наматывают обмотки II и III.

Обсудить эту статью на форуме (0 ответов).
Вся информация, предоставленная на данном ресурсе разрешена к ознакомлению детям школьного возраста. Все практическое использование может быть связана с повышенной электрической опасностью и разрешено детям только под присмотром взрослых.