Регулятор сетевого напряжения

В последнее время в нашем быту все чаще применяются электронные устройства для плавной регулировки сетевого напряжения. С помощью таких приборов управляют яркостью свечения ламп, температурой электронагревательных приборов, частотой вращения электродвигателей.
Подавляющее большинство регуляторов напряжения, собранных на тиристорах, обладают существенными недостатками, ограничивающими их возможности. Во-первых, они вносят достаточно заметные помехи в электрическую сеть, что нередко отрицательно сказывается на работе телевизоров, радиоприемников, магнитофонов. Во-вторых, их можно применять только для управления нагрузкой с активным сопротивлением - электролампой или нагревательным элементом, и нельзя использовать совместно с нагрузкой индуктивного характера - электродвигателем, трансформатором.
http://www.radio-portal.ru/images/stories/pictures/5107_1.pngМежду тем все эти проблемы легко решить, собрав электронное устройство, в котором роль регулирующего элемента выполнял бы не тиристор, а мощный транзистор.
Транзисторный регулятор напряжения содержит минимум радиоэлементов, не вносит помех в электрическую сеть и работает на нагрузку как с активным, так и индуктивным сопротивлением. Его можно использовать для регулировки яркости свечения люстры или настольной лампы, температуры нагрева паяльника или электроплитки, скорости вращения электродвигателя вентилятора или дрели, напряжения на обмотке трансформатора.
Устройство имеет следующие параметры: диапазон регулировки напряжения-от 0 до 218 В; максимальная мощность нагрузки при использовании в регулирующей цепи одного транзистора - не более 100 Вт.
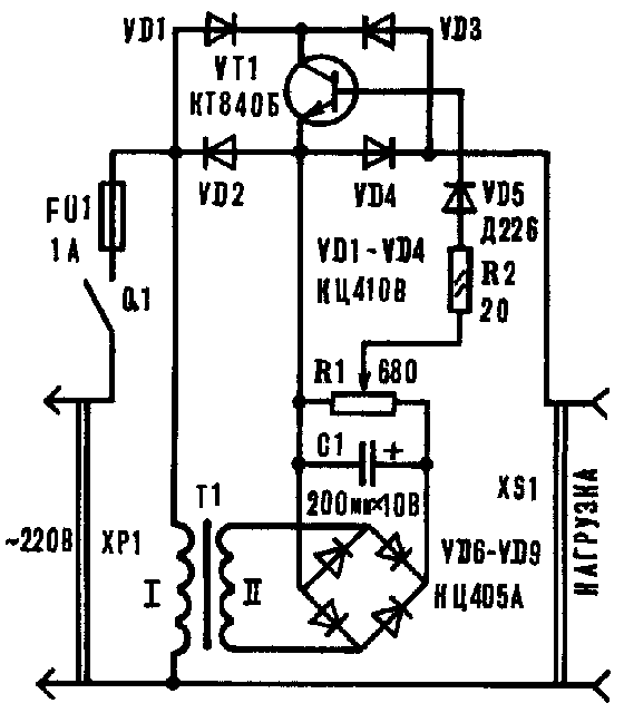
Регулирующий элемент прибора - транзистор VT1 (рис.1). Диодный блок VD1-VD4 в зависимости от фазы сетевого тока направляет его на коллектор или эмиттер VT1. Трансформатор Т1 понижает напряжение 220 В до 5-8 В, которое выпрямляется диодным блоком VD6- VD9 и сглаживается конденсатором С1. Переменный резистор R1 служит для регулировки величины управляющего напряжения, а резистор R2 ограничивает ток базы транзистора. Диод VD5 защищает VT1 от попадания на его базу напряжения отрицательной полярности. Устройство подсоединяется к сети вилкой ХР1. Розетка XS1 служит для подключения нагрузки.

Регулятор действует следующим образом. После включения питания тумблером Q1 сетевое напряжение поступает одновременно на диоды VD1, VD2 и первичную обмотку трансформатора Т1. При этом выпрямитель, состоящий из диодного блока VD6- VD9, конденсатора С1 и переменного резистора R1, формирует управляющее напряжение, которое поступает на базу транзистора и открывает его. Если в момент включения регулятора в сети оказалось напряжение отрицательной полярности, ток нагрузки протекает по цепи VD2 - эмиттер-коллектор VT1-VD3. Если полярность сетевого напряжения положительная, ток протекает по цепи VD1 - коллектор-эмиттер VT1-VD4. Значение тока нагрузки зависит от величины управляющего напряжения на базе VT1. Вращая движок R1 и изменяя значение управляющего напряжения, управляют величиной тока коллектора VT1. Этот ток, а следовательно, и ток, протекающий в нагрузке, будет тем больше, чем выше уровень управляющего напряжения, и наоборот. При крайнем правом по схеме положении движка переменного резистора транзистор окажется полностью открыт и "доза" электроэнергии, потребляемая нагрузкой, будет соответствовать номинальной величине. Если движок R1 переместить в крайнее левое положение, VT1 окажется запертым и ток через нагрузку не потечет.
Управляя транзистором, мы фактически регулируем амплитуду переменного напряжения и тока, действующих в http://www.radio-portal.ru/https://radio-portal.su/cache/5107_2_images_stories_pictures_thumb_medium600_0.png

http://www.radio-portal.ru/images/stories/pictures/5107_2.png
нагрузке. Транзистор при этом работает в непрерывном режиме, благодаря чему такой регулятор лишен недостатков, свойственных тиристорным устройствам.
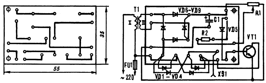
Теперь перейдем к конструкции прибора. Диодные блоки, конденсатор, резистор R2 и диод VD6 устанавливаются на монтажной плате размером 55х35 мм, выполненной из фольгированного гетинакса или текстолита толщиной 1-2 мм (рис.2).
В устройстве можно использовать следующие детали. Транзистор - КТ812А(Б), КТ824А(Б), КТ828А(Б), КТ834А(Б,В), КТ840А(Б), КТ847А или КТ856А. Диодные блоки: VD1- VD4-KЦ410B или КЦ412В. VD6- VD9 - КЦ405 или КЦ407 с любым буквенным индексом; диод VD5 - серии Д7, Д226 или Д237. Переменный резистор - типа СП, СПО, ППБ мощностью не менее 2 Вт, постоянный - ВС, МЛТ, ОМЛТ, С2-23. Оксидный конденсатор - К50-6, К50-16. Сетевой трансформатор - ТВ3-1-6 от ламповых радиоприемников и усилителей, ТС-25, ТС-27 - от телевизора "Юность" или любой другой маломощный с напряжением вторичной обмотки 5-8 В. Предохранитель рассчитан на максимальный ток 1 А. Тумблер - Т3-С или любой другой сетевой. ХР1 - стандартная сетевая вилка, XS1 - розетка.
Все элементы регулятора размещаются в пластмассовом корпусе с габаритами 150х100х80 мм. На верхней панели корпуса устанавливаются тумблер и переменный резистор, снабженный декоративной ручкой. Розетка для подключения нагрузки и гнездо предохранителя крепятся на одной из боковых стенок корпуса. С той же стороны сделано отверстие для сетевого шнура. На дне корпуса установлены транзистор, трансформатор и монтажная плата. Транзистор необходимо снабдить радиатором с площадью рассеяния не менее 200 см2 и толщиной 3-5 мм.
Регулятор не нуждается в налаживании. При правильном монтаже и исправных деталях он начинает работать сразу после включения в сеть.
Теперь несколько рекомендаций тем, кто захочет усовершенствовать устройство. Изменения в основном касаются увеличения выходной мощности регулятора. Так, например, при использовании транзистора КТ856 мощность, потребляемая нагрузкой от сети, может составлять 150 Вт, для КТ834 - 200 Вт, а для КТ847-250 Вт. Если необходимо еще больше увеличить выходную мощность прибора, в качестве регулирующего элемента можно применить несколько параллельно включенных транзисторов, соединив их соответствующие выводы. Вероятно, в этом случае регулятор придется снабдить небольшим вентилятором для более интенсивного воздушного охлаждения полупроводниковых приборов. Кроме того, диодный блок VD1-VD4 потребуется заменить на четыре более мощных диода, рассчитанных на рабочее напряжение не менее 250 В и величину тока в соответствии с потребляемой нагрузкой. Для этой цели подойдут приборы серий Д231-Д234, Д242, Д243, Д245- Д248. Необходимо будет также заменить VD5 на более мощный диод, рассчитанный на ток до 1 А. Также больший ток должен выдерживать предохранитель.

Обсудить эту статью на форуме (0 ответов).
Вся информация, предоставленная на данном ресурсе разрешена к ознакомлению детям школьного возраста. Все практическое использование может быть связана с повышенной электрической опасностью и разрешено детям только под присмотром взрослых.