Блок питания с электронным вольтметром

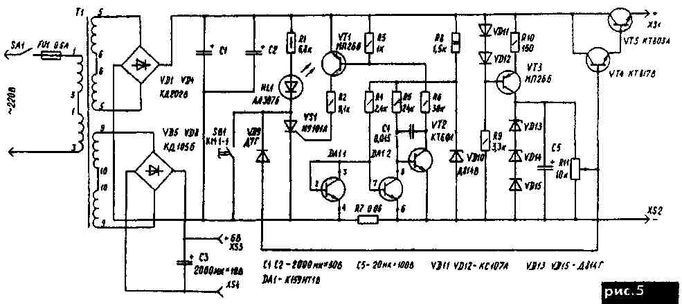
Он обеспечивает стабилизированное выходное напряжение от 0,3 до 30 В при токе нагрузки до 1 А. Коэффициент стабилизации напряжения 30. Блок оснащен эффективной электронной защитой от перегрузки с индикацией перегрузки. Напряжение сети, пониженное трансформатором Т1, выпрямляется диодами VD1-VD4, включенными по мостовой схеме. Конденсаторы С1, С2 сглажииоют пульсации выпрямленного напряжения. На транзисторах VT4, VT5 и стабилитронах VD13...VD15 собран параметрический стабилизатор. Уровень напряжений устанавливают потенциометром R11. Для увеличения стабильности выходного напряжения при колебаниях сетевого напряжения питание стабилитронов производится от источника стабильного тока, выполненного на транзисторе VT3, стабилитронах VD11,VD12 и резисторах R9, R10.

Датчик тока R7 выполнен из медного провода. Если через него протекает ток, меньше предельного, падение напряжения на нем меньше 60 мВ, транзистор DA1.2 находится в насыщении, а транзисторы VT1, VT2 закрыты На управляющий электрод тиристора VS1 напряжение не подается. Как только ток превысит 1 А, падение напряжения на R7 становится равным 60 мВ, транзистор DA1.2 начинает закрываться, а VT1, VT2 - открываться.

При этом включается тиристор VS1 и загорается светодиод HL1, индицирующий перегрузку. Одновременно база VT4 через диод VD9 и тиристор VS1 оказывается подключенной к минусу источника питания. Транзисторы VT4 и VT5 закрываются, и напряжение на выходе стабилизатора падает до 0,3-0,5 В. После установления причины перегрузки достаточно нажать кнопку SB1, чтобы восстановить режим работы блока питания.

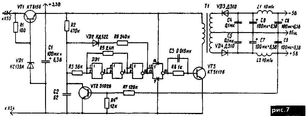
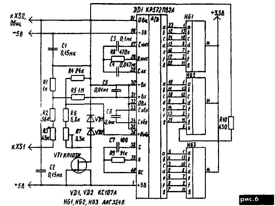
Электронный вольтметр выполнен на базе микросхемы аналого-цифрового преобразователя КР572ПВ2 (рис.6) Максимальное измеряемое напряжение составляет 99,9 В Чтобы не вывести из строя микросхему при таком напряжении, установлен делитель R3, R2, R1 с коэффициентом деления 1:100. Для питания электронного вольтметра требуется стабилизированное биполярное напряжение ±5 В. Схема преобразователя со стабилизацией выходного напряжения показана на рис.7

Обсудить эту статью на форуме (0 ответов).
Вся информация, предоставленная на данном ресурсе разрешена к ознакомлению детям школьного возраста. Все практическое использование может быть связана с повышенной электрической опасностью и разрешено детям только под присмотром взрослых.