Импульсный стабилизированный преобразователь напряжения

 При разработке описываемого ниже устройства ставилась задача создать малогабаритный сетевой источник питания с высоким КПД, способный отдать в гальванически не связанную с сетью нагрузку мощность 1...3,5 Вт. Этим требованиям вполне отвечает однотактный импульсный стабилизированный преобразователь напряжения, передающий энергию во вторичную цепь в паузах между импульсами тока в первичной обмотке разделительного трансформатора.

Основные технические характеристики стабилизатора

Выходное напряжение, В ..... 12; 16; 20
Суммарная выходная мощность, Вт ..... 3,5
Частота преобразования, кГц ..... 20
Пределы изменения напряжения сети,
при которых выходное напряжение изменяется
не более чем на 1 %, В ..... 160...250
Напряжение пульсации, В, частотой, Гц:
20 000 ..... 0,4
50 ..... 0,2
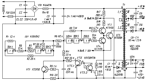
В состав устройства входят выпрямитель сетевого напряжения (VD1) со сглаживающим фильтром (R4C3C4), задающий генератор (DD1.1-DD1.3) с цепью запуска (R17C7), формирователь прямоугольных импульсов (DD1.4-DD1.6, VT2, VT4), электронный ключ (VT3), импульсный трансформатор (Т1), регулируемый источник тока (VT5), устройство защиты от замыканий в нагрузке (R10, VT1), три выпрямителя (VD2-VD4) и столько же фильтрующих конденсаторов (С9-С11). Конденсаторы С1, С2 предотвращают проникание в сеть помех с частотой преобразования.
С включением устройства в сеть начинают заряжаться конденсаторы С3, С4 и С7. После того как напряжение на последнем из них достигнет примерно 3 В, самовозбуждается задающий генератор (DD1.1-DD1.3). Частота следования его импульсов (зависит от постоянной времени цепи R7C5) - около 20 кГц, форма напоминает пилообразную. Формирователь (DD1.4-DD1.6, VT2, VT4) преобразует их в прямоугольные колебания. Поскольку последовательности импульсов на базах транзисторов VT2 и VT4 противофазны, они открываются поочередно, что обеспечивает минимальное время открывания и закрывания транзистора VT3.

Когда этот транзистор открыт, через обмотку I течет линейно увеличивающийся ток и трансформатор Т1 накапливает энергию, а когда закрыт (тока через первичную обмотку нет), энергия, накопленная трансформатором, преобразуется в ток вторичных обмоток III-V. После нескольких циклов работы генератора на конденсаторе С7 устанавливается напряжение 8...10 В.
Выходное напряжение преобразователя стабилизирует регулируемый источник тока, выполненный на транзисторах сборки VT5 (VT5.2 использован как стабилитрон). При колебаниях напряжения в сети или на нагрузке изменяется напряжение на обмотке II и регулируемый источник тока, воздействуя на формирователь (изменяя входной ток инвертора DD1.4), изменяет скважность прямоугольных импульсов на базе транзистора VT3.
При увеличении импульсного тока через резистор R10 сверх некоторого порогового значения транзистор VT1 открывается и разряжает конденсатор С6 (служащий для предотвращения ложного срабатывания защитного устройства от коротких выбросов тока, возникающих в момент включения преобразователя, а также во время переключения транзистора VT3). В результате импульсы задающего генератора перестают поступать на базу транзистора VT3 и преобразователь прекращает работу. При устранении перегрузки устройство запускается вновь через 0,8...2 с после зарядки конденсаторов С6 и С7.
Обмотки импульсного трансформатора Т1 намотаны на полистироловом каркасе проводом ПЭВ-2 0,12 и помещены в броневой магнитопровод Б30 из феррита 2000НМ. Обмотки I.1 и I.2 содержат по 220 витков, обмотки II, III, IV и V - соответственно 19, 18, 9 и 33 витка. Вначале наматывают обмотку I.2, затем обмотки II, IV, III, V и, наконец, обмотку I.1. Между обмотками II и IV, V и I.1 помещают электростатические экраны в виде одного слоя (примерно 65 витков) провода ПЭВ-2 0,12. При сборке трансформатора между торцами центральной части ферритовых чашек вставляют прокладку из лакоткани толщиной 0,1 мм.
Трансформатор можно выполнить и на основе ферритового (той же марки) броневого магнитопровода Б22. В этом случае используют провод ПЭВ-2 0,09, причем число витков обмоток I.1 и I.2 увеличивают до 230. Транзистор КТ859А можно заменить на КТ826А, КТ838А, КТ846А.
Налаживание устройства несложно. Установив движок подстроечного резистора R15 в верхнее (по схеме) положение, включают преобразователь в сеть и устанавливают этим резистором требуемые значения напряжения на выходе.
Для уменьшения помех во вторичных цепях с частотой преобразования (20 кГц) необходимо опытным путем подобрать точку соединения электростатических экранов с одним из проводов первичной цепи, а также точки подключения конденсатора С8. Для этого достаточно один из выводов какой-либо вторичной обмотки подключить через миллиамперметр переменного тока к первичной цепи и определить названные точки по минимуму показаний прибора.
Следует учесть, что конденсатор С8 снижает уровень помех с частотой преобразования только в цепях, питаемых от обмотки V. Для достижения этой же цели в цепях, подключенных к обмоткам III и IV, можно либо соединить вывод "Общ." с минусовым выводом выпрямителя с выходным напряжением 20 В, либо (если первое - недопустимо) включить еще один конденсатор между выводом "Общ." и точкой подключения нижнего (по схеме) вывода конденсатора С8.
Преобразователь, собранный по описанной схеме, опробован для питания нагрузки, потребляющей мощность 10 Вт. В этом варианте число витков обмоток I.1 и I.2 было уменьшено до 120 (с магнитопроводом Б30), конденсаторы С3, С4 заменены одним оксидным емкостью 10 мкф (номинальное напряжение 450 В), сопротивление резистора R10 уменьшено до 2,7 Ом, а резистора R18 - до 330 Ом.
Если необходимо иметь иные, чем указано в технических характеристиках, выходные напряжения, следует соответственно изменить число витков обмоток III-V, применить фильтрующие конденсаторы с соответствующими номинальными напряжениями и выпрямительные диоды с допустимым импульсным обратным напряжением, не менее чем в 3,5 раза большим напряжения на нагрузке.

 
Обсудить эту статью на форуме (0 ответов).
Вся информация, предоставленная на данном ресурсе разрешена к ознакомлению детям школьного возраста. Все практическое использование может быть связана с повышенной электрической опасностью и разрешено детям только под присмотром взрослых.