Мощный управляемый выпрямитель на тиристорах

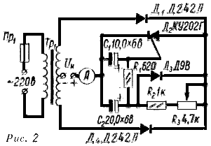
Управляемый выпрямитель на тиристорах ≈ элементах, обладающих большим коэффициентом усиления по мощности, позволяет получать большие токи в нагрузке при незначительной мощности, затрачиваемой в цепи управления тиристора. На первых двух рисунках изображены варианты выпрямителей на тиристорах, которые обеспечивают аксимальный ток в нагрузке до 6 А с пределом регулировки напряжения от 0 до 15 в (рис. 1) и от 0,5 до 15 в (рис. 2).
В течение одного полупериода к аноду тиристора приложено положительное относительно катода напряжение.Пока на управляющий электрод не подан положительный сигнал определенной амплитуды со схемы запуска, тиристор не пропускает ток в прямом направленип. Через некоторый произвольный угол задержки а между напряжениями на управляющем электроде и катоде прикладывается положительный запускающий сигнал, вызывающий протекание тока через тиристор и соответственно через нагрузку. При перемене полярности напряжения на аноде тиристора последний закрывается независимо от величины управляющего напряжения, при этом аналогично рассмотренному ранее начинает работать другое плечо схемы. Регулируя угол задержки включения а по отношению к приложенному напряжению, можно изменять соотношение фаз начала протекания тока и приложенного напряжения и регулировать величину среднего значения выпрямленного тока (напряжения) нагрузки от максимума (а = 0) до нуля (а = Пи).
Угол задержки включения тиристоров Д1 и Д4 изменяется потенциометром R1. Диоды Д2, Д3 защищают цени управления (запуска) от отрицательного напряжения в то время, когда напряжение на анодах тиристоров отрицательное. Для получения широких пределов регулировки а (0 ≈ Пи) применены RC - цепи.

В выпрямителе (рис.2) тиристор и схема запуска работают как в положительный, так и в отрицательный полупериоды, время разряда конденсаторов сокращается, что приводит к уменьшению диапазона изменения угла а и, соответственно, к уменьшению пределов регулирования напряжения на нагрузке. Для устранения этого явления включен диод Д3.
иристоры для выпрямителя (рис. 1) желательно выбирать с близким значением сопротивления участка управляющий электрод ≈ катод. Если не удается подобрать одинаковые тиристоры, то схему можно симметрировать с помощью дополнительного сопротивления. Для этого включают эквивалент нагрузки и изменением величины сопротивления потенциометра R1 устанавливают максимальный ток. Поочередно отключая цепи управления тиристоров, измеряют ток каждого плеча выпрямителя. Переменное сопротивление величиной 10 ком. подключается параллельно управляющему электроду к катоду того тиристора, через который течет больший ток. Изменяя величину этого сопротивления, добиваются одинаковых показаний тока.
Учитывая разброс параметров тиристоров, необходимо скорректировать сопротивления резисторов R1 и R2. Вначале R1 берется несколько больше рассчитанного, а R2 определяется как остаточное сопротивление потенциометра R1 при условии, что его изменение не приводит к увеличению тока нагрузки. Максимальная величина R1 ограничивается сопротивлением, при котором ток нагрузки равен нулю.
Конструктивно тиристоры необходимо размещать на радиаторах с площадью 50 кв.см (рис. 1), 250 кв.см - (рис. 2). Во всех вариантах использован трансформатор, собранный на обычном сердечнике УШ35х55. Для намотки взят провод марки ПЭВ. Первичная обмотка содержит 550 витков, диаметр провода 0,55 мм. Данные вторичных обмоток: для варианта на рис.1 - число витков 2х60 проводом ПЭЛ диаметром 1,35 мм.; для варианта на рис.2 - число витков 2х64 проводом ПЭЛ диаметром 1,35 мм.

Обсудить эту статью на форуме (0 ответов).
Вся информация, предоставленная на данном ресурсе разрешена к ознакомлению детям школьного возраста. Все практическое использование может быть связана с повышенной электрической опасностью и разрешено детям только под присмотром взрослых.