Преобразователь 12V / 220V

|
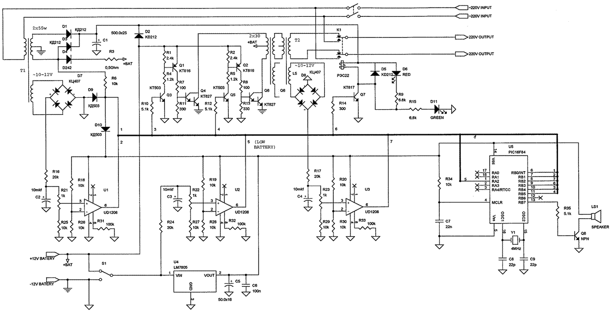
Источник бесперебойного питания
|
Преобразователь 12V / 220V

|
Преобразователь 12V / 220V
|
Преобразователь 12V / 220V для радиотелефона
|
Преобразователь 12V / 300V

|
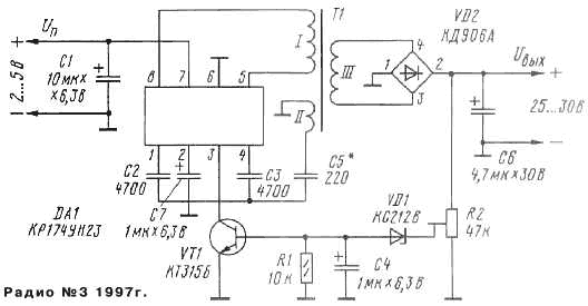
Преобразователь 2...5V / 25...30V

|
Преобразователь 8...15V / ±15V
|
Преобразователь 12V / 220V на таймере 1006ВИ1

|
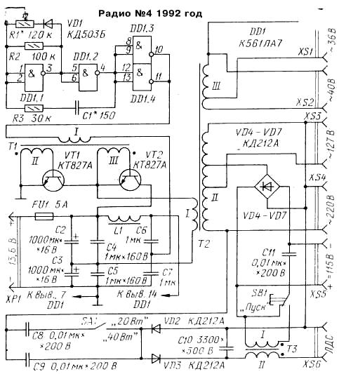
Преобразователь для автомобиля

Для автотуриста, особенно на длительном привале, единственным источником электроэнергии служит аккумуляторная батарея автомобиля. Поэтому, естественно, и все походные осветительные и нагревательные приборы питаются от нее. А если в дорогу взяты приборы, рассчитанные на напряжения 36, 127, 220 В? Ничего страшного. Выручит преобразователь напряжения, схема которого показана на рисунке. Описываемое устройство позволяет питать люминесцентную лампу, электропаяльник на напряжение 36 В, электробритву и другие приборы. Максимальная мощность нагрузки преобразователя - 40 Вт, при этом ток, потребляемый от аккумуляторной батареи, составляет примерно 4 А. Вилкой ХР1 преобразователь подключают к прикуривателю или розетке, соединенной с аккумуляторной батареей автомобиля. С целью уменьшения габаритов конструкции преобразователя частота задающего генератора, собранного на элементах DD1.1 и DD1.2, выбрана около 25 кГц. Элементы DD1.3 и DD1.4 образуют буферный каскад, нагрузкой которого служит обмотка I согласующего трансформатора Т1. Импульсы напряжения на обмотках II и III трансформатора управляют мощными ключевыми транзисторами VT1, VT2. При этом ток в первичной обмотке трансформатора Т2 преобразователя достигает в импульсе 8 А, что обеспечивает требуемую мощность на его вторичных обмотках. Напряжение питания на элементы задающего генератора и буферного каскада поступает через развязывающий фильтр L1C4C6. Чтобы генератор вырабатывал сигнал симметричной формы - меандр, необходимый для управления транзисторными ключами, в него введена цепочка R1VD1, выравнивающая длительность зарядки и разрядки конденсатора С1. Обмотка III трансформатора Т2 рассчитана на подключение к ней (через разъемы XS1, XS2) приборов на напряжение 36...40 В. Отводом обмотки можно изменять мощность, потребляемую нагрузкой, например, подбирать температуру нагрева жала электропаяльника. Обмотка II этого трансформатора предназначена для питания приборов, рассчитанных на переменные напряжения 127 и 220 В. Часть напряжения, снимаемого с верхней по схеме секции обмотки, выпрямляется диодами VD4-VD7, включенными по схеме моста, а пульсации выпрямленного напряжения сглаживает конденсатор С 11. В результате на разъеме XS5 (при замкнутых контактах кнопки SB1) действует постоянное напряжение 115 В - для питания электробритвы с коллекторным электродвигателем. Впрочем, это напряжение может иметь другое значение- в зависимости от конкретной модели электробритвы. Известно, что для включения люминесцентных ламп без подогрева нитей накаливания необходимо напряжение более 500...600 В. Чтобы получить его, напряжение 200 В обмотки II трансформатора Т2 подается на выпрямитель-умножитель, выполненный на диодах VD2, VD3 и конденсаторе С9. В результате на конденсаторе С10 действует повышенное напряжение постоянного тока. Для люминесцентной лампы мощностью 40 Вт параллельно конденсатору С9 подключают (тумблером SA1) конденсатор С8. Однако напряжения на фильтрующем конденсаторе С10 оказывается недостаточным для зажигания люминесцентной лампы. Поэтому в этот узел устройства введен дополнительный пусковой трансформатор ТЗ, но включают лампу вручную кнопкой SB1. Вот как это происходит. При замкнутых контактах кнопки SB1 конденсатор С11 заряжен до напряжения 115 В. При нажатии на кнопку он быстро разряжается через первичную обмотку трансформатора ТЗ. При этом на вторичной обмотке трансформатора возникает импульс напряжения, достаточный для зажигания люминесцентной лампы. В дальнейшем свечение лампы поддерживается напряжением на конденсаторе С10 выпрямителя VD2, VD3. Такое построение этого узла преобразователя позволяет не только обойтись без подогрева накальной нити люминесцентной лампы, но и использовать лампу с перегоревшей нитью накаливания (если, конечно, она пригодна для работы в таком режиме). Напряжение подают на оба вывода нити накаливания. Люминесцентную лампу подключают к разъему XS6 "ЛДС". Соединения между деталями делают снизу платы. Другие детали монтируют на дополнительной плате, которую размещают на боковой стенке корпуса. Цепи преобразователя, по которым течет большой ток, следует выполнять проводом диаметром не менее 2 мм возможно минимальной длины. Это требование относится и к проводам, соединяющим преобразователь с аккумуляторной батареей. Микросхема DD1 преобразователя может быть К561ЛЕ5, диод VD1 - любой высокочастотный малогабаритный, транзисторы VT1 и VT2 - КТ827 с буквенными индексами Б, В. Выпрямительные диоды VD2-VD7 должны быть высокочастотными, например (кроме КД212А), КД205А- КД205Д, КД213А, КД213Б. Конденсаторы: С1 - КД, КТ, КМ; С6 и С7 ~ КМ, МБМ; С2 и С3 - К50-24 (или К50-6), остальные - БМ, МБМ. Индуктивность дросселя L1 может быть 10...200 мкГн. Трансформаторы Т1 и ТЗ выполнены на кольцах типоразмера К20Х12Х6 из феррита 2000НМ. Обмотка I первого из них содержит 120 витков, а обмотки II и III - по 45 витков провода ПЭВ-2 0,2. Первичная обмотка трансформатора ТЗ представляет собой 2 витка, а вторичная - 20 витков провода ПЭВ-2 0,4. Магнитопроводом трансформатора Т2 служат два склеенных вместе кольца типоразмера К32Х20Х Х9 из феррита 2000НМ. Его обмотка I содержит 1,5 витка провода ПЭВ-2 2,0, обмотка II - 88 витков провода ПЭВ-2 ,0,4 (отводы от 36 до 50-го витков, считая от начала), обмотка III -16 витков провода ПЭВ-2 1,0 (отвод от 14-го витка). Перед намоткой провода острые грани колец надо сгладить надфилем, после чего обмотать магнитопровод лакотканью или изоляционной лентой. Налаживание преобразователя напряжения заключается в следующем. Сначала подбором резистора R1 добиваются на выходе буферного каскада импульсного сигнала, близкого по форме к меандру. Затем, в случае необходимости, подбором конденсатора С1 устанавливают частоту задающего генератора, равную 25...27 кГц. Ток, потребляемый преобразователем без нагрузки, должен составлять примерно 500 мА.
|
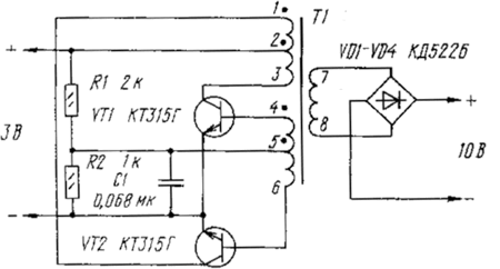
Преобразователь 3V / 10V

Преобразователь работает на частоте 100 кГц и обеспечивает выходное напряжение 10В при токе нагрузки до 15 мА. Трансформатор Т1 выполнен на кольце К7х4х2 из феррита марки 600НН. Обмотки 1-2 и 2-3 содержат по 5 витков; обмотки 4-5 и 5-6 - по 15 витков; обмотка 7-8 - 51 виток.
|
Преобразователь для лампы дневного света

|
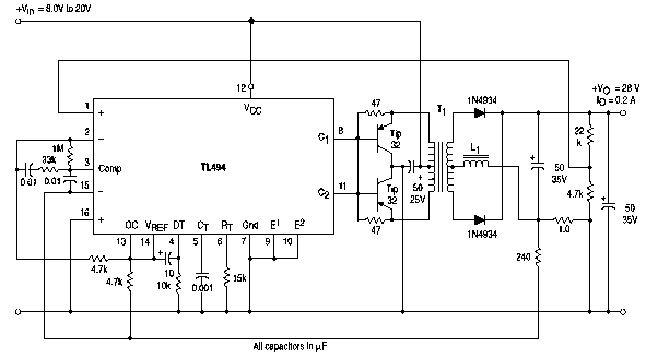
Преобразователь 8...20V / 28V

|
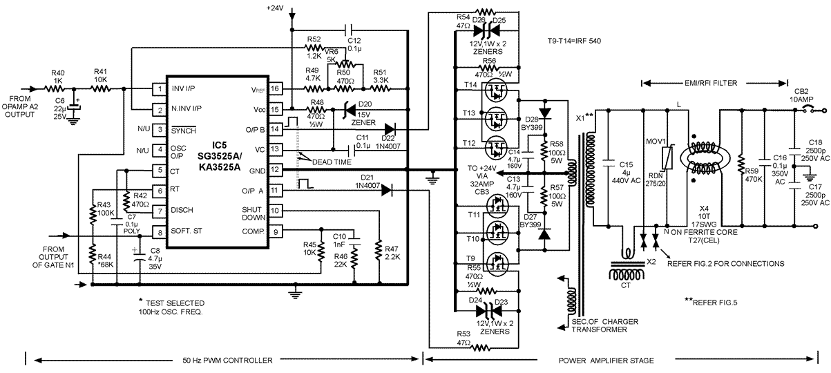
Мощный преобразователь 24V / 220V
|
Ппреобразователь для автомобильного усилителя 12V / ±30V
Схема, приведенная на рисунке - блок питания от автомобильного усилителя Jensen (4x40 Вт). Схема упрощена - не показаны каскады защиты от перегрузок усилителей по току и термозащиты. Группы электролитических конденсаторов показаны как один конденсатор суммарной емкости. Трансформатор преобразователя намотан на ферритовом кольце К42х28х10. Первичная обмотка намотана "косой" из восьми проводов диаметром 1,2 мм и содержит 6,5 витков; вторичная - "косой" из четырех проводов диаметром 1 мм. После намотки каждая коса разделена на две части и начало одной половины обмотки соединяется с концом другой. Дроссель намотан на ферритовом стержне диаметром ~16 мм. и содержит ~10 витков провода диаметром 2мм. Его данные не критичны.
|
Мощный преобразователь 12V / 220V

Этот преобразователь, как утверждает автор, работает на нагрузку мощностью до 700 Вт. Резисторы 15 и 30 Ом - проволочные, большой мощности. Трансформатор выбирается исходя из требуемой выходной мощности. Вторичная обмотка - на 24 В с отводом от середины. Источник: http://steve.sky.net.ua
|
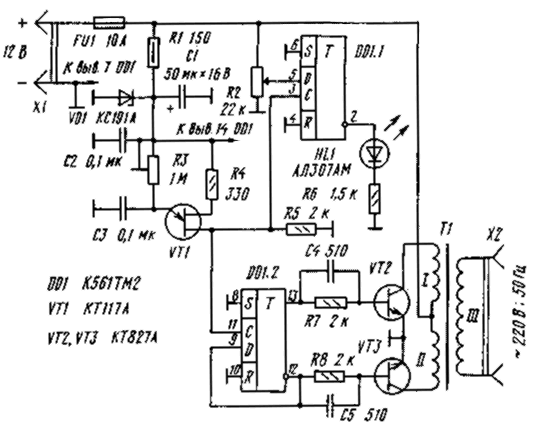
Преобразователь напряжения 12В / 220В

Задающий генератор преобразователя собран на однопереходном транзисторе VT1, резисторах R3 - R5 и конденсаторе С3. Частоту генерируемых им импульсов, равную 100 Гц, D-триггер DD1.2 делит на 2. При этом на выходах триггера формируются взаимно инверсные импульсы, следующие с частотой 50 Гц. Они управляют ключевыми транзисторами VT2 и VT3 , включенными по схеме двухтактного усилителя мощности. Нагрузкой транзисторов этого каскада служит трансформатор Т1, повышающий импульсное напряжение стабилизатора до 220 В. Напряжение питания на коллекторы транзисторов выходного каскада преобразователя подают через соответствующие им половины первичной обмотки трансформатора Т1, а на задающий генератор и микросхему DD1 - через параметрический стабилизатор напряжения R1VD1. Вместе с конденсатором С1 стабилизатор исключает влияние ключевых транзисторов на работу других элементов устройства. Конденсаторы С4 и С5 ускоряют процесс коммутации ключевых транзисторов, тем самым облегчая режим их работы. Триггер DD1.1, вход D которого подключен (через резистор R2) к плюсовому проводнику источника питания, а вход С - к выходу задающего генератора, служит для контроля за напряжением аккумуляторной батареи и сигнализации о ее разрядке до уровня, установленного резистором R2. Суть работы этого узла устройства заключается в следующем. При полностью заряженной батарее на D-входе триггера DD1.1 напряжение выше порога переключения, на инверсном выходе - логический 0, поэтому светодиод HL1 не горит. Как только напряжение батареи окажется меньше допустимого, этот триггер по фронту импульса задающего генератора на входе С переключится в нулевое состояние и загорится светодиод HL1, сигнализируя о недопустимом режиме работы батареи. Монтаж преобразователя произвольный. Резистор R1 - МЛТ-0,5, другие постоянные резисторы- МЛТ-0,125. Переменный резистор R2 - СП-1, подстроечный R3 - СПЗ-16 или любые другие аналогичные. Конденсатор С1 - оксидный К53-1; конденсаторы С2 - С5 - КМ-5. Конденсатор С2 следует установить непосредственно на выводах питания микросхемы. Стабилитрон КС191А (VD1) заменим любым другим на напряжение стабилизации 8...9 В. Транзисторы VT2 и VT3 - любые из серии КТ827, с возможно большим статическим коэффициентом передачи тока базы, их устанавливают на теплоотводах с площадью поверхности не менее 300 кв.см. Трансформатор Т1 выполнен на магнитопроводе ПЛМ 27-40-58. Обмотки I и II содержат по 15 витков провода ПБД-2 или ПСД-2, обмотка III - 704 витка провода ПЭВ-2 0,64. Приступая к налаживанию устройства, плюсовой проводник источника питания отключают от точки соединения обмоток I и II трансформатора Т1 и, пользуясь осциллографом, проверяют частоту и амплитуду импульсов на базах транзисторов VT2, VT3. Амплитуда импульсов должна быть около 2 В, а их частоту следования, равную 50 Гц, устанавливают резистором R3. Затем настраивают узел контроля напряжения, собранный на триггере DD1.1. Для этого напряжение источника питания снижают до 10...10,5 В и резистором R2 добиваются непрерывного свечения светодиода HL1. Далее восстанавливают соединение плюсового проводника источника питания со средней точкой первичной обмотки выходного трансформатора и проверяют работу преобразователя при полностью заряженной аккумуляторной батарее. Описанный преобразователь испытан при совместной работе с различными нагрузками мощностью 80...100 В. В частности, использовался для питания малогабаритного сверлильного станка, погружного насоса водокачки на садовом участке. При этом напряжение на выходе преобразователя не снижалось более чем до 210 В, а потребляемый им ток не превышал 10 А. Потребляемый ток на холостом ходу - не более 1 А. Преобразователь пригоден и для питания бытовой звуковоспроизводящей аппаратуры, если дополнить его фильтром, сглаживающим прямоугольность импульсов выходного напряжения. В. Шангареев, г. Сатка Челябинской обл. Радио №12, 1996 г. c.48. Источник http://martok.bos.ru
|
Преобразователь напряжения на полевых транзисторах 12В / 220В
На элементах DD1.1, DD1.2 собран задающий генератор с частотой 500 Гц. Делитель на DD2 формирует две импульсные последовательности частотой 50 Гц со сдвинутыми на 180° фазами для управления силовыми ключами VT1 и VT2 двухтактного преобразователя. Чтобы избежать сквозных токов переключения, между выключением одного ключа и включением другого существует "мертвая зона" — 10% длительности периода. При подаче высокого уровня (логической "1") на вход "Блокировка" оба выходных ключа запираются. Выходная мощность преобразователя ограничена мощностью силового трансформатора Т1 и максимальным допустимым током выходных транзисторов. Коэффициент трансформации силового трансформатора Кт=20. В качестве выходных транзисторов подойдут IRFZ034 (15 A), IRFZ044 и RG723A (30 А), IRFZ046 (50 A), IRFP064 (100 А). Для надежности нужно иметь двойной запас по току и тройной — по напряжению. Силовые цепи должны быть по возможности короче и выполнены проводами соответствующего сечения. Схема преобразователя потребляет в дежурном режиме ток порядка 7 мА. Счетчик-распределитель К561ИЕ8 (рис.1) имеет вход сброса (вывод 13), высокий уровень на котором приводит микросхему в исходное состояние. При этом прекращается счет, и все выходы, кроме нулевого (вывод 3), сбрасываются в ноль. Оба выходных транзистора VT1 и VT2 при этом закрыты, т.е. преобразователь заблокирован. Предлагаемую схему преобразователя желательно дополнить схемами защиты и сервиса, включающими: • защиту от остановки задающего генератора, она же блокировка (рис.2а); • защиту выходных транзисторов от превышения напряжения на аккумуляторе свыше 15 В (рис.2б); • защиту аккумулятора от глубокого разряда (рис.2в). Эта же схема служит индикатором напряжения аккумулятора; при 10В светодиод VD9 гаснет, при 15В светит в полную силу; • защиту от неверного подключения, т.е. переполюсовки аккумулятора (рис.2г); • автомат перехода на резервное питание при пропадании напряжения в сети, и возвращения на питание от сети при появлении сетевого напряжения (рис.2д). Схема аварийной блокировки показана на рис.2а. Конденсатор С4 заряжается через R13 до напряжения питания при отсутствии импульсов с выхода DD1.2 и подает логическую "1" на вход блокировки (вывод 13 DD2) через VD13. При нормальной работе преобразователя, на выходе "Сброс блокировки" (вывод 1 DD2) каждые 20 мс появляется логическая "1", которая через R11 открывает транзистор VT5 и разряжает С4, не давая тем самым сработать блокировке. Защита от превышения напряжения на аккумуляторе (рис.2б). При превышении Ua>15 В открывается стабилитрон VD10, током через R9 открывается VT4 и подает логическую "1" через VD12 на вход блокировки. Эта блокировка нужна для предотвращения выхода из строя силовых транзисторов. Для защиты всей схемы параллельно С5 нужно включить стабилитрон КС515. Такой ситуации не возникнет, если зарядное устройство не окажется подключенным к преобразователю без аккумулятора, Лучше преобразователь и зарядное устройство подключать к АБ разными проводами, Защита АБ от глубокого разряда (рис,2в). Величина R7 подбирается таким образом, чтобы при Ua<10,5 В Транзистор VT3 уже закрылся, светодиод VD9 погас, и через R8 и VD11 подалась логическая "1" на вход блокировки. С2 предотвращает блокировку в случае кратковременного понижения Uа. Защита от неверного включения (перепопюсовки) АБ (рис.2г). При аварийной блокировке на выводе 9 DD1.4 присутствует логическая "1", на выходе DD1,4 — "0". Транзистор VT6 закрывается, реле К1 отпускает и отключает АБ от силовой части преобразователя. В случае переполюсовки при подключении АБ репе К1 вообще не срабатывает, Автомат переключения на резервное питание (рис.2д), В случае присутствия напряжения в сети, реле К2 включено, и своими контактами подключает нагрузку непосредственно к сети. Транзистор оптопары VU1 открыт, и через R14 подает логическую"1 "на вход блокировки, Преобразователь при этом заблокирован. При пропадании напряжения сети отпускает реле К2, переключая нагрузку на выход преобразователя. Закрывается транзистор оптопары, и появляется логический "0" на выводе 5 DD1.3. Тогда на выходе DD1.3—"1", положительный импульс открывает транзистор VT5, разряжается С5, со вздда блокировки пропадает "1", и преобразователь запускается. Выключатель S1 "Вкл" позволяет выключать преобразователь в том случае, когда при отсутствии напряжения а сети резервное питание не требуется" питания поступает через выключатель S1 и R14 на вход блокировки. При размыкании контактов выключателя S1 происходит запуск преобразователя — так же как и после пропадания напряжения в сети. Чтобы получить схему бесперебойного питания, предлагаемый преобразователь нужно дополнить автоматическим зарядным устройством (рис.3), обеспечивающим заряд и поддержание в рабочем состоянии аккумуляторной батареи (АБ). Преобразователь и зарядное устройство нужно подключать к аккумулятору отдельными проводами. О.Локсеев, г.Бахчисарай, Крым. Взято с http://martok.bos.ru
|
Преобразователь напряжеия 12В / 220В 50Hz

За основу устройства взята схема из журнала "Моделист-конструктор". ИБП обеспечивает: • в прямом режиме преобразование постоянного напряжения 12В в переменное 220В/50 Гц при максимальном потребляемом токе не более 6А. Выходная мощность - до 220Вт (1А); • обратный режим (режим заряда аккумулятора). При этом ток заряда - до 6А; • быстрое переключение из прямого в обратный режим. Схема ИБП приведена на рисунке. На элементах VT3, VT4, R3...R6, С5, С6 выполнен тактовый генератор, вырабатывающий импульсы с частотой около 50 Гц. Он, в свою очередь, управляет работой транзисторов VT1, VT6, в коллекторные цепи которых включены обмотки IIa, IIб трансформатора Т1. Диоды VD2, VD3 - элементы защиты транзисторов VT1, VT6 в прямом режиме и выпрямители в обратном режиме. Элементы С1, С2, L1 образуют сетевой фильтр, VD1, С3, С4 - фильтр тактового генератора. Рассмотрим, как работает схема в обоих режимах. Прямой режим (=12В / ~220В). Напряжение +12В попеременно прикладывается к обмоткам IIа или IIб, а трансформатор Т1 преобразует его в напряжение 220В/50Гц. Это напряжение присутствует на розетке XS1, и к ней подключаются всевозможные потребители (лампы накаливания, телевизор и др.) Индикатором нормальной работы является свечение светодиодов VD4, VD5. Ток нагрузки может достигать 1 А (220Вт). Обратный режим (~220В / =12В). Для работы в обратном режиме необходимо сетевой шкур подключить к разъему ХР1 и подать на него ~220 В. После этого переключается тумблер SB1. При этом сетевое напряжение попадает на первичную обмотку трансформатора Т1, а тактовый генератор отключается. Благодаря этому на вторичных обмотках Т1 получаются два переменных напряжения 10В, которые выпрямляются диодами VD2, VD3. Индикатором нормальной работы в обратном режиме является свечение светодиода VD5. Кипение в банках аккумулятора GB1 свидетельствует о процессе его зарядки. Детали и конструкция: Т1 - любой трансформатор, обеспечивающий два напряжения 10В при Токе до 10А. Лучше всего использовать сердечники типа ШЛ и ПЛ, которые легче разбираются. Катушка L1 выполнена на ферритовом кольце К28х16х9 М2000НМ и содержит две обмотки по 10 витков провода диаметром 0,5...0,71 мм. Транзисторы VT1, VT6 и диоды VD2, VD3 крепятся через слюдяные прокладки, смазанные теплопроводящей пастой, на один общий радиатор площадью не менее 200 кв.см.
|
Преобразователь напряжения 12В / 220В

С помощью данного устройства можно получить переменное напряжение 220В от 12-вольтовой аккумуляторной батареи. Его схема опубликована в болгарском журнале "Млад конструктор". Основой его служит мультивибратор на транзисторах VT3, VT4, работающий на частоте 50 Гц. На транзисторах VT1, VT2 и VT5, VT6 собраны мощные усилители, нагруженные на согласующий трансформатор Т1 мощностью 100 Вт. Его вторичная обмотка рассчитана на напряжение 220 В и ток 0,5 А, две первичные обмотки - каждая на 10В и 10А. Преобразователь может питать электролампы, паяльники, кофеварки и другие электроприборы, для которых прямоугольная форма напряжения не имеет значения. Устройство может служить в качестве аварийного источника сетевого напряжения. Указанные на схеме полупроводниковые приборы можно заменить отечественными: VD1, VD2 - КД213, Д232; VT1, VT6 - КТ805, КТ819М, VT2, VT5 - КТ814, КТ816, VT3, VT4 - КТ315, КТ312 с любыми буквенными индексами.
|